rekisteriseloste

Tiedote rekisteröitymisestä

Jos et ole saanut vahvistusviestiä rekisteröitymisestä si, tarkista roskapostikansiosi. Tämä erityisesti hotmail ja gmail sähköpostin käyttäjille.

Kirjoittaja Aihe: Primus 2470 ohjauspaneeli  (Luettu 76244 kertaa)

*****
  • LämmitinGuru
  • Aluevalvoja
  • Kalustoon kuuluva
  • Viimeksi paikalla: 4.12.2025 kello on 11:57
Vs: Primus 2470 ohjauspaneeli
« Vastaus #75 : 14.08.2014 kello on 16:43 »
Juu. Ja kun tinaa sitä puristettua liitosta, niin tinaa vain senverran, ettei se ui edes sinne vedonpoistoon asti.  Jos tinaa on pidemmälle, syntyy 'epäjatkuvuuskohta', josta tärinä jossain vaiheessa katkaisee johtimen.

Juuri näin. Thumb

*****
  • LämmitinGuru
  • Aluevalvoja
  • Kalustoon kuuluva
  • Viimeksi paikalla: 4.12.2025 kello on 11:57
Vs: Primus 2470 ohjauspaneeli
« Vastaus #76 : 14.08.2014 kello on 16:45 »
'Aidot' Abikot lienevät tinattua kuparia/pronssia, joten taas www.partco.fi

En minä ainakaan ole löytänyt partcosta hyviä. :-[ Jostain sähköliikkeestä kannattaa käydä kysymässä.

*****
  • Kalustoon kuuluva
  • Viimeksi paikalla:tänään kello 13:34
Vs: Primus 2470 ohjauspaneeli
« Vastaus #77 : 14.08.2014 kello on 17:52 »
En minä ainakaan ole löytänyt partcosta hyviä. :-[ Jostain sähköliikkeestä kannattaa käydä kysymässä.

Hitsi. Haku 'abiko' antoi kyllä liittimiä ja työkaluja mutta loppujen lopuksi missään ei sanottu, että ne todella ovat abikoja...
Täytyy ottaa selvää.

*****
  • Kaikkien kaveri Sr.
  • Aiheen aloittaja
  • Viimeksi paikalla:26.08.2025 kello on 06:06
Vs: Primus 2470 ohjauspaneeli
« Vastaus #78 : 14.08.2014 kello on 20:02 »
Taas opin uutta eli tuon abikon kolvaamisen  Thumb Thumb Thumb

*****
  • Kaikkien kaveri Sr.
  • Viimeksi paikalla:21.06.2021 kello on 20:40
  • Kun filetillä fileoi Fiiliksessä,tulee hyvä fiilis
Vs: Primus 2470 ohjauspaneeli
« Vastaus #79 : 14.08.2014 kello on 21:00 »
Jos tekee oikein viimeisen päälle hyvän,niin kutisteletku vielä päälle !

*****
  • Kaikkien Kaveri
  • Viimeksi paikalla:19.08.2023 kello on 19:00
  • ---
Vs: Primus 2470 ohjauspaneeli
« Vastaus #80 : 14.08.2014 kello on 21:45 »
Valitettavasti jos se vaan joutuu kovaan tärinään, niin monisäijejohto ei tuu kestämään tinalla kovin pitkään, vaikka kuinka hyvin juotettu. Puristamalla se kestää parahaiten ja holkittamalla myös (oikeat työkalut pysyy kuin jaska Junttilantuvan seinässä). Ajoneuvoihin en suosittele kyseisiä juotos liitoksia kuin äärimmäisissä tapauksissa.

*****
  • LämmitinGuru
  • Aluevalvoja
  • Kalustoon kuuluva
  • Viimeksi paikalla: 4.12.2025 kello on 11:57
Vs: Primus 2470 ohjauspaneeli
« Vastaus #81 : 14.08.2014 kello on 22:33 »
Valitettavasti jos se vaan joutuu kovaan tärinään, niin monisäijejohto ei tuu kestämään tinalla kovin pitkään, vaikka kuinka hyvin juotettu. Puristamalla se kestää parahaiten ja holkittamalla myös (oikeat työkalut pysyy kuin jaska Junttilantuvan seinässä). Ajoneuvoihin en suosittele kyseisiä juotos liitoksia kuin äärimmäisissä tapauksissa.

Lueppas vähän tarkemmin aiemmat viestit. :)

*****
  • Karavaanari
  • Viimeksi paikalla:29.10.2017 kello on 10:06
  • Cara jo 45v. ja aina uutta oppii :-)
Vs: Primus 2470 ohjauspaneeli
« Vastaus #82 : 15.08.2014 kello on 13:13 »
 :)Teukka 74... voisitko kertoa ihan yksityiskohtaisesti tuon kipinäsytytyksen asennuksen vaihe vaiheelta... uskoisin pystyväni sen tekemään jos ihmiset niitä yleensä tekee... hyvää viikonloppua sinulle ja kaikille muillekin sivun vieraille... minulla ongelmat jatkuu... ilmeisesti on ohjauspaneli sekaisin kuin seinäkello kun kaikki valot palaa (panelin ledit) ja mistään namikasta ei tapahdu mitään eikä vaunuun tule muualle minnekään virtaa (mikään ei pelitä)  >:D :o kuin WC ja ulkovalolle ja kaiken huippu niin etusivuparkit palaa kun virran laittaa päälle... laitan nyt seuraavaksi ainakin tuon relekytkentäjutun ja seuraavaksi "Kipinät" jos saan neuvoa ja sitten ehkä ohjauspaneli on uusissa.. että silleen viikonloppua viettämään.. terv. WanhaCara

*****
  • Kalustoon kuuluva
  • Viimeksi paikalla: 8.08.2025 kello on 20:21
Vs: Primus 2470 ohjauspaneeli
« Vastaus #83 : 15.08.2014 kello on 13:25 »
^

Jos vaunussa on sähköt täysin sekaisin suosittelisin tämän syyn etsimistä ja korjaamiste ennen uusien laitteiden lisäämistä siihen.

Jos valot ei pala ja toiset taas palaa vaikkei pitäisikään suosittelisin käymään läpi kaikki johdot ja kytkennät. Jos tuossa ei ole kytkentää jolla noita etuvaloja laitetaan erikseen päälle niin joku johtonippu voi olla vahingoittunut ja oikosulussa.

Kipinäsytytyksen asentaminen on helppoa ja siinä vaiheessa kun vaunun sähköt toimii normaalisti ja oikein on oikea aika asentaa se..

*****
  • Kaikkien kaveri Sr.
  • Aiheen aloittaja
  • Viimeksi paikalla:26.08.2025 kello on 06:06
Vs: Primus 2470 ohjauspaneeli
« Vastaus #84 : 15.08.2014 kello on 13:55 »
Neuvoa ja kuviakin lähetän mut olen Kimin linjoilla et jotain isompaa hässäkkää on vaunun sähköissä. Kipinäsytytys on suht helppo laittaa, mjo lta kamat ja ohjeet. Olen nyt kännykän varassa joten kuvien ym.isompien kirjoittelu jää sunnuntaille. Apuja annan, kun oon niitä täältä niin paljon saanut.

*****
  • Kaikkien kaveri Sr.
  • Aiheen aloittaja
  • Viimeksi paikalla:26.08.2025 kello on 06:06
Vs: Primus 2470 ohjauspaneeli
« Vastaus #85 : 15.08.2014 kello on 13:56 »
Ja hyvää viikonloppua myös sinulle WanhaCara.

*****
  • Karavaanari
  • Viimeksi paikalla:29.10.2017 kello on 10:06
  • Cara jo 45v. ja aina uutta oppii :-)
Vs: Primus 2470 ohjauspaneeli
« Vastaus #86 : 16.08.2014 kello on 09:06 »
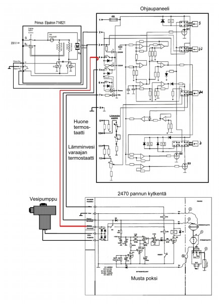
 :D Kiitos vastauksista... en aio asentaa mitään uutta ennenkuin viat on selvitetty... mujtta kyllä nämä "Hituvirtajutut" (heikkovirta) laitteet tahtoo mennä yli minun hilseen, kun olen kuitenkin vahvempien sähköjen (yli 220v.) kanssa ollut tekemisissä 30v. (Sähköasentajana ammatikseni) niin siellä mitkään tälläiset mahdolliset oikosulut ei ole mahdollisia... vika löytyy kyllä alle aikayksikön,  Thumb Thumb Thumb mutta näillä hituvirroilla näköjään kaikki on mahdollista  :o Olisi kiva tietää esim. a. mitä ja miten virrat kulkee esim. "Kaasuventtilissä" b. mitä tapahtuu ns "Mustan laatikon sisällä" miten virrat juoksee Ohjauspaneelilla, siellä on ihmehäkkyröitä joista ei meikäläinen saa selvää että miten virrat niillä juoksee kun ei ole mitää ns. kärkiä kuvattu.... ohessa vielä kuva tämän hetken tilanteesta "Ohjauspaneelilla".. mistään napista ei tapahdu mitään... ja kaikki virrat on poikki.. mikään ei vaunussa toimi.... olisi kiva tietää myös nuo sulakkeet oahjauspaneelilla 4 A ja nuo erilliset 4 kpl taulussa... minne niistä virta menee ? En löydä kuvia enkä ohjeita niistä mistään.  ;D :D Thumb






*****
  • LämmitinGuru
  • Aluevalvoja
  • Kalustoon kuuluva
  • Viimeksi paikalla: 4.12.2025 kello on 11:57
Vs: Primus 2470 ohjauspaneeli
« Vastaus #87 : 16.08.2014 kello on 10:15 »
Oisko tästä apua.



*****
  • Karavaanari
  • Viimeksi paikalla:29.10.2017 kello on 10:06
  • Cara jo 45v. ja aina uutta oppii :-)
Vs: Primus 2470 ohjauspaneeli
« Vastaus #88 : 16.08.2014 kello on 10:33 »
 :)Kiitos "Mojo" yritän tutkia  Thumb :D

*****
  • Karavaanari
  • Viimeksi paikalla:16.10.2024 kello on 10:35
Vs: Primus 2470 ohjauspaneeli
« Vastaus #89 : 16.08.2014 kello on 15:12 »
Huomasin uuden "ominaisuuden" ohjauspaneelissa eilen illalla, kun menin vaunuun pimeässä. Paneelissa olevat ledi "hehkuivat" hyvin himmeästi, mutta kuitenkin. Tätä en ollut aikaisemmin havainnut ja ajattelin että optikolle on asiaa, mutta otin varmuuden vuoksi akusta kaapelikengän irti ja ledien "kiiluminen" loppui. Laitoin kaapelikengän takaisin paikalleen ja huomaisin, että ledit alkoivat taas kiilua hyvin himmeästi. Jostain siis "vuotaa" jännitettä paneelille, vaikka yksikään painokytkin ei ole pohjaan painettuna. Onko kyseessä ominaisuus vai vika? Jos tämä on vika, onko tietoa mikä tällaisen voisi aiheuttaa?
Kiinnostaisi myös tietää, miten akun napajännite yleensä käyttäytyy, kun Primus napsautetaan päälle, paljonko jännite laskee akun navoilta mitattuna?