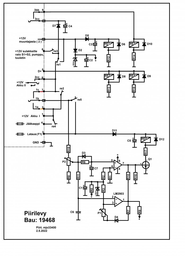
Löysin vielä puutteita. C7 puuttui kytkennästä. Tämä on typerää kun toi muokkaus mahdollisuus katoaa niin nopeasti.
(Kuva piiloitettu, klikkaa tätä niin näet kuvan.)
(Kuva piiloitettu, klikkaa tätä niin näet kuvan.)
Miljoonasti kiitos teille molemmille avusta! Tämän paikkaaminen ja testaaminen ei tule erityisen kalliiksi, teen listan noista komponenteista ja laitan tilaukseen. Kolvaukseni ei ole erityisen taidokasta mutta pitäisi onnistua. Sen verran vielä kysyn, eli näkyykö tuossa piirissä mielestäsi mitään vastusta joka voisi alentaa tuota muuntajan 19.5V jännitettä (se käyttövirta, ei akkujen lataukseen tarkoitettu)? En ole vielä ehtinyt mitata muuntajan muuntamia 12V:n vaihtovirtoja ennen diodeja kuten Mjerica aiemmin ehdotti.
Ja tuosta piirien oikosuluista, huomasin kiinnostavan asian eilen. Aiemmin viestissä sanoin että "kuulen lämminvesivaraajan kipinän käyvän" kun syötin sinne virtaa. Kipinän ääni se olikin mutta se tuli lämminvesivaraajan piiristä, en tiedä mikä komponentti tämä on mutta se "välkehti" n. sekunnin rytmeissä (ei kuitenkaan heittänyt kipinää vaan välkehti):

Se oli silloin vielä pölyinen etupuolelta ja samalla tavalla likainen juotospuolelta kuin tuo kontrollipaneelin piirilevykin oli. Tutkiskelin asiaa ja syy tuolle piirien oikosuluille taitaa olla "flux residue" joka näkyy tuolla tuollaisena kellertävänä mönjänä, eli joku kolvauksessa käytetty lisäaine joka ilmeisesti vaatisi säännöllistä puhdistamista piirilevystä jottei tule ajanmyötä oikosulkuja. Puhdistin aineen pois ja kytkin uudestaan kiinni ja voilá, välkehdintä katosi.
Puhdistin samalla piirilevyn joka oli puhaltimen yllä, siinä oli myös vaikka ole vähän paremmassa kunnossa eikä oikutellut vielä. Jos löydän muita niin teen samoin.