rekisteriseloste

Tiedote rekisteröitymisestä

Jos et ole saanut vahvistusviestiä rekisteröitymisestä si, tarkista roskapostikansiosi. Tämä erityisesti hotmail ja gmail sähköpostin käyttäjille.

Kirjoittaja Aihe: 2470 pöhöttää hikeen asti  (Luettu 6947 kertaa)

*****
  • Karavaanari
  • Aiheen aloittaja
  • Viimeksi paikalla:20.12.2020 kello on 11:50
  • Ei riemulla rajaa kun nokivasaralla ajaa
2470 pöhöttää hikeen asti
« : 17.08.2013 kello on 18:40 »
Ohjaustaulun olen vaihtanut toisee ohjaustaulun valojen vilkatelun vuoksi.Vika ei ollut siinä.Nyt kun valot taulussa toimii niin löytyi uusi vika.Lämmitys ei katkea laisinkaan vaikka säätöpotikasta vääntelee.Tämä siis sähköllä.Kaasua en ole vielä testannut.Alkaa yöllä hikoiluttamaan kun lämpöä vaan pukkaa.Voisiko olla niin että olen ohjaustaulua vaihtaessa laittanut huonetermarin piuhat väärinpäin.Lämminve sivaraaja on vaunusta poistettu.Voisiko sillä olla jotain vaikutusta.Varaajan piuhat roikkuvat irrallaan(lue kytkemättä mihinkään).Tippanappi ei ollut alhaalla.

*****
  • Kaikkien Kaveri
  • Viimeksi paikalla:21.07.2023 kello on 01:10
  • Vaasa
Vs: 2470 pöhöttää hikeen asti
« Vastaus #1 : 17.08.2013 kello on 18:50 »
Termaria veikkaan. Omassa kulkimessa oli termarin abiko vähän löystynyt, niin se ei osannu oikeen päättää, että toimiiko vai ei.

*****
  • Kaikkien Kaveri
  • Viimeksi paikalla: 3.04.2023 kello on 16:44
  • Nurmijärvi
Vs: 2470 pöhöttää hikeen asti
« Vastaus #2 : 17.08.2013 kello on 19:31 »
Ohjaustaulun olen vaihtanut toisee ohjaustaulun valojen vilkatelun vuoksi.Vika ei ollut siinä.Nyt kun valot taulussa toimii niin löytyi uusi vika.Lämmitys ei katkea laisinkaan vaikka säätöpotikasta vääntelee.Tämä siis sähköllä.Kaasua en ole vielä testannut.Alkaa yöllä hikoiluttamaan kun lämpöä vaan pukkaa.Voisiko olla niin että olen ohjaustaulua vaihtaessa laittanut huonetermarin piuhat väärinpäin.Lämminve sivaraaja on vaunusta poistettu.Voisiko sillä olla jotain vaikutusta.Varaajan piuhat roikkuvat irrallaan(lue kytkemättä mihinkään).Tippanappi ei ollut alhaalla.

Entäs hananappi onko päällä, jos ei ,niin katso ne tuntoelimen johdot että ovat kiinni.
Ohjauspaneelissa ne johdot ovat nastoissa 9 ja 10.

*****
  • Karavaanari
  • Aiheen aloittaja
  • Viimeksi paikalla:20.12.2020 kello on 11:50
  • Ei riemulla rajaa kun nokivasaralla ajaa
Vs: 2470 pöhöttää hikeen asti
« Vastaus #3 : 17.08.2013 kello on 19:39 »
Ei ollut hananappikaan päällä.Tuntoelimen piuhat on kiinni mutta en ole niistä varma menikö oikeinpäin kun vaihtelin paneelia.Onko niillä varaajan piuholilla mitään merkitystä  kun eivät ole missään kiinni nyt.Siis varaajan päässä.Joka siis on poistettu.

*****
  • Karavaanari
  • Aiheen aloittaja
  • Viimeksi paikalla:20.12.2020 kello on 11:50
  • Ei riemulla rajaa kun nokivasaralla ajaa
Vs: 2470 pöhöttää hikeen asti
« Vastaus #4 : 17.08.2013 kello on 19:45 »
Ahaa.Mihin nastaan tulee akulta virtanen?

*****
  • Kaikkien Kaveri
  • Viimeksi paikalla: 3.04.2023 kello on 16:44
  • Nurmijärvi
Vs: 2470 pöhöttää hikeen asti
« Vastaus #5 : 17.08.2013 kello on 19:51 »
Ahaa.Mihin nastaan tulee akulta virtanen?

Akulta tulee virta nastaan 1. Jos varaajan johdot on kiinni ohjauspaneelissa
katso etteivät ole yhdessä siellä varaajan päässä.

*****
  • Karavaanari
  • Aiheen aloittaja
  • Viimeksi paikalla:20.12.2020 kello on 11:50
  • Ei riemulla rajaa kun nokivasaralla ajaa
Vs: 2470 pöhöttää hikeen asti
« Vastaus #6 : 17.08.2013 kello on 19:54 »
Ok.siis 1.Piuhat ovat kiinni panelin perässä.Jos joku muistaa missä nastoissa niin voinhan nykästä ne irtikkin.Onko sillä merkitystä kuinka päin termarin piuhat tulee panelin perään.Eli toimiiko jos pihat ovat vaihtaneet paikkaa 9 ja 10 nastoissa

*****
  • Kaikkien Kaveri
  • Viimeksi paikalla: 3.04.2023 kello on 16:44
  • Nurmijärvi
Vs: 2470 pöhöttää hikeen asti
« Vastaus #7 : 17.08.2013 kello on 20:00 »
Ok.siis 1.Piuhat ovat kiinni panelin perässä.Jos joku muistaa missä nastoissa niin voinhan nykästä ne irtikkin.Onko sillä merkitystä kuinka päin termarin piuhat tulee panelin perään.Eli toimiiko jos pihat ovat vaihtaneet paikkaa 9 ja 10 nastoissa

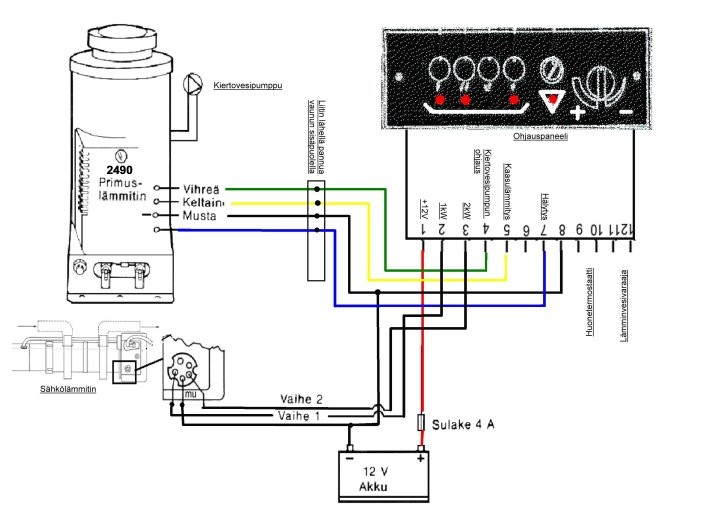
9 ja 10 ei merkitystä kummin päin ovat. Varaajan johdot nastat 11 ja 12.

*****
  • Kaikkien Kaveri
  • Viimeksi paikalla: 3.04.2023 kello on 16:44
  • Nurmijärvi
Vs: 2470 pöhöttää hikeen asti
« Vastaus #8 : 17.08.2013 kello on 20:08 »
Tässä kuva, on mjo33400 piirtämä minun kopsaama.



*****
  • Karavaanari
  • Aiheen aloittaja
  • Viimeksi paikalla:20.12.2020 kello on 11:50
  • Ei riemulla rajaa kun nokivasaralla ajaa
Vs: 2470 pöhöttää hikeen asti
« Vastaus #9 : 17.08.2013 kello on 20:25 »
Kiitoksia taas tiedoista.Täytyypä huomenissa käydä tutkailemassa

*****
  • LämmitinGuru
  • Aluevalvoja
  • Kalustoon kuuluva
  • Viimeksi paikalla:tänään kello 15:57
Vs: 2470 pöhöttää hikeen asti
« Vastaus #10 : 17.08.2013 kello on 20:58 »
Ohjaustaulun olen vaihtanut toisee ohjaustaulun valojen vilkatelun vuoksi.Vika ei ollut siinä.Nyt kun valot taulussa toimii niin löytyi uusi vika.Lämmitys ei katkea laisinkaan vaikka säätöpotikasta vääntelee.Tämä siis sähköllä.Kaasua en ole vielä testannut.Alkaa yöllä hikoiluttamaan kun lämpöä vaan pukkaa.Voisiko olla niin että olen ohjaustaulua vaihtaessa laittanut huonetermarin piuhat väärinpäin.Lämminve sivaraaja on vaunusta poistettu.Voisiko sillä olla jotain vaikutusta.Varaajan piuhat roikkuvat irrallaan(lue kytkemättä mihinkään).Tippanappi ei ollut alhaalla.

Et kertonut mikä vika oli kun ohjauspaneelin vaihdoit. Vika vaikuttaa olevan huonetermostaatissa tai siihen liittyvissä kontakteissa.

*****
  • Karavaanari
  • Aiheen aloittaja
  • Viimeksi paikalla:20.12.2020 kello on 11:50
  • Ei riemulla rajaa kun nokivasaralla ajaa
Vs: 2470 pöhöttää hikeen asti
« Vastaus #11 : 17.08.2013 kello on 22:22 »
Vika oli edellisen omistajan tekemät merkilliset sähköviritykset.Onn eksi piuhat on numeroitu ja täältä löytyi kytkentäkaavioita niin sain johdotukset niinkuin kuuluvat olla.Nyt vielä jäi tämä jatkuva lämpö ropleemi.Huoneterma ria veikkailin itsekkin.Huomenissa käyn tutkailemassa

*****
  • Karavaanari
  • Viimeksi paikalla: 5.07.2018 kello on 08:43
Vs: 2470 pöhöttää hikeen asti
« Vastaus #12 : 20.08.2013 kello on 16:39 »
Löytykö vikaa? Ei muuten mutta itellä teki ny kans niin ettei pannu sammunu vaikka panin lämpöä pienemälle..ja tuossa on ihan alkuperänen primus ja se säätöpaneeli,eliei oo mitään räpellyksiä tehty  >:(

*****
  • LämmitinGuru
  • Aluevalvoja
  • Kalustoon kuuluva
  • Viimeksi paikalla:tänään kello 15:57
Vs: 2470 pöhöttää hikeen asti
« Vastaus #13 : 20.08.2013 kello on 19:37 »
Löytykö vikaa? Ei muuten mutta itellä teki ny kans niin ettei pannu sammunu vaikka panin lämpöä pienemälle..ja tuossa on ihan alkuperänen primus ja se säätöpaneeli,eliei oo mitään räpellyksiä tehty  >:(

Joko hananappi on pohjassa tai releen kosketin takeltelee tai huonetermostaatin liitin vika. Huonetermostaatti voi myös olla viallinen.

*****
  • Karavaanari
  • Viimeksi paikalla: 5.07.2018 kello on 08:43
Vs: 2470 pöhöttää hikeen asti
« Vastaus #14 : 20.08.2013 kello on 21:06 »
huoh..miten testaan että onko esim se termari rikki? mistä nyt kannattaa alottaa korjaaminen?

 

anything