rekisteriseloste

Tiedote rekisteröitymisestä

Jos et ole saanut vahvistusviestiä rekisteröitymisestä si, tarkista roskapostikansiosi. Tämä erityisesti hotmail ja gmail sähköpostin käyttäjille.

Kirjoittaja Aihe: Primus poksahtaa käynistyessään  (Luettu 3687 kertaa)

*****
  • Karavaanari
  • Aiheen aloittaja
  • Viimeksi paikalla:15.09.2025 kello on 10:46
  • Kossu kolalla, suosittelen jos korjaaminen v..ttaa
Primus poksahtaa käynistyessään
« : 26.08.2025 kello on 19:31 »
Venessäni on priimus 2540 ulkona , Käynistyessään pitää aika poksausen . Ääni on sen verran kova että sen kuulee sevästi veneen sisälle kun yritää nukkua . :o .Tietoa miten ongelman voi korjata

*****
  • Kalustoon kuuluva
  • Viimeksi paikalla:tänään kello 07:36
  • Autossa on pyörät
Vs: Primus poksahtaa käynistyessään
« Vastaus #1 : 26.08.2025 kello on 19:48 »
Asentaa kipinäsytytyksen siihen.

*****
  • Kaikkien Kaveri
  • Viimeksi paikalla:eilen kello 15:21
  • RAV 4
Vs: Primus poksahtaa käynistyessään
« Vastaus #2 : 26.08.2025 kello on 20:08 »
Onhan akussa tarpeeksi virtaa?

*****
  • Karavaanari
  • Aiheen aloittaja
  • Viimeksi paikalla:15.09.2025 kello on 10:46
  • Kossu kolalla, suosittelen jos korjaaminen v..ttaa
Vs: Primus poksahtaa käynistyessään
« Vastaus #3 : 26.08.2025 kello on 22:53 »
Exiden 95Ah x 2kp AGM startti ja 75 Ah X2 agm käyttöakusto , virta ei ole ongelma. Syttyessään priimus poksauttaa aia kovaa.
käytännön tieto loppu laiteen sielun elämästä. Syttyy ja samuu niikun pitää .Toimii  muuten ihan hyvin. ;D

*****
  • Kaikkien Kaveri
  • Viimeksi paikalla:eilen kello 15:21
  • RAV 4
Vs: Primus poksahtaa käynistyessään
« Vastaus #4 : 27.08.2025 kello on 08:45 »
Hehku alkaa olla hiukan huono. kaasua virtaa mut lanka ei ole vielä tarpeeksi kuuma. Kipinäsytytys kannattaa kyllä laittaa tai uusi hehkutulppa.

*****
  • LämmitinGuru
  • Aluevalvoja
  • Kalustoon kuuluva
  • Viimeksi paikalla:30.01.2026 kello on 22:09
Vs: Primus poksahtaa käynistyessään
« Vastaus #5 : 27.08.2025 kello on 15:05 »
Hehku on joko rikki tai ehjä, ei ole huonoja hehkuja. Jos hehku ei hehkuta tarpeeksi on vika jännitehäviössä ei hehkussa. Hehku karstottuu jos jännite on huono.

*****
  • LämmitinGuru
  • Aluevalvoja
  • Kalustoon kuuluva
  • Viimeksi paikalla:30.01.2026 kello on 22:09
Vs: Primus poksahtaa käynistyessään
« Vastaus #6 : 27.08.2025 kello on 15:08 »
Venessäni on priimus 2540 ulkona , Käynistyessään pitää aika poksausen . Ääni on sen verran kova että sen kuulee sevästi veneen sisälle kun yritää nukkua . :o .Tietoa miten ongelman voi korjata

Kipinäsytytys auttaa tuohon ongelmaan. Vaikka akku olisikin kunnossa, voi lämmittimen abikot olla hapettuneet jolloin syntyy jännitehäviötä. Hehkun jännite olisi hyvä olla yli 2,5 volttia.






*****
  • Karavaanari
  • Aiheen aloittaja
  • Viimeksi paikalla:15.09.2025 kello on 10:46
  • Kossu kolalla, suosittelen jos korjaaminen v..ttaa
Vs: Primus poksahtaa käynistyessään
« Vastaus #7 : 28.08.2025 kello on 14:02 »
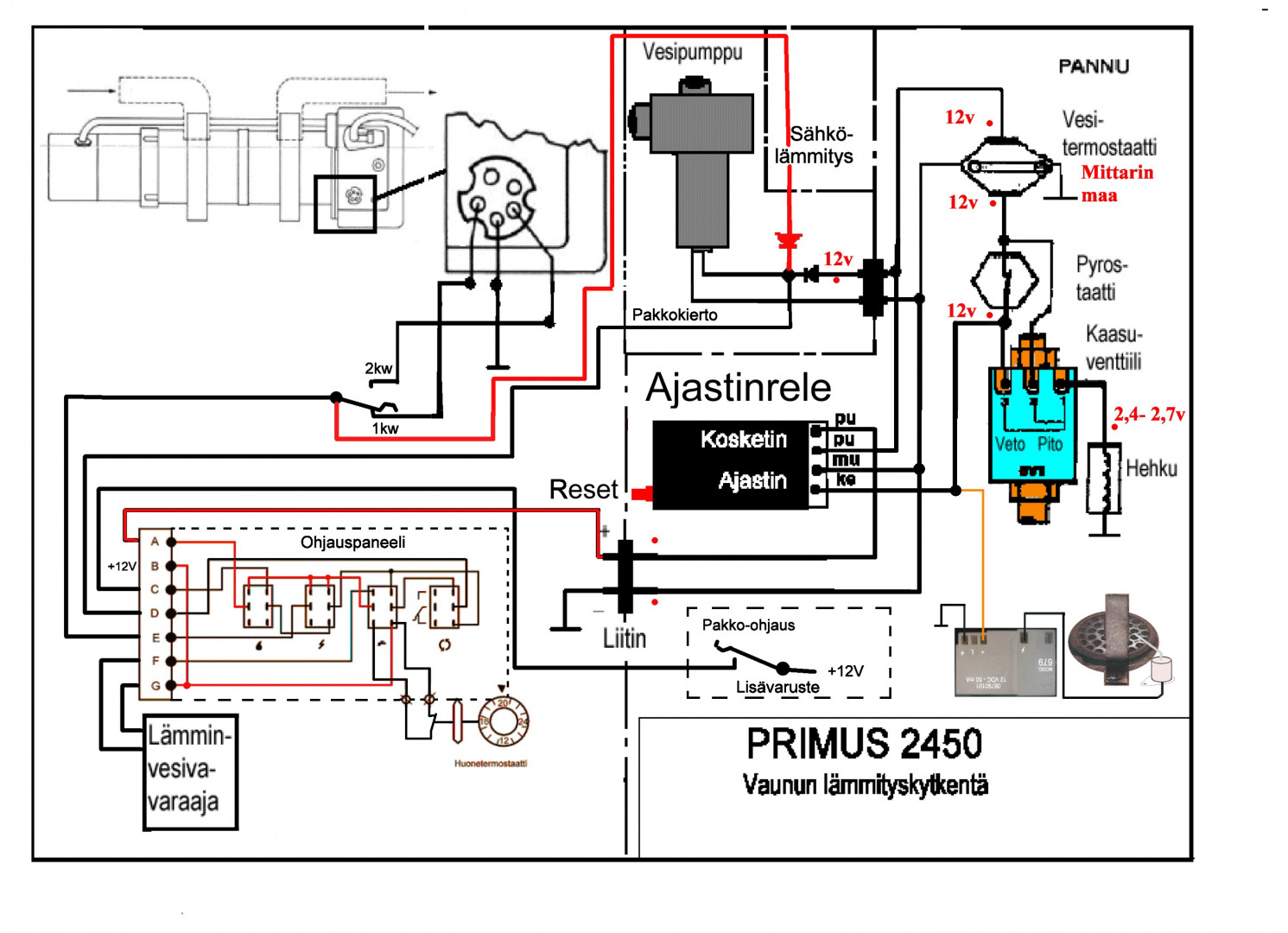
Onko kuvallista ohjetta Primus sytytysmuutos-sarjan asentamisesta , mihin on järkevintä asentaa kipinä moduli rasia  ;D

*****
  • LämmitinGuru
  • Aluevalvoja
  • Kalustoon kuuluva
  • Viimeksi paikalla:30.01.2026 kello on 22:09
Vs: Primus poksahtaa käynistyessään
« Vastaus #8 : 28.08.2025 kello on 18:35 »
Onko kuvallista ohjetta Primus sytytysmuutos-sarjan asentamisesta , mihin on järkevintä asentaa kipinä moduli rasia  ;D

https://karavaanari.org/index.php?topic=16156.0



*****
  • Karavaanari
  • Aiheen aloittaja
  • Viimeksi paikalla:15.09.2025 kello on 10:46
  • Kossu kolalla, suosittelen jos korjaaminen v..ttaa
Vs: Primus poksahtaa käynistyessään
« Vastaus #9 : 28.08.2025 kello on 18:41 »
Minulla on 2450 priimus malli  :) . Aikaisemmin ilmoitin mallin virheelisesti :o

*****
  • Kalustoon kuuluva
  • Viimeksi paikalla:tänään kello 07:36
  • Autossa on pyörät
Vs: Primus poksahtaa käynistyessään
« Vastaus #10 : 28.08.2025 kello on 19:16 »
Minulla on 2450 priimus malli  :) . Aikaisemmin ilmoitin mallin virheelisesti :o
Ei se muuksi muutu.

*****
  • LämmitinGuru
  • Aluevalvoja
  • Kalustoon kuuluva
  • Viimeksi paikalla:30.01.2026 kello on 22:09
Vs: Primus poksahtaa käynistyessään
« Vastaus #11 : 29.08.2025 kello on 21:51 »
Minulla on 2450 priimus malli  :) . Aikaisemmin ilmoitin mallin virheelisesti :o

Kuvahan on juuri siiitä lämmittimestä.

*****
  • Karavaanari
  • Aiheen aloittaja
  • Viimeksi paikalla:15.09.2025 kello on 10:46
  • Kossu kolalla, suosittelen jos korjaaminen v..ttaa
Vs: Primus poksahtaa käynistyessään
« Vastaus #12 : 2.09.2025 kello on 10:00 »
ok,hyvä juttu , oliko toi mustarasia kipinä yksikkö.  :)

*****
  • Kaikkien Kaveri
  • Viimeksi paikalla:eilen kello 23:54
Vs: Primus poksahtaa käynistyessään
« Vastaus #13 : 2.09.2025 kello on 12:14 »
Valkoinen on kipinämuuntaja.

*****
  • LämmitinGuru
  • Aluevalvoja
  • Kalustoon kuuluva
  • Viimeksi paikalla:30.01.2026 kello on 22:09
Vs: Primus poksahtaa käynistyessään
« Vastaus #14 : 3.09.2025 kello on 11:16 »
Onko kuvallista ohjetta Primus sytytysmuutos-sarjan asentamisesta , mihin on järkevintä asentaa kipinä moduli rasia  ;D

Minulla on hyvät ohjeet, mutta en laita niitä tänne kun eräs vaunuhuoltoliike käyttää niitä omina kipinä paketin myyntiohjeina. Saat sähköpostiin, kun lähetät osoitteen viestinä.

 

anything