Kirjoittaja
Aihe: Solifer käyttöohje kirja S5, S5+, S6, S6+, S7, S7+, S9, S9+, S20+ (Luettu 10014 kertaa)
« Vastaus #1 : 12.07.2021 kello on 13:40 »
Joskus maltettiin paneutua käyttöohjekirjan tekoon. Selvästi asiantuntija valmistanut ko kirjan.
« Vastaus #2 : 12.07.2021 kello on 15:30 »
Tuieeko linkkikirjastoon, täältähän vaikea löytää hetken päästä? Paitsi niiden jotka osaa. Eipä tuolta linkkikirjastostaka an kaikki löydä.
« Vastaus #3 : 12.07.2021 kello on 15:49 »
Olisi hyvä jos olisi jokin osio, mihin voisi pistää erilaisia ohjeita esim. PDF tiedostoja. Se ei siis olisi mikään keskustelu paikka, vaan pelkkä säilö, josta voisi hakea tarvittavan tiedon tai ohjeen.
« Vastaus #4 : 12.07.2021 kello on 15:59 »
Tällä on linkkikirjasto ja Mjo:n viimeinenkin on sinne jo menossa.
« Vastaus #5 : 12.07.2021 kello on 18:02 »
« Vastaus #6 : 12.07.2021 kello on 18:26 »
Tällä on linkkikirjasto ja Mjo:n viimeinenkin on sinne jo menossa.
Linkkikirjasto on ”vain” linkkikirjasto. Kaipaisin kirjastoa, jossa ohjeet ovat esim. PDF tiedostoina, eivätkä olisi ulkopuolisilla sivustoilla, jotka voivat häipyä, tai osoite muuttua. Itse lataisisin heti kaksi ohjetta.
« Vastaus #7 : 12.07.2021 kello on 19:22 »
Linkkikirjasto on ”vain” linkkikirjasto. Kaipaisin kirjastoa, jossa ohjeet ovat esim. PDF tiedostoina, eivätkä olisi ulkopuolisilla sivustoilla, jotka voivat häipyä, tai osoite muuttua. Itse lataisisin heti kaksi ohjetta.
Pitäisi olla jokin pilvitallennustila jonne voisi tunkea. Minulla on oma ja tämä Solifer S by Mjo on nyt siellä https://1drv.ms/b/s!AgskYcxlb58rkpYZOuj 8JtdEpNcVawLaitoitko pdf:nä?
Jep
« Vastaus #8 : 12.07.2021 kello on 20:05 »
"Ota mukaan vain tarpeelliset tavarat" Kyllä joskus kannattaisi ohjekirjakin lukea 
« Vastaus #9 : 13.07.2021 kello on 22:19 »
Tuota osoitteen viimeistä numeroa vaihtamalla löytyy muidenkin vaunujen ohjekirjoja ja varaosakirjoja vuosimalleittain järjestyksessä Soliferit alkavat http://80.68.113.73/files/general/file/88, joka on vm. 78-79 ja päättyen http://80.68.113.73/files/general/file/165 vm. 2014. Ensimmäinen toimiva linkki on http://80.68.113.73/files/general/file/2 jonka takaa löytyy Polarin varaosakuvia. Eri numeroita kokeilemalla löytyy myös mm Polarin ja Cabbyn ohjekirjoja ja varaosaluetteloita. Ja tosiaan: Nämä ovat edelleen Solifer-Polarin omaisuutta. Niitä saa kopioida omaan käyttöön mutta julkiseen jakoon laittaminen ilman Solifer-Polarin lupaa on tekijänoikeuslain mukaan kiellettyä. Myönnän: olen jakanut esim. omasta ohjekirjasta ottamaani kopiota julkisesti täälläkin.
« Vastaus #10 : 13.07.2021 kello on 22:25 »
Ja tosiaan: Nämä ovat edelleen Solifer-Polarin omaisuutta. Niitä saa kopioida omaan käyttöön mutta julkiseen jakoon laittaminen ilman Solifer-Polarin lupaa on tekijänoikeuslain mukaan kiellettyä.
Myönnän: olen jakanut esim. omasta ohjekirjasta ottamaani kopiota julkisesti täälläkin.
Linkkejä materiaaliin saa jakaa, mutta materiaalia ei. Lisäksi jokainen joka on tänne rekisteröitynyt, on hyväksynyt tämän: Käyttäjä myös sitoutuu olemaan lähettämättä tekijänoikeuksin suojattua materiaalia ellet omista tekijänoikeutta tai olet saanut kirjallisen suostumuksen tekijänoikeuden omistajalta (huom. linkittäminen ei ole kiellettyä).
« Vastaus #11 : 14.07.2021 kello on 08:55 »
Linkkejä materiaaliin saa jakaa, mutta materiaalia ei.
Lisäksi jokainen joka on tänne rekisteröitynyt, on hyväksynyt tämän:
Tuon mukaan minun jako on kielletty, otankos pois vai tulkitsinko väärin ?
« Vastaus #12 : 14.07.2021 kello on 20:10 »
Tuon mukaan minun jako on kielletty, otankos pois vai tulkitsinko väärin ?
Älä ota, ei sillä ole enään omistajaa. Hirveetä pelleilyä toisilla.
« Vastaus #13 : 16.07.2021 kello on 09:42 »
Tuota osoitteen viimeistä numeroa vaihtamalla löytyy muidenkin vaunujen ohjekirjoja ja varaosakirjoja vuosimalleittain järjestyksessä Soliferit alkavat http://80.68.113.73/files/general/file/88, joka on vm. 78-79 ja päättyen http://80.68.113.73/files/general/file/165 vm. 2014.
Ensimmäinen toimiva linkki on http://80.68.113.73/files/general/file/2 jonka takaa löytyy Polarin varaosakuvia. Eri numeroita kokeilemalla löytyy myös mm Polarin ja Cabbyn ohjekirjoja ja varaosaluetteloita.
Ja tosiaan: Nämä ovat edelleen Solifer-Polarin omaisuutta. Niitä saa kopioida omaan käyttöön mutta julkiseen jakoon laittaminen ilman Solifer-Polarin lupaa on tekijänoikeuslain mukaan kiellettyä.
Myönnän: olen jakanut esim. omasta ohjekirjasta ottamaani kopiota julkisesti täälläkin.
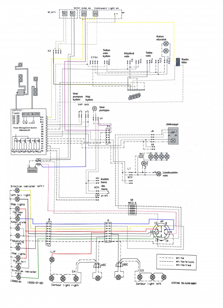
Toi oli hyvä oivallus, viimeisen numeron muuttaminen. Sieltä löytyi paljon ohjekirjoja, mutta ei edelleenkään Solifer S6+ kytkentäkuvaa.
« Vastaus #14 : 13.08.2021 kello on 20:04 »
Nyt olis johdatuskuvia S3, S4, S5, S5+, S6, S7+, S9+ ja S20+. Miten edetään? Tai minne piilotetaan. Tässä minun modifoitu S6. 
|