rekisteriseloste
Tervetuloa,
Vieras
. Ole hyvä ja
kirjaudu
tai
rekisteröidy
.
Jäikö
aktivointi sähköposti
saamatta?
1 tunti
1 päivä
1 viikko
1 kuukausi
Ikuisesti
Tämä on julkinen tietokone :
Kirjautuaksesi anna tunnus, salasana ja istuntosi pituus
Etusivu
Ohjeet
Haku
Kalenteri
Viesti ylläpidolle
Linkkikirjasto
Chatti
Kirjaudu
Rekisteröidy
KaravaanariWiki
Portaali
Karavaanarin keskustelufoorumi
»
Tekniikkakeskustelut
»
Matkailuvaunut
»
Aihe:
Solifer käyttöohje kirja S5, S5+, S6, S6+, S7, S7+, S9, S9+, S20+
Tiedote rekisteröitymisestä
Jos et ole saanut vahvistusviestiä rekisteröitymisestä
si, tarkista roskapostikansiosi. Tämä erityisesti hotmail ja gmail sähköpostin käyttäjille.
« edellinen
seuraava »
Etusivulle
Vastaa
Tulostusversio
Sivuja:
[Edelliselle sivulle]
1
[
2
]
Siirry alas
Kirjoittaja
Aihe: Solifer käyttöohje kirja S5, S5+, S6, S6+, S7, S7+, S9, S9+, S20+ (Luettu 10015 kertaa)
*****
LämmitinGuru
Kalustoon kuuluva
Aiheen aloittaja
Viimeksi paikalla:22.05.2026 kello on 06:57
Vs: Solifer käyttöohje kirja S5, S5+, S6, S6+, S7, S7+, S9, S9+, S20+
«
Vastaus #15 :
15.08.2021 kello on 18:11 »
Lainaus
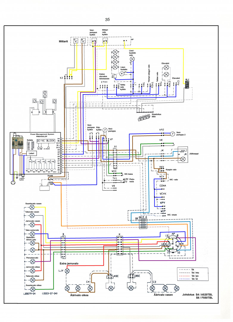
Tässä S6 päivitetty. Molemmat tyypit.
«
Viimeksi muokattu: 15.08.2021 kello on 18:38
»
Etusivulle
Vastaa
Tulostusversio
Sivuja:
[Edelliselle sivulle]
1
[
2
]
Siirry ylös
« edellinen
seuraava »
Karavaanarin keskustelufoorumi
»
Tekniikkakeskustelut
»
Matkailuvaunut
»
Aihe:
Solifer käyttöohje kirja S5, S5+, S6, S6+, S7, S7+, S9, S9+, S20+
anything