rekisteriseloste

Tiedote rekisteröitymisestä

Jos et ole saanut vahvistusviestiä rekisteröitymisestä si, tarkista roskapostikansiosi. Tämä erityisesti hotmail ja gmail sähköpostin käyttäjille.

Kirjoittaja Aihe: Trumatic e2400 ei käynnisty  (Luettu 10331 kertaa)

*****
  • Matkailija
  • Aiheen aloittaja
  • Viimeksi paikalla:13.02.2025 kello on 21:19
Trumatic e2400 ei käynnisty
« : 27.06.2021 kello on 22:34 »
Morjensta

Mikähän mahtais olla analyysi Trumatic e2400 käynnistys ongelmaan. Puhaltimet lähtee päälle ja yrittää niksuttaa hyvin lyhyen aikaa tulta päälle mutta eipä syty. Aattelin vaihtaa ainakin vanhan sulake pesän uuteen lattamalliin. Virtaa tulee vempeleeseen mutta liekkö riittävästi. Kaasua ilmeisesti saapi kun ns. hormi hiukka tuoksuu kaasulle. Pelasi viime vuonna vielä ihan ok, jos vaan virtaa piisasi.

*****
  • LämmitinGuru
  • Aluevalvoja
  • Kalustoon kuuluva
  • Viimeksi paikalla: 4.12.2025 kello on 11:57
Vs: Trumatic e2400 ei käynnisty
« Vastaus #1 : 28.06.2021 kello on 07:29 »
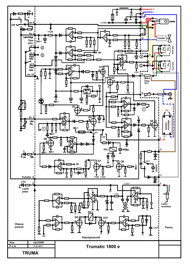
Mittaa kuvan mukaan.



*****
  • Matkailija
  • Aiheen aloittaja
  • Viimeksi paikalla:13.02.2025 kello on 21:19
Vs: Trumatic e2400 ei käynnisty
« Vastaus #2 : 28.06.2021 kello on 10:09 »
Pitääpä kokeilla jos osais mitata. Kiitos.

*****
  • Matkailija
  • Aiheen aloittaja
  • Viimeksi paikalla:13.02.2025 kello on 21:19
Vs: Trumatic e2400 ei käynnisty
« Vastaus #3 : 28.06.2021 kello on 12:06 »
Näyttää jotain 0.02 ja 0.06 riippuen kummalta puolen vastusta mittaa, jos osasin mitata oikein. Olikos kyseessä jännite mitä mitattiin, ohmit sun muut on hepreaa meikäläiselle.

*****
  • Matkailija
  • Aiheen aloittaja
  • Viimeksi paikalla:13.02.2025 kello on 21:19
Vs: Trumatic e2400 ei käynnisty
« Vastaus #4 : 28.06.2021 kello on 12:47 »
Tuossa vielä mittailin kaverin puhelin opastuksella ja laitoin mustan piuhan maahan. Punaisella johdolla mittasin vastuksen lukemia.
0.02 ja 0.094 oli lukemat riippuen kummalla puolen vastusta kärki oli. Jännitemittarin säädin oli asennossa 2 V. Ollanko päätelty oikein että säädin toimii.

Eli silloin jännite-ero eli se deltaU on noiden erotus = 0.064 V

Prosyyrissa oli min 0.015 V ja max 0.160 V

Eli pitäs olla speksien sisällä 🤔

*****
  • Kaikkien Kaveri
  • Viimeksi paikalla:tänään kello 17:10
Vs: Trumatic e2400 ei käynnisty
« Vastaus #5 : 28.06.2021 kello on 14:01 »
Virta vaikuttaisi olevan ok.

Kipinämuuntaja varmaan toimii, kun kerran naksuttaa.
Ei kuitenkaan välttämättä lyö kipinää kärjen ja arinan väliin, jos johdon- tai kärjen eriste on haurastanut ja lyö maihin jossain muualla.

*****
  • Matkailija
  • Aiheen aloittaja
  • Viimeksi paikalla:13.02.2025 kello on 21:19
Vs: Trumatic e2400 ei käynnisty
« Vastaus #6 : 28.06.2021 kello on 14:12 »
Eipä se varmaan naksuttele  yhden pienen naksauksen päästää kun lähteepäälle ja sitten rapisee hetken puhallin. Pitäis ilmeisesti tasaseen naputtaa. Ei oikein oo kokemusta näistä Trumaticeista miten pitäis toimia oikein. Purin tuon vempaimen pois tuosta ja ainakin pakoputki oli uusimisen tarpeessa. Putki poikki tuosta klemmarin juuresta.

*****
  • Matkailija
  • Aiheen aloittaja
  • Viimeksi paikalla:13.02.2025 kello on 21:19
Vs: Trumatic e2400 ei käynnisty
« Vastaus #7 : 28.06.2021 kello on 16:25 »
Morjensta vaan.

*****
  • Matkailija
  • Aiheen aloittaja
  • Viimeksi paikalla:13.02.2025 kello on 21:19
Vs: Trumatic e2400 ei käynnisty
« Vastaus #8 : 28.06.2021 kello on 16:37 »
Ei vissiin anna kipinää tuo Trumatic. Nyt kun koje on tuossa ilman koteloa huomaa mistä äänet tulee. Puhallin saattaa jotain kilahdusta päästää käynnistäessä. Säätimen piirikortissa tai siinä kipinässä on lienee jotain vikaa. Mitenhän tuota tutkisi eteenpäin.

*****
  • LämmitinGuru
  • Aluevalvoja
  • Kalustoon kuuluva
  • Viimeksi paikalla: 4.12.2025 kello on 11:57
Vs: Trumatic e2400 ei käynnisty
« Vastaus #9 : 28.06.2021 kello on 18:58 »
Mittaa C2 konkan vasemmasta päästä, että latautuu. Jos ei lataannu ei kaasuventtiili vedä.






*****
  • Matkailija
  • Aiheen aloittaja
  • Viimeksi paikalla:13.02.2025 kello on 21:19
Vs: Trumatic e2400 ei käynnisty
« Vastaus #10 : 28.06.2021 kello on 20:07 »
Jeps. Purin tuota varsinaista vempelettä ja eipä siellä mitään kauhean hapettunutta juttua ollut. Palopää ja ne sytytinkärjet oli siistin näköiset. Kaasuventtiili oli toisesta ruuvista löystynyt. Pistän takaisin kasaan ja suhauttelen vielä johtoliitokset kasaan. Mittaan tuon konkan jahka opiskelen miten mittaus tapahtuu.

*****
  • Matkailija
  • Aiheen aloittaja
  • Viimeksi paikalla:13.02.2025 kello on 21:19
Vs: Trumatic e2400 ei käynnisty
« Vastaus #11 : 28.06.2021 kello on 20:30 »
Morjensta vaan taas. Fluken sivuilta kattelin resistanssin mittausta. 2K asennolla mitattuna mittariin tuli lukema .534. Eli jotain varausta vissiin kertyy. Konkat on tässä piirilevyssä kaikki tollasta mallia missä + ja - on samassa päässä.

*****
  • LämmitinGuru
  • Aluevalvoja
  • Kalustoon kuuluva
  • Viimeksi paikalla: 4.12.2025 kello on 11:57
Vs: Trumatic e2400 ei käynnisty
« Vastaus #12 : 28.06.2021 kello on 21:26 »
Mittaa se konkka jännitemittarilla miinusta vastaan,

*****
  • LämmitinGuru
  • Aluevalvoja
  • Kalustoon kuuluva
  • Viimeksi paikalla: 4.12.2025 kello on 11:57
Vs: Trumatic e2400 ei käynnisty
« Vastaus #13 : 28.06.2021 kello on 21:37 »
Jos konkka ei lataudu niin tarkista mikrotenp ilman ulostuloaukosta.

*****
  • Matkailija
  • Aiheen aloittaja
  • Viimeksi paikalla:13.02.2025 kello on 21:19
Vs: Trumatic e2400 ei käynnisty
« Vastaus #14 : 29.06.2021 kello on 12:29 »
Morjensta. Jos oikein katselin tuota kuvaa niin nastat 15 ja 17 on mikrotempin liittimen paikat. Piippaus käy mittarissa niin mikrotempin pitäis olla kunnossa. Tuo konkka mitä tässä ollaan mittailtu on vähän vuotanut, niin saattais olla syypää.