rekisteriseloste

Tiedote rekisteröitymisestä

Jos et ole saanut vahvistusviestiä rekisteröitymisestä si, tarkista roskapostikansiosi. Tämä erityisesti hotmail ja gmail sähköpostin käyttäjille.

Kirjoittaja Aihe: Inventterin kautta 220V sähkön ryhmäkeskukseen.  (Luettu 25842 kertaa)

*****
  • Karavaanari
  • Aiheen aloittaja
  • Viimeksi paikalla:26.02.2023 kello on 16:41
  • SF Caravan 53972
Mietin miten saisi rakennettua akkujen ja seinäsähkön vaihdon mahdollisimman helpoksi.
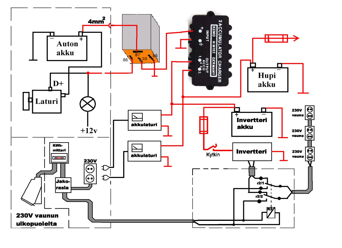
Vähän vaikea selitellä aihetta, periaatekuva selventäisi mutta ei ole nyt tähän hätään sopivaa versiota.

Nyt haluaisin hupiakuilta inventterin kautta 220V sähkön ryhmäkeskukseen. Yritän rakentaa niin että kun seinäpistoke työnnetään linjurin kylkeen, niin laukeaa akuilta/invertteriltä tuleva syöttö pois automaattisesti.
Jos olen oikein ymmärtänyt, niin kontaktori hoitaisi tämän vaihdon. Kuitenkin sen verran outo alue mulle että kyselen enemmän tietäviltä.
Siis niin että kontaktori vaihtaa akku/inventterin 220V ja seinäpistokkeen 220V syötöt automaattisesti.

Kysymys kuuluukin tietäjille:
Minkälaisia kontaktoreja olette käyttäneet. Pitäisi saada siis kontaktori kiinnitettyä ryhmäkeskuksen kiinnityksiin/kiskoon?
Jos löytyisi asennuspiirutus niin sähköasentaja voisi hoitaa asennuksen?

*****
  • LämmitinGuru
  • Kalustoon kuuluva
  • Viimeksi paikalla:30.01.2026 kello on 22:09
Vs: Inventterin kautta 220V sähkön ryhmäkeskukseen.
« Vastaus #1 : 1.01.2021 kello on 13:52 »
Jotain tämän suuntaista.



*****
  • Kalustoon kuuluva
  • Viimeksi paikalla:eilen kello 22:03
Vs: Inventterin kautta 220V sähkön ryhmäkeskukseen.
« Vastaus #2 : 1.01.2021 kello on 14:16 »
Kysymys kuuluukin tietäjille:
Minkälaisia kontaktoreja olette käyttäneet. Pitäisi saada siis kontaktori kiinnitettyä ryhmäkeskuksen kiinnityksiin/kiskoon?

https://www.talotarvike.com/hager-valirele-erc218-1s-1a-16a-k-230v-p37057

Näillä voi kytkennän tehdä niin, että saa koko olemassa olevan 'verkon' joko intikan tai maasähkön taakse.

*****
  • LämmitinGuru
  • Kalustoon kuuluva
  • Viimeksi paikalla:30.01.2026 kello on 22:09
Vs: Inventterin kautta 220V sähkön ryhmäkeskukseen.
« Vastaus #3 : 1.01.2021 kello on 16:14 »
Pitää huomioida, että laturin verkkojohto on vain verkon liitännässä. Välirele on kytkennässäni.

*****
  • Kalustoon kuuluva
  • Viimeksi paikalla:30.01.2026 kello on 11:11
Vs: Inventterin kautta 220V sähkön ryhmäkeskukseen.
« Vastaus #4 : 1.01.2021 kello on 20:59 »
Mulla vastaava projekti Fränkissä menossa. Sen alkup 230VAC keskus meni vaihtoon, liian pieni kotelo...

6 ryhmälähtöä, joista 3 ei tule saamaan invertteriltä mitää (EBL, jk, Alde). Pilkkoa pitää alkuperäinen kytkentä..


https://verkkokauppa.slo.fi/fi/valirele-230vac-vs316-3vk-16a-250vac-2707103
Tuollainen piti hakea tukusta, vajaa 30€ alennuksilla - eli ei kalliimpi kuin kuin 2 Hageria..
Tässä 16A välireleessä 3x vaihtokärjet, eli 2-napaisesti katkaisee (= 1 kpl). HUOM! Elektroninen, hurinaton. Edellisessä autossa oli Hagerin välireleet tuplana, ja jos ne kytkee noin kuten mjo:n kuvassa, saa tottua hurinaan aina verkkovirrassa.. nyt kytken toisin; 230V seinästä kulkee nc-kärjistä(kela jännitteetön=ei hurise edes Hager) - vetää siis invertterin avustamana (priorisointi näin päin). Ehkä laitan monitoimireleen vetohidastuksella (2s), verkkokatko tarkoituksella..
Nuo nyky elektroniset releet siitä mukavia, että ohjausjännite voi olla 12-240VAC/VDC.

Kaukokäynnistyksell ä (ohjauspanelissa)2kW invertteri tuplapohjassa. Sen syöttämät lähdöt C16 vvs:n takana, ja invertteriltä pois jätetyt B16 automaatin (2-nap) takana, ei siis vvs:ää..
Dometicin kattoilmastoinnin pistorasia tulee invertteriltä.. laittelen kuvia kuhan valmistuu..

E: jonkun sanan tietty voi sanoa käyttöluokista; tuolla Hagerilla parempi AC-7 (lievästi induktiiviset kuormat), kun taas tuo Elkon on vain AC-1 (resistiiviset kuormat). Mutta tuo koskee enempi kärkien kytkentä-/erotustapahtumaa - tuota "verkonvaihtoa" ei kannata toteuttaa kuormallisena milloinkaan. Induktiivisten (tai kapasitiivisten) kuormien kanssa liian nopea vaihto voi olla pahasta kun vaihe-erosta tahdistamattomilla verkoilla ei ole mitään takeita. Pahimmassa tapauksessa jännite-eroa erivaiheissa jännitteissä olla 400V vaikka 230V onkin kyse.. Näiden releiden nimellisjännitekin on vain 250V.
« Viimeksi muokattu: 1.01.2021 kello on 21:41 »

*****
  • Kalustoon kuuluva
  • Viimeksi paikalla:eilen kello 22:03
Vs: Inventterin kautta 220V sähkön ryhmäkeskukseen.
« Vastaus #5 : 1.01.2021 kello on 21:09 »
6 ryhmälähtöä, joista 3 ei tule saamaan invertteriltä mitää (EBL, jk, Alde). Pilkkoa pitää alkuperäinen kytkentä..

Muista jättää laturikin pois.

*****
  • Kalustoon kuuluva
  • Viimeksi paikalla:30.01.2026 kello on 11:11
Vs: Inventterin kautta 220V sähkön ryhmäkeskukseen.
« Vastaus #6 : 1.01.2021 kello on 21:20 »
Muista jättää laturikin pois.
Meni hivenen ohi multa - muita Frakissa ei ole kuin EBL..

Mutta jotka mietitte kytkentöjä, niin pohtikaa myös kärkien maksimikuormia mitä noilla releillä on ilmoitettu - se on aika kaukana 16A. Ja esim 2 hageria rinnan vaatisi ½din välisovitteen isoimmilla kuormilla. Liekö lämmön takia. Ja 2 relettä siltaamatta (mek.), vikatilanteessa voi 2 eri vaiheista jännitettä tuottaa sen 400V, tai enempikin jos invertterin potentiaalintasaus (kevi) unohtunut.. siis jos seinärasiassa verkkosähköt ja invertteri laulaa..

*****
  • Kaikkien Kaveri
  • Viimeksi paikalla:tänään kello 00:27
Vs: Inventterin kautta 220V sähkön ryhmäkeskukseen.
« Vastaus #7 : 1.01.2021 kello on 21:49 »
 nyt on alan ammattilaiset asialla, ei tarvitse murehtia onko lupia edes tehdä sähkötöitä.

*****
  • Kalustoon kuuluva
  • Viimeksi paikalla:eilen kello 22:03
Vs: Inventterin kautta 220V sähkön ryhmäkeskukseen.
« Vastaus #8 : 1.01.2021 kello on 22:38 »
Meni hivenen ohi multa - muita Frakissa ei ole kuin EBL..

No, sitä tarkoitin.
Turha sille on intikalla sähköä syöttää.

*****
  • Kalustoon kuuluva
  • Viimeksi paikalla:30.01.2026 kello on 11:11
Vs: Inventterin kautta 220V sähkön ryhmäkeskukseen.
« Vastaus #9 : 1.01.2021 kello on 22:41 »
No, sitä tarkoitin.
Turha sille on intikalla sähköä syöttää.
Olevinaan sen mainitsin  :D
..
6 ryhmälähtöä, joista 3 ei tule saamaan invertteriltä mitää (EBL, jk, Alde).
...

*****
  • Kalustoon kuuluva
  • Viimeksi paikalla:eilen kello 22:03
Vs: Inventterin kautta 220V sähkön ryhmäkeskukseen.
« Vastaus #10 : 1.01.2021 kello on 22:43 »
nyt on alan ammattilaiset asialla, ei tarvitse murehtia onko lupia edes tehdä sähkötöitä.

Tässähän suunnitellaan, asentaminen on eri asia.
Minäkin olen suunnitellut paljon laitteita, joita ei minulla ollut lupaa asentaa...
Eikä ole Loviisassa kumpikaan laitos vielä pamahtanut.   8)

*****
  • Kalustoon kuuluva
  • Viimeksi paikalla:eilen kello 22:03
Vs: Inventterin kautta 220V sähkön ryhmäkeskukseen.
« Vastaus #11 : 1.01.2021 kello on 22:44 »
Olevinaan sen mainitsin  :D

Kas, lukihäiriö...    :-[

*****
  • Karavaanari
  • Viimeksi paikalla:28.09.2021 kello on 19:19
Vs: Inventterin kautta 220V sähkön ryhmäkeskukseen.
« Vastaus #12 : 2.01.2021 kello on 01:13 »
Ei kannata hirveetä vaivaa nähdä kun on valmiita invertterejä missä on tuo vaihto sisäänrakennettu. Tulee vertti syötön ja kaapin väliin ja senku tökkii piuhaa miten vaa ees taas haluaa ja esim sähkökatkossa jää akuille eikä virrat räpsi ja on suoraan akkulaturit ja aurinkokenno säätimet.


Esim tollanen

https://www.vapaakauppa.net/hybridilaite-24v-invertteri-3000w-laturi-50a-mppt-saadin-50a.html


*****
  • Kalustoon kuuluva
  • Viimeksi paikalla:eilen kello 19:25
  • Autossa on pyörät
Vs: Inventterin kautta 220V sähkön ryhmäkeskukseen.
« Vastaus #13 : 2.01.2021 kello on 08:52 »
^
Ei kovin monelle tuo 24v laite käy.
Lisäksi niille kenellä on join EBL tms autossaan , tuo laturi ominaisuus ihan turha.
Itsellä Waecon kaukosäädettävä joka releen kera vaihtaa kaikki rasiat intikan syöttämäksi.
pl EBL.n syöttö

*****
  • Karavaanari
  • Viimeksi paikalla:28.09.2021 kello on 19:19
Vs: Inventterin kautta 220V sähkön ryhmäkeskukseen.
« Vastaus #14 : 2.01.2021 kello on 10:40 »
Saa noita myös 12v.

Tuo lataus onki muuten ihan kätevä kun voi määritellä että suoraan verkosta ei oteta kun latauksen verran minkääärän voi säätää ja varsinainen käyttö otetaan akuista.

Vaikka ois pienikin sulake syöttötolpassa niin tolla saa tasattuu kivasti kulutuksen vaikka mikrolla vähä kokkaiskin samalla ku kaffia keittelee.