rekisteriseloste

Tiedote rekisteröitymisestä

Jos et ole saanut vahvistusviestiä rekisteröitymisestä si, tarkista roskapostikansiosi. Tämä erityisesti hotmail ja gmail sähköpostin käyttäjille.

Kirjoittaja Aihe: Soliferiin lämminvesivaraaja  (Luettu 22264 kertaa)

*****
  • Kalustoon kuuluva
  • Viimeksi paikalla:19.01.2026 kello on 16:29
  • Kabe, nuperoauto, sillä mennään nyt.
Vs: Soliferiin lämminvesivaraaja
« Vastaus #15 : 1.10.2019 kello on 21:10 »
  ^
Entäs jos tuo T-liitos puskassa pakkasella ratkeaa.

*****
  • Karavaanari
  • Viimeksi paikalla:25.09.2025 kello on 10:13
Vs: Soliferiin lämminvesivaraaja
« Vastaus #16 : 2.10.2019 kello on 08:57 »
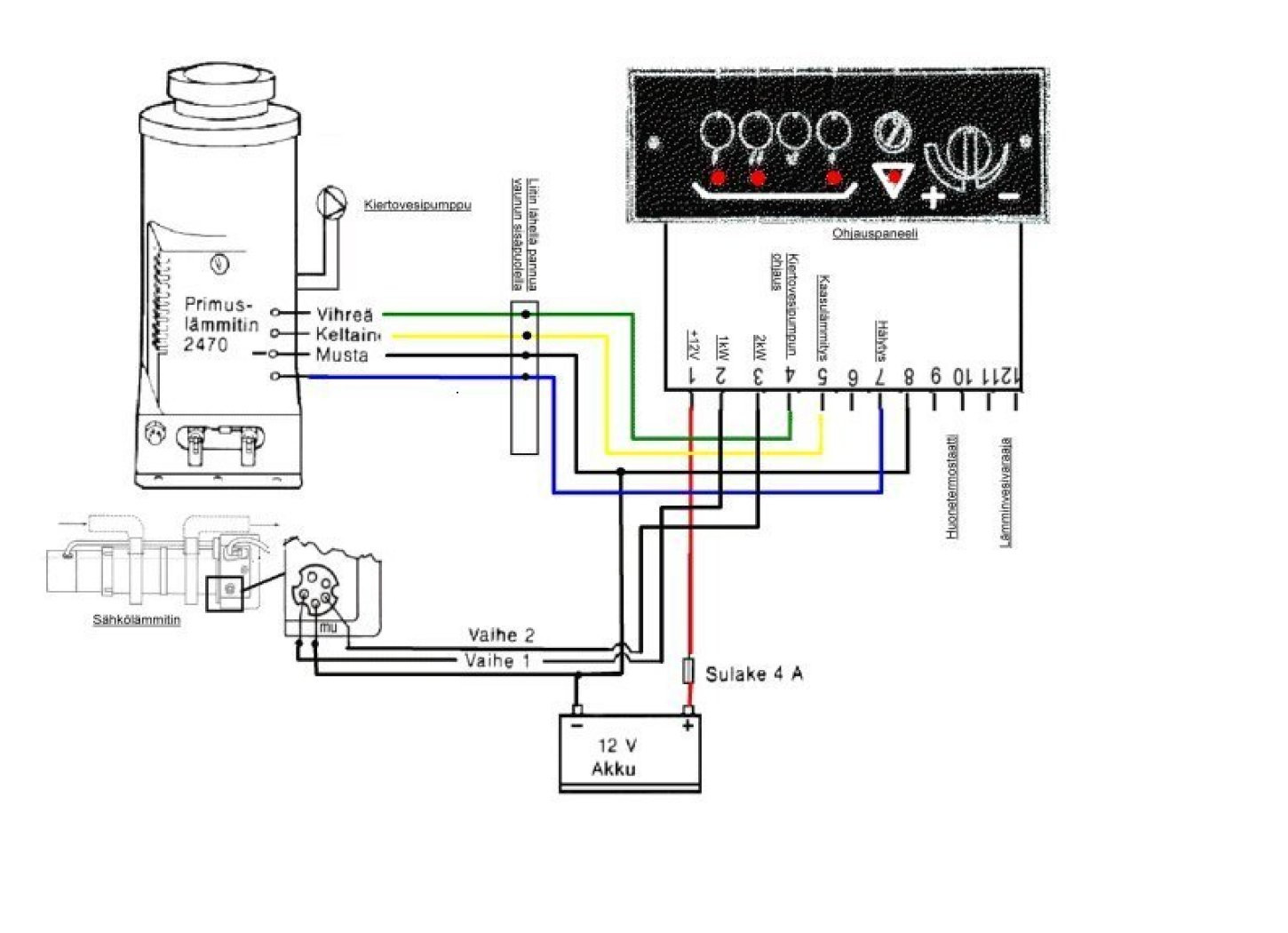
Hannu P, kiitos kuvasta. Onko tuo alunperin ollut vaunussa? Tuo on sama kytkentä kuin "svc" ehottaa. Taidan kytkeä varaajan tuon mukaan.

*****
  • Matkailija
  • Viimeksi paikalla:31.12.2025 kello on 08:43
Vs: Soliferiin lämminvesivaraaja
« Vastaus #17 : 2.10.2019 kello on 09:19 »
Kyllä se on tehtaanjäljiltä tuossa. Tuon t-haaran vois itekkin korvata metallisella, onhan letkut jo 30vuotta vanhoja.

*****
  • Karavaanari
  • Viimeksi paikalla:25.09.2025 kello on 10:13
Vs: Soliferiin lämminvesivaraaja
« Vastaus #18 : 2.10.2019 kello on 20:02 »
Olen ihmetellyt Soliferissä olevat sähköasennukset. Siellä on kyllä ollut sähköasentajia, jotka eivät ole tiennyt sähköturvallisuudes ta yhtään mitään. Kaapelit ja johdot ovat asennettu kuinka sattuu. Omassa sähköpatruunan syöttö on kytketty abikoilla, niitä käytetään ainoastaan pienjännitteelle, ei verkkovirralle. Siinä viimeisessä kuvan vaunussa kaksi johdinta kulkee lämmityspatterin rimojen yli, ei tee hyvää eristeelle, jne, jne. Saattaa tietysti olla niin, että verkkojännite ei ole matkailuajoneuvoiss a niin vaarallinen!?  :o

*****
  • Kalustoon kuuluva
  • Viimeksi paikalla:eilen kello 22:03
Vs: Soliferiin lämminvesivaraaja
« Vastaus #19 : 2.10.2019 kello on 20:19 »
Omassa sähköpatruunan syöttö on kytketty abikoilla, niitä käytetään ainoastaan pienjännitteelle, ei verkkovirralle.

Jaa...
Ihan nuo tehtaallakin kytkee Abikoilla.

*****
  • LämmitinGuru
  • Kalustoon kuuluva
  • Viimeksi paikalla:30.01.2026 kello on 22:09
Vs: Soliferiin lämminvesivaraaja
« Vastaus #20 : 2.10.2019 kello on 20:20 »
Omassa sähköpatruunan syöttö on kytketty abikoilla, niitä käytetään ainoastaan pienjännitteelle, ei verkkovirralle.

Mitä tuolla tarkoitat? Kyllä abikoja käytetään myös verkkojännitteessä, mutta ne ei ole mitään huoltoasema abikoja. Patruunan ulkopuolella olevat abikot on 12 voltille.

*****
  • Matkailija
  • Viimeksi paikalla:31.12.2025 kello on 08:43
Vs: Soliferiin lämminvesivaraaja
« Vastaus #21 : 2.10.2019 kello on 20:23 »
Se on patruunan ohjausjännite eli 12v kaapeli, tokihan senkään ei ole hyvä hangata johonkin terävään. Meillä on oikeanpuolen piuhat miten sattuu, kun vaunulle on joskus tapahtunut jotain ja joku on sen korjannut.

*****
  • Karavaanari
  • Viimeksi paikalla:25.09.2025 kello on 10:13
Vs: Soliferiin lämminvesivaraaja
« Vastaus #22 : 3.10.2019 kello on 08:24 »
OK. Annetaan anteeksi Soliferille. Näköjään muissakin vaunuissa on samanlaisia hässäköitä. Entäs jos autojen sähköasnnukset olisiva toteutettu samalla lailla, kuinka moni ostaisi auton?

*****
  • Kalustoon kuuluva
  • Viimeksi paikalla:tänään kello 07:36
  • Autossa on pyörät
Vs: Soliferiin lämminvesivaraaja
« Vastaus #23 : 3.10.2019 kello on 08:53 »
OK. Annetaan anteeksi Soliferille. Näköjään muissakin vaunuissa on samanlaisia hässäköitä. Entäs jos autojen sähköasnnukset olisiva toteutettu samalla lailla, kuinka moni ostaisi auton?
Tollainen naimaiän ylittänyt kuljin on kyllä kaikkea muuta kuin tehtaan jäljiltä johdoiltaankin.
Noita sähköpatruunoitakin on asenneltu jälkikäteen.

*****
  • Karavaanari
  • Viimeksi paikalla:25.09.2025 kello on 10:13
Vs: Soliferiin lämminvesivaraaja
« Vastaus #24 : 8.10.2019 kello on 15:15 »
Nyt on lämminvesivaraaja asennettu. Veljen vaunusta otettu kuva kertoi, että patteriverkoston letkun koko on 16mm, joten ostin senkokoinen T-haara. Todellisuudessa letkun koko on 19mm, joten 16mm:n T-haara supisti kierron niin, että kierto tapahtui ainoastaan lämminvesivaraajaan . Vaihdoin 19mm:ksi ja nyt kiertää niin kuin pitää. Oma työ oli myös saada ilma pois systeemistä. Nostin vaunun etupää niin korkealle kuin pystyin ja pikku hiljaa tuli ilma pois.
Ilmeni myös että lämmitin lähti hyvin käyntiin kylmänä kunnes sammui kun lämpötila oli saavutettu, eikä lähtenyt enää sen jälkeen käyntiin. Kun vaunu on kytketty verkkon toimii kaikki OK. En ole vielä tutkinut onko akku huono vai mistä kiikastaa. Jännite on kuitenkin liian matala hehkulle kun käyttää vain akkua, joten viittaa siihen, että akku ei ole paras mahdollinen.
Vanhojen kanssa kun värkkää, niin aina on korjattavaa tai parannettavaa.
JK
Paljonko hehku ottaa virtaa? Tilasin jännitten muuntimen (4,5-12V sisään ja 2,5V ulos), mutta huomasin että se kestää vain 800mA. Niitä tulee 3 kpl, joten ehkä kytken ne rinnan? (hinta vähän yli 2 euroa yhteensä kotiin tuotuna, ei ole katastrooffi vaikkei toimisikaan, tämä olisi ensiapu)

*****
  • LämmitinGuru
  • Kalustoon kuuluva
  • Viimeksi paikalla:30.01.2026 kello on 22:09
Vs: Soliferiin lämminvesivaraaja
« Vastaus #25 : 8.10.2019 kello on 21:54 »
Ei toi ongelma akusta johdu vaan huonoista liitoksista  akun ja pannun välillä.



*****
  • Karavaanari
  • Viimeksi paikalla:25.09.2025 kello on 10:13
Vs: Soliferiin lämminvesivaraaja
« Vastaus #26 : 9.10.2019 kello on 19:31 »
Kiitos vastauksesta. Tiesin että sinä mjo33400 jos joku tietää. Vaunu saa nyt olla talvilevolla. Jatkan kun lämpötilat paranevat. Luulen että aloitan asentamalla relekytkentä.  :)

*****
  • LämmitinGuru
  • Kalustoon kuuluva
  • Viimeksi paikalla:30.01.2026 kello on 22:09
Vs: Soliferiin lämminvesivaraaja
« Vastaus #27 : 9.10.2019 kello on 20:10 »
Kiitos vastauksesta. Tiesin että sinä mjo33400 jos joku tietää. Vaunu saa nyt olla talvilevolla. Jatkan kun lämpötilat paranevat. Luulen että aloitan asentamalla relekytkentä.  :)

Hyvä päätös ja halpa. Thumb

*****
  • Karavaanari
  • Viimeksi paikalla:25.09.2025 kello on 10:13
Vs: Soliferiin lämminvesivaraaja
« Vastaus #28 : 19.10.2019 kello on 15:25 »
Terve taas. Nyt on relekytkentä suoritettu, ei vaikutusta. Siinähän kävi niin kuin arvasin, pyrostaatin kytkentänsatat menivät poikki. Uusi on tulossa. Torstaina testautin akun eikä se ollut hyvä. Kävin ostamassa uuden akun minkä laitoin lataukseen ja nyt näyttää pelittävän. On ollut lämmitys pällä vuorokauden eikä häiriövalo ole syttynyt. Nyt odotetaan kevättä.

*****
  • Karavaanari
  • Viimeksi paikalla:25.09.2025 kello on 10:13
Vs: Soliferiin lämminvesivaraaja
« Vastaus #29 : 31.10.2019 kello on 11:18 »
Jatketaan tässä, vaikkei oikein kuulu tähän.
Uusi akku, relekytkentä, se missä ohitetaan pyrostaatin ja termostaatin, ja aina vaan käynnistysongemia kun kylmästä lämpimään eikä sen jälkeen syty uudestaan. Eilen aamulla avasin toisen kaasuventtiilin ja sen jälkeen (ainakin tähän saakka) on käynyt akulla ja hyvin on pelannut. Tänä aanuna suljin sen toisen venttiilin, ja sama rumba, ei käynnistunut, meni vikatilaan. Kuitenkin pihisee ja haisee kaasulle, kun on vain se ykkösventtiili auki, mutta ei syty.Jossain vaiheessa pitää avata pohjaosan pannusta (jos ymmärrän siitä jotain) ja putsata.
Vaunussa ei toiminut etu- ja takarullaverhot. Vinkiksi ehkä muillekin, Kallion kaihdin täällä Vaasassa pystyi auttamaan. Sieltä löytyi jousimekanismi, ja nyt toimii polemmat. Eikä ollut edes kallis, 16 euroa kahdesta.  Thumb