Kirjoittaja
Aihe: Vakionopeussäädin jälkiasennus. (Luettu 162688 kertaa)
« Vastaus #241 : 12.06.2022 kello on 07:50 »
Tämä mjh:n apu / ohje on kyllä lisännyt tukato kuskien ajomukavuutta satoja rosentteja  Ja pitää muistuttaa jarruvalokytkimestä (kun itse oli tollo ja älysi asian hiukan jälkijunassa), että se on "oppiva" eli itse säätyvä. Kun asennat uuden kytkimen niin vedä polkimeen koskettava tappi täysin ulos (ei välttämättä ole valmiiksi), kuuluu "ratiseva" ääni kun hammastus luistaa, ja kun jarrupoljin ensimmäisen kerran kohtaa kytkimen tapin niin säätyy oikeaan pituuteen. Itse en tätä älynnyt, ja nyt on kaksi euron kolikkoa liimattuna polkimen kytkin vasteeseen 
« Vastaus #242 : 12.06.2022 kello on 11:15 »
olisin muuttanut asennusta sen verran että olisin laittanut jarruvalojen piuhan perään vaihtoreleen (kun tulee virtaa niin aukeaa) ja kytkenyt siihen ECU nastan 54. Olisi selvinnyt hieman vähemmällä työllä. Ei kannata tehdä tuollaisia relekytkentöjä, tms. Kaksinapaisuus on pitkälti turvallisuuden vuoksi. Kaksinapaisesta kytkennästä ECU voi havaita jarrun kytkimen epänormaalin toiminnan, johtui se sitten itse kytkimestä tai johdotuksista ja heittää vakkarin pois päältä, yms. turvatoimet.
« Vastaus #243 : 12.06.2022 kello on 13:15 »
Ei kannata tehdä tuollaisia relekytkentöjä, tms. Kaksinapaisuus on pitkälti turvallisuuden vuoksi.
Kaksinapaisesta kytkennästä ECU voi havaita jarrun kytkimen epänormaalin toiminnan, johtui se sitten itse kytkimestä tai johdotuksista ja heittää vakkarin pois päältä, yms. turvatoimet.
 Eihän ECU tiedä jarruvaloista mitään. Ainoastaan vakkarikytkennässä ohjataan vakkari pois päältä, kun ECU:n nastasta 54 häviää 12 V Tietysti 4 napainen kytkin on helpompi ja sen aukeava toiminta on passiivinen, kun releen taas pitää vetää aktiivisesti Lisäys Ehkä paras vaihtoehto on hakea romikselta jarruvaloliitin ja siihen mukaan johdon pätkät, niin kytkentä helpottuu. Tosin aika pieni riski on tuossa relekytkennässäkin, vakkari kun tippuu pois myös kykinpolkimella.
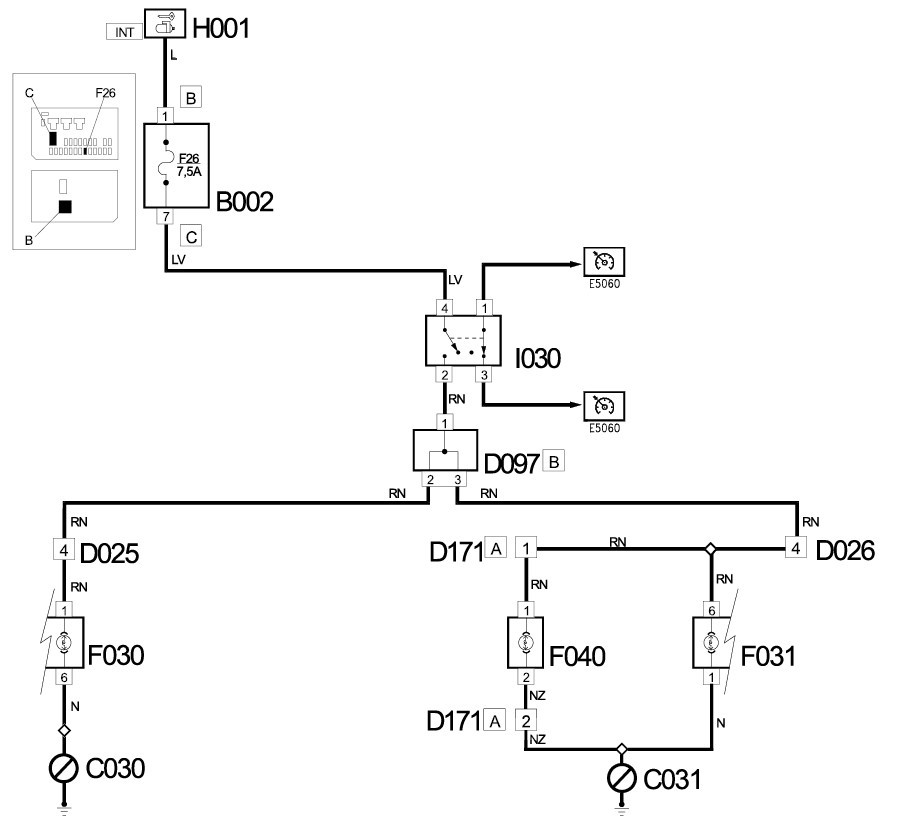
« Vastaus #244 : 13.06.2022 kello on 16:37 »
Tuossa kuitenkin kuva, jos joku kaksinapaisen jarruvaloliittimen omistaja haluaa sellaisen rakentaa 
« Vastaus #245 : 25.06.2023 kello on 10:22 »
Terve, E-cruisen asensin Citroen Jumperiin (2009), hyvin tuntuu toimivan. Asennusohjeissa on vähän parannettavaa mutta kyllä niidenkin kanssa pärjää. Vilkkuviiksen vieressä oli myös varmaankin liitin alkuperäiselle vakionopeussäätimel le?
« Vastaus #246 : 16.08.2023 kello on 15:14 »
Rutistin hieman Ducato 244 vakkarin ohjetta, niin voin laittaa sen liittenä. Tuon voisi ehkä pistää johonkin pysyvämpään paikkaan.
« Vastaus #247 : 12.02.2024 kello on 16:18 »
Huippu ketju teillä, kiitos mentorille ajankäytöstään. Kytkin viikseä ei itsellä ole eikä tule vaan pärjätä pitäisi pelkällä asetusnapilla ja ehkä standby on/offilla. Mitä ehtoja pitää toteutua että ecu suostuu pitämään nopeuden? Esim kytkin polkimen tunnistimen toiminta taitaa olla NO kun taas jarrun on NC? Eihän ole mahdollista että 244 ecu vaatisi ohjelmointia tms. Renkaat ilmassa olen kokeillut asettaa nopeutta käyttämällä 12 v sinipunaisessa ja jatkuva 12 v on Valko purplessa. Ei vaan meinaa pysyä vauhti päällä 🤔
« Vastaus #248 : 13.02.2024 kello on 12:45 »
Huippu ketju teillä, kiitos mentorille ajankäytöstään. Kytkin viikseä ei itsellä ole eikä tule vaan pärjätä pitäisi pelkällä asetusnapilla ja ehkä standby on/offilla. Mitä ehtoja pitää toteutua että ecu suostuu pitämään nopeuden? Esim kytkin polkimen tunnistimen toiminta taitaa olla NO kun taas jarrun on NC? Eihän ole mahdollista että 244 ecu vaatisi ohjelmointia tms. Renkaat ilmassa olen kokeillut asettaa nopeutta käyttämällä 12 v sinipunaisessa ja jatkuva 12 v on Valko purplessa. Ei vaan meinaa pysyä vauhti päällä 🤔
Jos en nyt ihan väärin muista, niin nopeutta piti olla aika paljon ennenkuin suostui menemään päälle, olisiko ollut yli 50km/h? Piti vaan jossakin ruuhkassa ajella ilman vakkaria. Itsekin tekisin asennuksen ilman viikseä, jos nyt tuon asentaisin. Se viiksi on surkeassa paikassa. Laittaisin vain kytkimen ja sitten 3 nappia. Ne hidastus + kiihdytys toiminnot on ihan näppäriä!
« Vastaus #249 : 13.02.2024 kello on 13:19 »
Täytyy nyt vaan jatkaa läpikäyntiä. Olen koittanut kytkin tunnistimen molemmilla tavoilla mutta vielä ei ole ecu suostunut pitämään vauhtia yllä. Liittyyköhän tuon käyttöön ottoon jokin konsti, en ole kyllä ketjusta huomannut moista. Tuo standby on kaavion ja selosteen mukaan pysyvä tila katkaisijalta eikä mikään kiikku. Ja viiksikin ilmeisesti ihan pelkkiä katkisijoita ja painonappeja. Sillä mä tätä rupesin koittamaan näin yksinkertaistettuna mutta joku on vielä pielessä. Olisi kolmas reissu fugeen kuukauden päästä ja nilkka tykkäsi jos saisin tämän ratkettua . M
« Vastaus #250 : 13.02.2024 kello on 22:14 »
Huippu ketju teillä, kiitos mentorille ajankäytöstään. Kytkin viikseä ei itsellä ole eikä tule vaan pärjätä pitäisi pelkällä asetusnapilla ja ehkä standby on/offilla. Mitä ehtoja pitää toteutua että ecu suostuu pitämään nopeuden? Esim kytkin polkimen tunnistimen toiminta taitaa olla NO kun taas jarrun on NC? Eihän ole mahdollista että 244 ecu vaatisi ohjelmointia tms. Renkaat ilmassa olen kokeillut asettaa nopeutta käyttämällä 12 v sinipunaisessa ja jatkuva 12 v on Valko purplessa. Ei vaan meinaa pysyä vauhti päällä 🤔
Valkea- violetti johtoon kiinteä+12, painonapilla valkea - vihreä johtoon (nosta nopeutta) +12 Jarruvalokytkimelle pitää myös tehdä ohjeessa neuvottu muutos, muuten vakkari ei toimi Vakkarin saa pois päältä vain jarru- tai kytkinpolkimella. En suosittele kytkentää kenellekkään, vaikka itselläkin vipu on aina ON-asennossa Lisäys Ohjeen mukaan vakkari ei toimi alle 30 km/h nopudessa Kokemukseni mukaa se ei toimi kunnolla alle 60 km/h nopeudessa, viidessäkympissä se pumppaa
« Vastaus #251 : 3.03.2024 kello on 13:24 »
Jep. Muuten se näin onkin mutta mun koslassa uppi johdin on vihreä/punainen. Täytyy ottaa auto liikennekäyttöön ja kokeilla kenttäolosuhteissa. Kiitos kärsivällisestä suhtautumisesta. M
« Vastaus #252 : 6.03.2024 kello on 15:31 »
Heippa vielä. Onko kellään tietoa, että mikä lukija pääsisi katsomaan eculta, että meneekö kytkintiedot perille. Ja samalla voisi varmistua kytkinpolkimen anturin toiminnasta myös. Reilun viikon päästä olisi päästävä pitemmälle reissullle ja olisi huippua saada tuo vakkari toimimaan. Nyt ajanut jonkin verran maantiellä ja en saa mokomaa päälle. Auto Jyväskylässä, vm -06, 2.0 Ducato. Tänks
« Vastaus #253 : 7.03.2024 kello on 16:21 »
Nyt on kokeiltu sekä plussalla (puna/vihreä) sekä ressillä (olikohan vaaleanpuna/vihreä tms) mutta ei vaan lähde. Mikähän lukija ja mistä löytyisi jolla voisi varmentaa että eculle tulee viestit perille ja valmius olemassa. Auto on -06, 2.0 ja Jyväskylässä
« Vastaus #254 : 28.03.2024 kello on 17:33 »
Muokkasin asennusohjetta, kun ebaysta ei enää viikseä löydy Lisäsin myös Alfan varaosanumeron, kun sillä näkyy myös löytyvän. Kavelin mittaamalla viiksen kytkennän, lisään sen ohjeeseen jos joku telee DIY version säädinviiksestä ja toteaa sen toimivan
|