rekisteriseloste

Tiedote rekisteröitymisestä

Jos et ole saanut vahvistusviestiä rekisteröitymisestä si, tarkista roskapostikansiosi. Tämä erityisesti hotmail ja gmail sähköpostin käyttäjille.

Kirjoittaja Aihe: Lmc munsterland 1988 mikä lämmitin?  (Luettu 7658 kertaa)

*****
  • Karavaanari
  • Viimeksi paikalla:eilen kello 17:19
Vs: Lmc munsterland 1988 mikä lämmitin?
« Vastaus #15 : 20.08.2025 kello on 19:04 »
Minulta löytyy 2490 pannu ,pohja maalattu lämmön kestävällä maalilla ( 850 asteisella maalilla ) ja on karavani  huolttoliikeen testaama T.Rauno

*****
  • Matkailija
  • Aiheen aloittaja
  • Viimeksi paikalla:15.09.2025 kello on 20:32
Vs: Lmc munsterland 1988 mikä lämmitin?
« Vastaus #16 : 20.08.2025 kello on 20:50 »
Onko näihin miten osia saatavilla jos hommaisin tämän
https://www.tori.fi/29054319
Ja laittaisi talven aikana kuntoon?

*****
  • Matkailija
  • Aiheen aloittaja
  • Viimeksi paikalla:15.09.2025 kello on 20:32
Vs: Lmc munsterland 1988 mikä lämmitin?
« Vastaus #17 : 20.08.2025 kello on 21:19 »
Minulta löytyy 2490 pannu ,pohja maalattu lämmön kestävällä maalilla ( 850 asteisella maalilla ) ja on karavani  huolttoliikeen testaama T.Rauno
Paljonko tällä on pyyntihinta?

*****
  • LämmitinGuru
  • Aluevalvoja
  • Kalustoon kuuluva
  • Viimeksi paikalla:30.01.2026 kello on 22:09
Vs: Lmc munsterland 1988 mikä lämmitin?
« Vastaus #18 : 20.08.2025 kello on 21:21 »
Kuvat mahtuu vaikka kuinka suuret kun siirrät ne kirjoitus alueen yläpuoliseen laatikkoon, harmaa alue

(Kuva piiloitettu, klikkaa tätä niin näet kuvan.)

 Thumb Hyvä ja kohtuuhintainen.

*****
  • LämmitinGuru
  • Aluevalvoja
  • Kalustoon kuuluva
  • Viimeksi paikalla:30.01.2026 kello on 22:09
Vs: Lmc munsterland 1988 mikä lämmitin?
« Vastaus #19 : 20.08.2025 kello on 21:35 »
Onko näihin miten osia saatavilla jos hommaisin tämän
https://www.tori.fi/29054319
Ja laittaisi talven aikana kuntoon?

Kaasuventiileiden kanssa voi olla ongelmia. Pyrostaatti on noin 200 € ja hehkulla käynnistys ongelmallinen jos jännite on alhainen. Kipinäsytytys auttaa erittäin paljon käynnistystä. Pohjan kunto kannattaa tarkistaa, etenkin arinat. Osta mieluummin 2490:nen. Tämä minun mielipide.

*****
  • Matkailija
  • Aiheen aloittaja
  • Viimeksi paikalla:15.09.2025 kello on 20:32
Vs: Lmc munsterland 1988 mikä lämmitin?
« Vastaus #20 : 21.08.2025 kello on 12:05 »
2490 siis olisi parempi. Miksi se on parempi? Miten se eroaa 2470 tai miten 2450 eroaa näistä? Näitä olisi eniten tarjolla..

*****
  • LämmitinGuru
  • Aluevalvoja
  • Kalustoon kuuluva
  • Viimeksi paikalla:30.01.2026 kello on 22:09
Vs: Lmc munsterland 1988 mikä lämmitin?
« Vastaus #21 : 21.08.2025 kello on 18:54 »
2490 siis olisi parempi. Miksi se on parempi? Miten se eroaa 2470 tai miten 2450 eroaa näistä? Näitä olisi eniten tarjolla..

2450 ja 2470 on hehkulla syttyvä lämmitin ja niissä on se ikävä pyrostaatti joka on kallis ja ketää noin vuoden jos suojaverkko on puhki.
2490 on kipinäsytytyksellä ja ei ole jänniteherkkä kuten noi hehkulla syttyvät.
2480 on hehkulla syttyvä, mutta siinä on eletroninen liekintunnistus, on parempi kuin 2450 ja 2470.
« Viimeksi muokattu: 29.08.2025 kello on 21:53 »

*****
  • Matkailija
  • Aiheen aloittaja
  • Viimeksi paikalla:15.09.2025 kello on 20:32
Vs: Lmc munsterland 1988 mikä lämmitin?
« Vastaus #22 : 28.08.2025 kello on 21:32 »
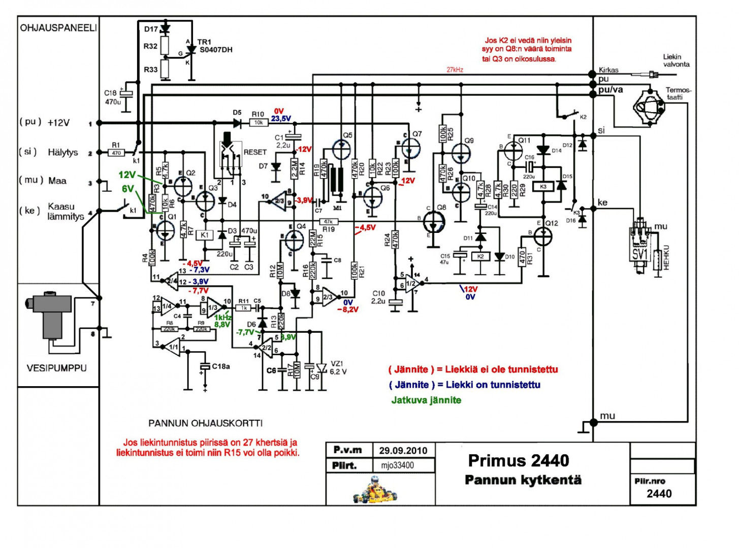
Mikäs viritys tämä 2440
Menikö tämä paikoilleen muiden hilujen puolesta

https://www.tori.fi/22885755

*****
  • Kalustoon kuuluva
  • Viimeksi paikalla:tänään kello 07:36
  • Autossa on pyörät
Vs: Lmc munsterland 1988 mikä lämmitin?
« Vastaus #23 : 29.08.2025 kello on 09:08 »
Ainakin puolet tehottomampi.

*****
  • Matkailija
  • Aiheen aloittaja
  • Viimeksi paikalla:15.09.2025 kello on 20:32
Vs: Lmc munsterland 1988 mikä lämmitin?
« Vastaus #24 : 29.08.2025 kello on 21:47 »
Sitä ei ole vielä kukaan tiennyt että minkä tehoisia nämä eri versiot ovat.
Toki me nyt ei vaunua talvella käytetä joten jos pitäisi arvat niin tuo olisi nimensä mukaisesti 4 kw tehoinen? Ja mikäli näin niin uskon että riittäisi hyvinkin. Vaan sopiiko muiden vehkeiden puolesta?

*****
  • Kalustoon kuuluva
  • Viimeksi paikalla:tänään kello 07:36
  • Autossa on pyörät
Vs: Lmc munsterland 1988 mikä lämmitin?
« Vastaus #25 : 29.08.2025 kello on 21:53 »
No 2490 on lähes 6kw ja tämä 3300kw mikä lukee torin kuvissa.

*****
  • LämmitinGuru
  • Aluevalvoja
  • Kalustoon kuuluva
  • Viimeksi paikalla:30.01.2026 kello on 22:09
Vs: Lmc munsterland 1988 mikä lämmitin?
« Vastaus #26 : 29.08.2025 kello on 21:55 »
Mikäs viritys tämä 2440
Menikö tämä paikoilleen muiden hilujen puolesta

https://www.tori.fi/22885755

Primus 2440 on kytkennältään sama kuin 2480:nen, mutta vain yksitehoinen. Noin 2,5kw.



Korjasin virheellisen tehotiedon.
« Viimeksi muokattu: 1.09.2025 kello on 22:53 »

*****
  • Matkailija
  • Aiheen aloittaja
  • Viimeksi paikalla:15.09.2025 kello on 20:32
Vs: Lmc munsterland 1988 mikä lämmitin?
« Vastaus #27 : 29.08.2025 kello on 22:06 »
Jaa sehän näkyikin ilmoituksen kuvassa. Tämä 2440 on 2.5 kw

*****
  • Matkailija
  • Aiheen aloittaja
  • Viimeksi paikalla:15.09.2025 kello on 20:32
Vs: Lmc munsterland 1988 mikä lämmitin?
« Vastaus #28 : 29.08.2025 kello on 22:07 »
Eli ei mene kytkentöjen puolesta..

*****
  • LämmitinGuru
  • Aluevalvoja
  • Kalustoon kuuluva
  • Viimeksi paikalla:30.01.2026 kello on 22:09
Vs: Lmc munsterland 1988 mikä lämmitin?
« Vastaus #29 : 30.08.2025 kello on 23:05 »
Eli ei mene kytkentöjen puolesta..

Kumpaa nyt haet, tehoa vai sopivuutta?