rekisteriseloste

Tiedote rekisteröitymisestä

Jos et ole saanut vahvistusviestiä rekisteröitymisestä si, tarkista roskapostikansiosi. Tämä erityisesti hotmail ja gmail sähköpostin käyttäjille.

Kirjoittaja Aihe: Alde 3000 toiminta  (Luettu 7586 kertaa)

*****
  • Matkailija
  • Aiheen aloittaja
  • Viimeksi paikalla: 8.08.2025 kello on 20:42
Alde 3000 toiminta
« : 11.04.2025 kello on 19:52 »
Kuuluuko alde 3000 kiertovesipumppun pyöriä koko ajan? Siis aina kun kytkin on  asennossa vai ohjaako pannun toiminta pumppua?  Nyt kierovesipumppu pyörii kokoajan vaikka poltin ei ole päällä.
« Viimeksi muokattu: 11.04.2025 kello on 20:09 »

*****
  • LämmitinGuru
  • Aluevalvoja
  • Kalustoon kuuluva
  • Viimeksi paikalla: 3.04.2026 kello on 08:56
Vs: Alde 3000 toiminta
« Vastaus #1 : 12.04.2025 kello on 19:12 »
Veikkaan ohjauspaneelivikaa. Pyöriikö silloinkin kun pumpun kytkin on ala-asennossa?



*****
  • Karavaanari
  • Viimeksi paikalla:29.03.2026 kello on 22:07
Vs: Alde 3000 toiminta
« Vastaus #2 : 21.04.2025 kello on 19:29 »
Olen huomannut sellaisen asian että lämmittimen sisäinen termostaatti ei vaikuta asiaan kun huonetilan lämmitystä tarvitaan.
Toisaalta ihan hyvä asia, voi laittaa lämmittimen termostaattiasetus aika pieneksi kun halutaan pientä ylläpitolämmitystä, huonetermostaatin 0-asennossa noin 5-6 astetta. Kun huonelämpötila saavutettu lämmitin sammuu kokonaan eikä turhaan lämmitetä ellei ole tarvetta.
Tämä selittää myös sen, miksi lämmittimen ylikuumenemissuoja laukeaa kun kiertopumppu on viallinen, pannun lämmitys ei katkea oman termostaatin toiminnasta.
Kyse Alde 3000. En ensin uskonut mutta testasin muutaman kerran.

*****
  • LämmitinGuru
  • Aluevalvoja
  • Kalustoon kuuluva
  • Viimeksi paikalla: 3.04.2026 kello on 08:56
Vs: Alde 3000 toiminta
« Vastaus #3 : 22.04.2025 kello on 16:58 »
Ylilämpösuoja ei saa laueta kun pumppu on viallinen. Lämmittimen vedenlämmitys termostaatti katkaisee lämmittimen kun haluttu vedenlämpötila on saavutettu. Sitä säätöä ei kannata laittaa täysille koska silloin voi ylikuumenemissuoja laueta, kun esim. veden lämmityksen termostaatti on muuttanut toimintaasteita vanhetessaan. Tosin yleensä syntyy vika, että katkaisee liian aikaisin.



*****
  • Karavaanari
  • Viimeksi paikalla:29.03.2026 kello on 22:07
Vs: Alde 3000 toiminta
« Vastaus #4 : 22.04.2025 kello on 17:41 »
Kyllä pannu jatkaa lämmitystä vaikka pannun termostaattiasetus on ylitetty ja huonelämmitystä tarvitaan. Nyt olen käyttänyt sitä hyväksi siten, että olen säätänyt termistaatin niin alas, että sen sisäinen lämpötila on luokkaa 10 astetta. Huonetermostaatti on asennossa 0, jolloin sisälämpötila on noin 6 astetta.
Heti kun huonelämmitystä tarvitaan ja pumppu käynnistyy pannun lämmitys menee päälle. Tässä vaiheessa on ihan sama mihin asentoon pannun termostaatti asetetaan, pannun lämmitys ei lopu ennenkuin huoneen lammitystarve loppuu. Lämmityskytkin on asennossa I mutta tilanne on sama asennossa J. Pannun termostaatti lienee kunnossa koska sen asento vaikuttaa pannun lämmitykseen silloin kun huomelämpöä ei tarvita.
Tilanne on ikäänkuin sellainen että huonetermostaatti ohittaa pannutermostaatin.
Saattaahan tilanne olla jostakin viasta johtuvaa mutta kaikki toimii. Toimii samalla tavalla kaikilla tehoilla, myös kaasulla. Mahtaakohan kierto estää ylikuumenemisen jos kaikkia tehoja käyttää tässä tilanteessa.
Tuo pannun termostaatin rele naksuu normaalisti kun huonetilan lammitystä ei tarvita, muuta jos huonelämmitys on päällä rele ei naksu. Ikäänkuin R7 rele saisi jostain syöttöjännitettä ohituksena.
« Viimeksi muokattu: 22.04.2025 kello on 18:40 »

*****
  • LämmitinGuru
  • Aluevalvoja
  • Kalustoon kuuluva
  • Viimeksi paikalla: 3.04.2026 kello on 08:56
Vs: Alde 3000 toiminta
« Vastaus #5 : 22.04.2025 kello on 18:29 »
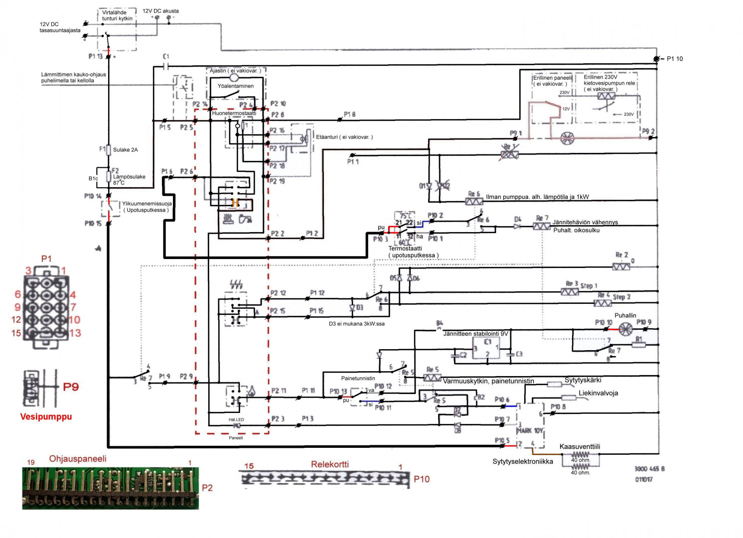
Ei se huonetermostaatti pannun termaria ohita. Jossain on joku vika. Katso kytkentäkuvaa.

*****
  • Karavaanari
  • Viimeksi paikalla:29.03.2026 kello on 22:07
Vs: Alde 3000 toiminta
« Vastaus #6 : 22.04.2025 kello on 18:44 »
Sitä vähän epäilinkin, pitää tutkia myöhemmin. Jostain tuo R7 saa syöttöjännitettä, muuten ei toimisi kaikki oikein kun termostaatti katkaissut. Kerron sitten mitä löytyi.

*****
  • LämmitinGuru
  • Aluevalvoja
  • Kalustoon kuuluva
  • Viimeksi paikalla: 3.04.2026 kello on 08:56
Vs: Alde 3000 toiminta
« Vastaus #7 : 23.04.2025 kello on 13:28 »
Voihan se vedenlämpötilan säätö olla rikki. Vika voi olla myös ohjauspaneelissa. Kokeile laittaa vesipumpun säätö keskelle, silloin huonetermostaatti ohjaa vesipumppua ja lämmitintä katkoo veden lämpötilan säätö.

*****
  • Karavaanari
  • Viimeksi paikalla:29.03.2026 kello on 22:07
Vs: Alde 3000 toiminta
« Vastaus #8 : 25.04.2025 kello on 21:52 »
Näin se juuri tekeekin paitsi että lämmitys menee päälle heti kun pumppu käynnistyy vaikka pannun lämpötila on yli asetusarvon. Kun pumpppu pysähtyy pannu lämpiää asetettuun arvoon jonka jälkeen lämmitys katkeaa. En ole löytänyt ohjauspanelista kytkentää joka pystyisi ohittamaan pannutermostaatin josta olen päätellyt ettei voi johtua ohjauspanelista. Jos olen päätellyt oikein että R7 (rele 7) hoitaa pannun lämmönkatkaisun.

*****
  • Karavaanari
  • Viimeksi paikalla:29.03.2026 kello on 22:07
Vs: Alde 3000 toiminta
« Vastaus #9 : 6.05.2025 kello on 19:35 »
No selvisi tämä juttu kun tarkasti luki piirustusta ja verifioi sen käytäntöön. Pannun termostaatti on kaksitoiminen, kytkentäkaavion mukaan 75 ja 60 astetta. Kun huonelämpöä tarvitaan toimitaan sen korkeamman lämpötilan arvon mukaan. Sen takia lämmitys menee aina päälle kun huonelämpöä tarvitaan. Pannun lämpötila toimii matalamman termostaatin mukaisesti kun huonelämmitystä ei tarvita. Ilmeisesti molemmat lämpötilat ovat riippuvaisia pannun säätöpotikasta, mutta onko ero aina 15 astetta en osaa sanoa.

Näin tuli taas opittua uutta Alden sielunelämästä.

  • Vieras
  • Vs: Alde 3000 toiminta
    « Vastaus #10 : 25.08.2025 kello on 08:58 »
    Meillä Alde 3010 oireilee vähän vastavasti. Vaikkei mekaanisesta ohjauspanelista ole edes kytketty lämmitystä päälle kioertoveripumppu lähtee pyörimään kun asuntoosaan kytkee virrat päälle. Ongelma alkoi kesällä niin että aluksi kaikki saattoi toimia vuorokauden normaalisti, mutta jonkun ajan päästä auton lämpö alkoi nousta ja silloin kiinnitin huomiota että kiertovesipumppu pyörii jatkuvasti. Viikonloppuna nykäisin irti 230V lähdön alden ohjauskortilta ja huomasin että sillä pumppu pysähtyi. Meillä on nuo molemmat 12/230 lähdöt kytketty samaan alden kyljessä olevaan kiertovesipumppuun. Osaako joku sanoa miksi niitä lähtöjä on 2 kpl ja miten ne toimivat? Minusta vaikutti nopealla testauksella että nyt lämmitys toimi kaasulla, mutta verkkovirta kytkettynä kiertovesipumppu ei lähtenyt enään pyörimään. Onko joku muu päässyt ihmettelemään vastaavaa, mikä noista ohjainkorteista yleensä menee rikki?

    *****
    • LämmitinGuru
    • Aluevalvoja
    • Kalustoon kuuluva
    • Viimeksi paikalla: 3.04.2026 kello on 08:56
    Vs: Alde 3000 toiminta
    « Vastaus #11 : 26.08.2025 kello on 10:24 »
    Tämä kuva on oikea.





    « Viimeksi muokattu: 26.08.2025 kello on 12:54 »

    *****
    • Päivämatkailija
    • Viimeksi paikalla:13.09.2025 kello on 19:44
    Vs: Alde 3000 toiminta
    « Vastaus #12 : 26.08.2025 kello on 11:31 »
    Meillä on käytössä manuaalinen ohjauspaneeli, joten siinä ei ole vastavaa valintaa. Nyt lämmitin taas toiminut normaalisti pihassa 2 vuorokautta, mutta ennen pitkää se alkanee taas oireilla ja olisi mukava löytää siihen syy. Lueskelin noita vanhoja ketjuja enkä löytänyt ihan tälläistä tapausta niiden joukosta. Useimmiten niissä oli syynä joku ulkoinen extra kytkentä joka aiheutti pumpun jatkuvan pyörimisen. Pitänee mittailla tuosta ohjauspaneelin lähdostä missä tilassa siellä signaalit ovat kun vika seuraavan kerran toistuu jos muuta ei keksitä?

    *****
    • LämmitinGuru
    • Aluevalvoja
    • Kalustoon kuuluva
    • Viimeksi paikalla: 3.04.2026 kello on 08:56
    Vs: Alde 3000 toiminta
    « Vastaus #13 : 26.08.2025 kello on 12:56 »
    Meillä on käytössä manuaalinen ohjauspaneeli, joten siinä ei ole vastavaa valintaa. Nyt lämmitin taas toiminut normaalisti pihassa 2 vuorokautta, mutta ennen pitkää se alkanee taas oireilla ja olisi mukava löytää siihen syy. Lueskelin noita vanhoja ketjuja enkä löytänyt ihan tälläistä tapausta niiden joukosta. Useimmiten niissä oli syynä joku ulkoinen extra kytkentä joka aiheutti pumpun jatkuvan pyörimisen. Pitänee mittailla tuosta ohjauspaneelin lähdostä missä tilassa siellä signaalit ovat kun vika seuraavan kerran toistuu jos muuta ei keksitä?

    Oliko sinulla vain yksi kiertovesipumppu käytössä? Eli 12v pumppu.

    *****
    • Päivämatkailija
    • Viimeksi paikalla:13.09.2025 kello on 19:44
    Vs: Alde 3000 toiminta
    « Vastaus #14 : 9.09.2025 kello on 14:39 »
    Joo, tässä on Alien kupeessa nopeussäädettävä 12V kiertovesipumppu. Nyt ollaan oltu kohta 2viikkoa ja tähän asti on mennyt ongelmitta, mikähän mahtaa vaivata kun auto seisoo paikoillaan verkkosähkön perässä ja temppuilee?

     

    anything