Kirjoittaja
Aihe: Alde 3000, lopetti toiminnan (Luettu 9222 kertaa)
« Vastaus #1 : 21.02.2025 kello on 12:54 »
Sivuilta löytykin hyvä huolto-ohje. sitä kun selailin, niin tuo "pätkiminen" ennen lopullista vikaantumista voisi johtua joko juuri tuosta puhaltimesta tai sitten paine-anturista: Tällöin puhallin saa signaalin ja käynnistyy. Kun paine on painetunnistimessa on kohonnut riittävästi, se lähettää vuorostaan signaalin elektroniikkayksikk öön, joka käynnistää sytytyskipinän ja avaa kaasun magneettiventtiilit . Eli paloilmanpuhallin ei saa tarpeeksi painetta, niin ei syty... mutta tuo ei varmaan ole silti syypää ohjauspaneelin piirikortin lämpenemiseen? Huolto-ohjetta kun katsoo, niin ensimmäisena neuvotaan aloittaan ylikuumenemissuojas ta, teempä tämän ja termostaatin tarkistuksen nyt ekana. Jospa se ongelma alkas sitä kautta haarukoituun. Vinkit on edelleen tervetulleita.
« Vastaus #2 : 21.02.2025 kello on 16:44 »
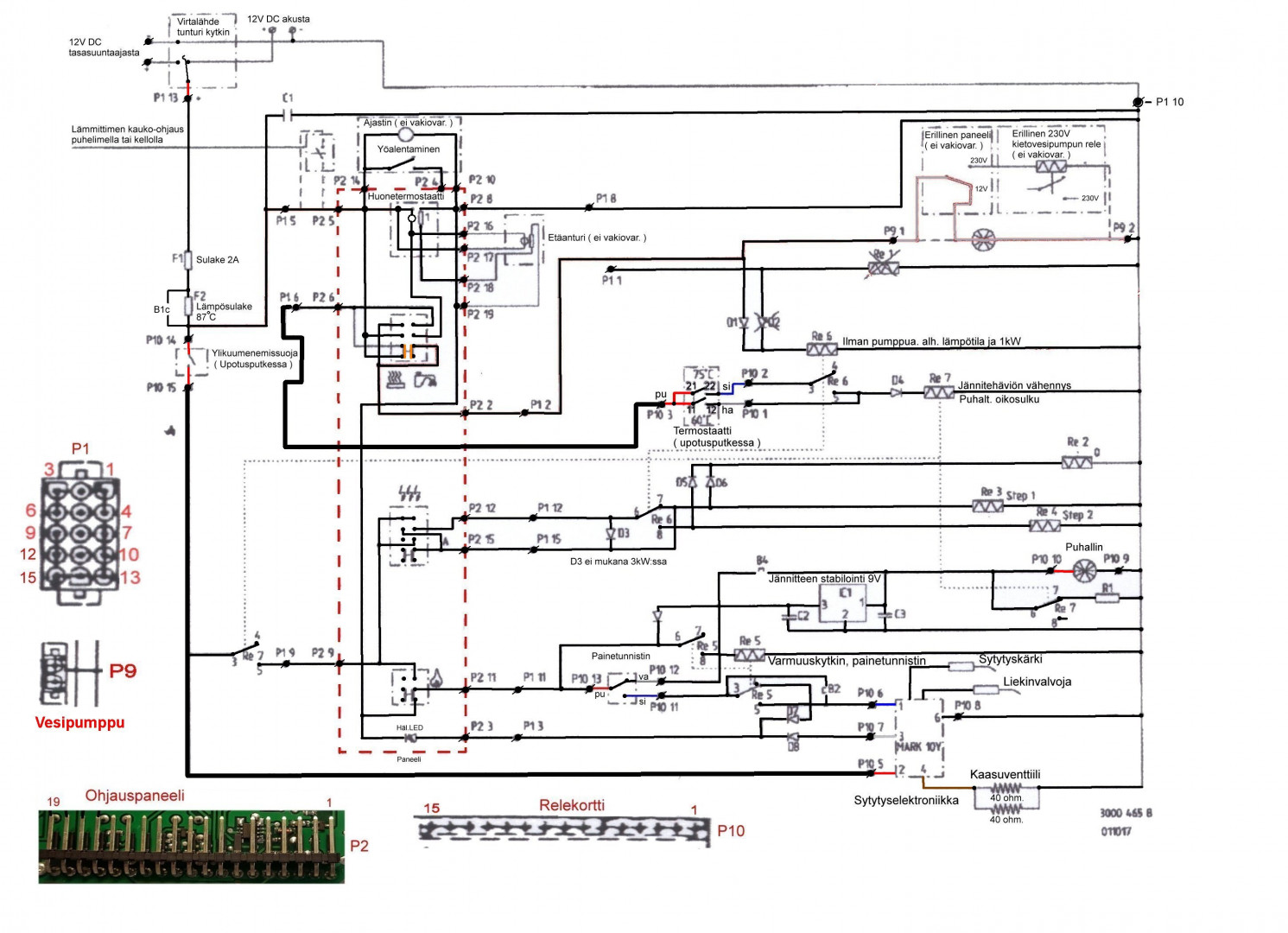
Tutkippas kytkentäkuvaa. Tuota diodia on tullut vaihdettua useamman kerran. Näyttää olevan sähköä priorisoiva paneeli. Tiedäthän, että jos paineentunnistin ei kytke siniseen johtoon jännitettä ei lämmitin myöskään men häriöön. Kuten näet ei ole ensimmäinen kerta kun diodi käryää.  
« Viimeksi muokattu: 25.02.2025 kello on 10:12 »
« Vastaus #3 : 24.02.2025 kello on 08:45 »
Kiitos vastauksesta. Jep, näyttää aika selkeältä, että jos paineentunnistin ei anna komentoa, niin ei "sytytysprosessi" jatku. Eli oisko se paloilmanpuhallin tullut tiensä päähän, toimii jos toimii ja tämä pätkiminen yms on sitten rikkonut tuon diodin D8? Onko sulla tarkemmat speksit tuosta diodista, et millanen diodi tuohon pitäs laittaa, että kestää? Mouserista kattelin jo muutamia, mutta mielellään tilaan samanlaisia kun on todettu toimiviksi. Kiitos neuvoista, otamme sitten varmaan tuon piirilevyn jälkeen paloilmanpuhaltimen tarkasteluun ... ei sitä viitti suoraan uutta ostaa. Terveisin Juha-Pekka
« Vastaus #4 : 25.02.2025 kello on 10:15 »
« Vastaus #5 : 26.02.2025 kello on 09:05 »
« Vastaus #6 : 26.02.2025 kello on 23:06 »
« Vastaus #7 : 29.03.2025 kello on 13:17 »
Meni vähän aikaa et kerkesin tämän kimppuun. Toimenpiteet: - Vaihdoin ohjainkorttiin tuon mainuntun diodin , Relekorttiin releen (RE7) ja sit otin paloilmanpuhaltimen irti. Siipi tuntu pyörivan mukavasti, laitoin sinne vähän teflon rasvaa vielä, et pyöris paremmin. Puhaltimen käämin vastus oli muistaakseni 3.7ohm? Jossakin sanottiin et pitäs olla 4? - Laitoin johdot paikalleen ja aloin ihmetteleen et josko toimis ... Sähköllä lämmitys ainakin toimi ja pumput pyöri, mutta kaasulla ei. Aloin sitten selvitteleen että missä ois mahdollisesti vika, tässä toimenpiteitä: Huoltokirjasta: * 12 V sulake on lauennut => Sulake ehjä, tarkistin irtonaisena yleismittarilla * Lämmittimen jännite alhainen (< 12V) tai puuttuu: Ennenkuin laitan lämmittimen päälle niissä "pääjohdoissa" oli 12.4v ... käynnistyksen jälkeen 8.6v. Akulta mitattuna: 12.2v * Ylikuumenemissuoja on lauennut => Oletettavasti on laennut jos on ylhäällä? Tätä voi painaa sisäänpäin, mutta ei halua jäädä alas. (Jossain on häikkää?) Säädin oli täysillä, kiersin sen nyt täysille ja siitä vartin taaksepäin. Kuitenkin jos mittaan ylikuumenemissuojan molemmilta puolin, näen tuon saman 8.6v. Eli pitäskö sen napin olla ihan pohjassa? * Puhaltimen jännite oli tuota samaa 8.6v... (Paloilmanpuhallin, mitatattu kortin liittimistä). Puhallin menee myös selvästi päälle ja pakoputkesta kuuluu puhaltimen ääni. Tarkasta, että termostaatin lattaliittimessä 12 (harmaa johto, alhainen lämpötila) ja liittimessä 22 (sininen johto, korkea lämpötila) on jännite, ks. kuva 2. Jos liitännöissä 12 ja 22 ei ole jännitettä, mutta liitännässä 11 (punainen johto) on, termostaatti on vaihdettava => kaikissa johdoissa näky jännite. * Tarkasta, että puhaltimen käynnistyttyä painetunnistimesta kuuluu naksahtelua 2–5 sekunnin ajan, tai mittaa lattaliittimestä, että sinisen kaapelin liitännässä nro 2 on jännite (ks. kuva 4 B). => Tässä aiemmin mainitussa sinisessä johdossa ei ole jännitettä. Saisko näistä jonkinlaisen kokonaiskuvan, että missä piilee vika tai mistä pitäs jatkaa selvitystä? Terveisin Juha-Pekka
« Vastaus #8 : 30.03.2025 kello on 22:18 »
Meni vähän aikaa et kerkesin tämän kimppuun.
Toimenpiteet: - Vaihdoin ohjainkorttiin tuon mainuntun diodin , Relekorttiin releen (RE7) ja sit otin paloilmanpuhaltimen irti. Siipi tuntu pyörivan mukavasti, laitoin sinne vähän teflon rasvaa vielä, et pyöris paremmin. Puhaltimen käämin vastus oli muistaakseni 3.7ohm? Jossakin sanottiin et pitäs olla 4? Mittarivirhe, kyllä 3.7 on ok. - Laitoin johdot paikalleen ja aloin ihmetteleen et josko toimis ... Sähköllä lämmitys ainakin toimi ja pumput pyöri, mutta kaasulla ei.
Aloin sitten selvitteleen että missä ois mahdollisesti vika, tässä toimenpiteitä: Huoltokirjasta: * 12 V sulake on lauennut => Sulake ehjä, tarkistin irtonaisena yleismittarilla * Lämmittimen jännite alhainen (< 12V) tai puuttuu: Ennenkuin laitan lämmittimen päälle niissä "pääjohdoissa" oli 12.4v ... käynnistyksen jälkeen 8.6v. Akulta mitattuna: 12.2v
* Ylikuumenemissuoja on lauennut => Oletettavasti on laennut jos on ylhäällä? Tätä voi painaa sisäänpäin, mutta ei halua jäädä alas. (Jossain on häikkää?) Säädin oli täysillä, kiersin sen nyt täysille ja siitä vartin taaksepäin. Kuitenkin jos mittaan ylikuumenemissuojan molemmilta puolin, näen tuon saman 8.6v. Eli pitäskö sen napin olla ihan pohjassa?
* Puhaltimen jännite oli tuota samaa 8.6v... (Paloilmanpuhallin, mitatattu kortin liittimistä). Puhallin menee myös selvästi päälle ja pakoputkesta kuuluu puhaltimen ääni. Puhaltimen jännite on 9volttia kun tulee 9 voltin regun kautta Tarkasta, että termostaatin lattaliittimessä 12 (harmaa johto, alhainen lämpötila) ja liittimessä 22 (sininen johto, korkea lämpötila) on jännite, ks. kuva 2. Jos liitännöissä 12 ja 22 ei ole jännitettä, mutta liitännässä 11 (punainen johto) on, termostaatti on vaihdettava => kaikissa johdoissa näky jännite.
* Tarkasta, että puhaltimen käynnistyttyä painetunnistimesta kuuluu naksahtelua 2–5 sekunnin ajan, tai mittaa lattaliittimestä, että sinisen kaapelin liitännässä nro 2 on jännite (ks. kuva 4 B). Kuka tämän ohjeen sinulle antoi? Paineentunnistin kytkee jännitteen noi 2 sekunnissa ilman naksahtelua. => Tässä aiemmin mainitussa sinisessä johdossa ei ole jännitettä. Jos sinisessä ei ole jännitettä vaikka puhallin pyörii niin paineentunnistin on viallinen tai kumiletkut tukossa.
Saisko näistä jonkinlaisen kokonaiskuvan, että missä piilee vika tai mistä pitäs jatkaa selvitystä?
Terveisin Juha-Pekka
« Vastaus #9 : 1.04.2025 kello on 14:53 »
Jos sinisessä ei ole jännitettä vaikka puhallin pyörii niin paineentunnistin on viallinen tai kumiletkut tukossa. > Letkut käytin irti, yhessä tuli puhaltamalla joku hyttysen raato, mutta ei kyllä vastusta ollenkaan. Eikä puhaltelu vaikuttanu. Eli paineentunnistin ois syypää tuohon? Kuka tämän ohjeen sinulle antoi? Paineentunnistin kytkee jännitteen noi 2 sekunnissa ilman naksahtelua. > Huolto-ohje sivut 8: https://karavaanari.org/liite/Alde_huoltokirja.pdfJäin tuota jännitettettä miettiin, että oisko siellä alden pääsyötössä pitäny silti näkyä se 12v? Entä tuo ylikuumenemissuoja? Pitäskö sen napin olla ihan pohjassa? Mulla ei jää sinne se. T: Juha-Pekka
« Vastaus #10 : 2.04.2025 kello on 12:31 »
Taisit lukea väärin, naksahtelu tulee kipinäpoksista ei paineentunnistimest a. Nappi ei jää pohjaan.
« Viimeksi muokattu: 2.04.2025 kello on 13:57 »
« Vastaus #11 : 9.04.2025 kello on 22:11 »
Nyt tuli paineentunnistin. Vaihdoin paikalleen ja kuului lupaava naksahdus ... sitten kuulu kipinöintiäänet. Jonkun aikaa koitti sytyttää, mutta sitten syttyy punainen valo ja ei lähde päälle. Kaasua oli ainakin sillä perusteella että liesi pysyy päällä ihan normaalisti. Myöskään ei kuulunut kaasun "poksahdus" ääntä. En vielä kerennyt lähtä enempää tutkimaan, launtaina toivon mukaan kerkiän taas tämän kimppuun niin muutama kysymys varalta: Voinko ilman että aukoo seinää (meillä alde poikittain ja tehty luukku kaappiin) nähdä tuleeko tuonne kaasua? Jos tuosta magneettiventtililt ä mittaa niin pitäskö tuossa Mustan ja Ruskean (kuva 14 huoltokirjasta) välillä olla mikä jännite kun venttili aukeaa? Jos jännitteet on OK tuossa, niin onko tuossa enää paljon muuta mitä voi tehdä jossei halua lähtä kaasupuoleen sekaantuun?
« Vastaus #12 : 9.04.2025 kello on 23:07 »
Käväsin vaunulla mittaamassa, hetken köynnistyksen jälkeen paineentunnistimen sinisessä oli jännite. Sit magneettiventtilill ä näky 8-8.2v.. Pitäskö paineentunnistimell a olla kokoajan jännite sinisessä? Ei näy kuin vähän aikaa. Muutaman kerran teki myös niin ettei alkanu sytyttään eikä menny vikatilaan (punanen valo). Mut uudestaan kun kokeilin niin kuulu taas naputus ja hetken perästä meni vikatilaan.
« Vastaus #13 : 10.04.2025 kello on 08:10 »
Kävin illalla vaunulla vielä tsekkaan tilanteen tässä havaintoja: Käynnistyksen jälkeen kaasuntunnistimen sinisessä johdossa näky jännite jonkin aikaan, mutta välillä oli 0v? Magneettiventtiiill ä oli 8.2v. Muutaman kerran kävi niin, että ei kuulunut sytytysääniä eikä mennyt häiriötilaankaan. Mutta usaeampana kertana kuului sytysäänet ja tuo 8.2v näky kokoajan tuossa magneettiventtiilil lä silloin, mutta jonkun aikaa kipinöi ja sitten lopetti ja laittoi häiriötilaan.
« Vastaus #14 : 6.05.2025 kello on 16:46 »
Hankala kaveri tämä alde. Koitin logikka-analysaattorin avulla kattoa mitä tuolla tapahtuu. Ekassa kuvassa ylätasolta. Sen mukaan paineentunnistimelt a tulee tieto, että painetta on. Sytytysyritys on tuossa tuo piikkikohta, jonka seurauksena tulee heti errori. Toisessa kuvassa sitten soomattuna tuota sytytyskohtaan. Tän mukaan näyttäs et se aloittaa sytytyksen ja antaa sen jälkeen käskyn avata magneettiventtiili, mut sytytys lopetetaan heti ja punainen valo sytyy. Jos vielä lähemmäksi zoomataan (kolmas kuva) ... niin tuossa näkyy et sytytyksen aloituksesta 2ms päästä alkaa aukaseen tuota magneettiventtiiliä, mut sytyskäskyt on jo mennyt. Jos mietitään tuota toimintaa: - Onko tuo sytytys ja liekivahdin signaali AC signaali vai oikeasti DC ja johtuuko tuo vain mun mittauslaitteista (nämä tukee vain max 10v signaalia mittausta) - Ajoitus vaikuttaa järkevältä, mutta näyttäs että tulee joku virhetilanne samantien, jonka takia alde lopettaa toiminnan? Mittauspisteet: Maat (magnettiventtiilin mustassa) Paineentunnistin (kuva 4b sininen) Magneettiventtiili (ruskeassa johdossa) Kipinäboxin (musta) liittimessä liekkivahti (liittimen sisällä) Mikä tuon vikatilanteen vois aiheuttaa?
|