rekisteriseloste

Tiedote rekisteröitymisestä

Jos et ole saanut vahvistusviestiä rekisteröitymisestä si, tarkista roskapostikansiosi. Tämä erityisesti hotmail ja gmail sähköpostin käyttäjille.

Kirjoittaja Aihe: Alde 3020 sammuu ajettaessa  (Luettu 11431 kertaa)

*****
  • Karavaanari
  • Aiheen aloittaja
  • Viimeksi paikalla: 1.12.2025 kello on 10:05
Alde 3020 sammuu ajettaessa
« : 4.06.2024 kello on 10:09 »
Alde toimii muutoin moitteetta parkissa kun auto on irti vaunusta. Kun lähdetään liikkeelle vaunun lämmitys sammuu heti ja talvella taukokahvit juodaan aina kylmässä. Olen yrittänyt säädellä tietokonetta, olen auton käydessä kytkenut uudelleen Alden päälle. Mikään ei ole toiminut.

*****
  • Kaikkien Kaveri
  • Viimeksi paikalla:29.03.2026 kello on 17:08
Vs: Alde 3020 sammuu ajettaessa
« Vastaus #1 : 4.06.2024 kello on 10:33 »
Mikä vaunu kyseessä?

Kokeile sammuuko alde heti kun käynnistät veturin?

Ehkä se on jonkun maan säädösten mukaisesti tarkoituksella noin kytketty, eli alden käyttöjännite katkaistaan kun autosta tulee latausjännite.

*****
  • Karavaanari
  • Aiheen aloittaja
  • Viimeksi paikalla: 1.12.2025 kello on 10:05
Vs: Alde 3020 sammuu ajettaessa
« Vastaus #2 : 4.06.2024 kello on 10:56 »
Vaunu on Adria Adora vm muistaakseni 2017 ja se on Scandinavia-mallia. Sen olen huomannut, että kun auton käynnistää niin Alde ja hetkeksi päälle mutta ajon jälkeen koko järjestelmä on sammunut.

*****
  • Kalustoon kuuluva
  • Viimeksi paikalla:tänään kello 07:43
  • Autossa on pyörät
Vs: Alde 3020 sammuu ajettaessa
« Vastaus #3 : 4.06.2024 kello on 11:22 »
Siellä jokin tunnistaa autosta tulevan latauksen ja virta katkeaa tuossa kohti.

*****
  • Kaikkien kaveri Sr.
  • Viimeksi paikalla:11.05.2026 kello on 11:22
  • Escucha el Oi!
Vs: Alde 3020 sammuu ajettaessa
« Vastaus #4 : 4.06.2024 kello on 12:29 »
Pelkkä alde sammuu vaiko myös kaasuntulo?

*****
  • Karavaanari
  • Aiheen aloittaja
  • Viimeksi paikalla: 1.12.2025 kello on 10:05
Vs: Alde 3020 sammuu ajettaessa
« Vastaus #5 : 4.06.2024 kello on 16:16 »
Jääkaappi, mikä on joko kaasulla tai autovirralla toimii molemmilla tavoilla, mutta lämmitys katkeaa ja niin, että Alde sammuu, näyttö on mustana ja se pitää laittaa päälle uudelleen kun auto irroitetaan. Sain vihiä, että se vaatisi maajohdon liittämisen johonkin muuhun paikkaan???

*****
  • Kalustoon kuuluva
  • Viimeksi paikalla:tänään kello 09:29
Vs: Alde 3020 sammuu ajettaessa
« Vastaus #6 : 4.06.2024 kello on 16:34 »
Jääkaappi, mikä on joko kaasulla tai autovirralla toimii molemmilla tavoilla, mutta lämmitys katkeaa ja niin, että Alde sammuu, näyttö on mustana ja se pitää laittaa päälle uudelleen kun auto irroitetaan. Sain vihiä, että se vaatisi maajohdon liittämisen johonkin muuhun paikkaan???

Auton liittäminen ei voi vaikuttaa vaunun sisäisiin maadoituksiin, jos ei oo mahotonta kytkentävikaa.

*****
  • Matkailija
  • Viimeksi paikalla:tänään kello 12:18
Vs: Alde 3020 sammuu ajettaessa
« Vastaus #7 : 5.06.2024 kello on 11:47 »
Hei, minulla  saman vuoden  Adria Adora 613HT.Vaunun pistokkeesta irroitin muistaakseni 9 tai10 johdon alkoi pelittämään.Epäilen että se on 10 johto. Voin tarkistaa noin viikon päästä kun mennään vaunulle kumpi se on.Aivan samat oireet kuin sinullakin. Jos on kysyttävää nro 050 5463057.

*****
  • Kaikkien Kaveri
  • Viimeksi paikalla:29.03.2026 kello on 17:08
Vs: Alde 3020 sammuu ajettaessa
« Vastaus #8 : 5.06.2024 kello on 12:07 »
Todennäköisesti ongelma tosiaan ratkeaa 10 johdon irroituksella (akun lataus virtalukon kautta), mutta samalla loppuu myös vaunun ajonaikainen lataus.
https://karavaanari.org/kuvat/1517033803.jpg

Ei ehkä se kaikkein hienostunein ratkaisu, koska noissa taitaa olla kallis latausjännitteen korotin asennettuna hommaa varten.

Jos ajonaikaiselle lataukselle on tarvetta, niin todennäköisesti ratkaisu löytyy sähkökeskuksesta.
Pannun jännitteelle pitäisi löytää uusi paikka jota ei katkota releellä ajon aikana.

*****
  • Karavaanari
  • Aiheen aloittaja
  • Viimeksi paikalla: 1.12.2025 kello on 10:05
Vs: Alde 3020 sammuu ajettaessa
« Vastaus #9 : 5.06.2024 kello on 18:19 »
Kiitos, paljon tullut hyviä kommentteja. Minulla on vaunu matkailua varten ei kausipaikalla, jolloin tarve ajon aikaiseen lataukseen on. Ja tarve on vielä talvisaikaan, jolloin paneelistakaan ei ole latausapua.

*****
  • LämmitinGuru
  • Aluevalvoja
  • Kalustoon kuuluva
  • Viimeksi paikalla:tänään kello 06:44
Vs: Alde 3020 sammuu ajettaessa
« Vastaus #10 : 5.06.2024 kello on 19:13 »
Kytke lämmittimelle suora jännite ja kerro mikä laturi on käytössä asuntopuolella?

*****
  • Karavaanari
  • Aiheen aloittaja
  • Viimeksi paikalla: 1.12.2025 kello on 10:05
Vs: Alde 3020 sammuu ajettaessa
« Vastaus #11 : 6.06.2024 kello on 16:54 »
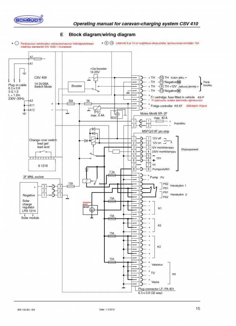
Osaankohan kytkeä, mutta lataussysteemi on SCHAUDT CSV414

*****
  • LämmitinGuru
  • Aluevalvoja
  • Kalustoon kuuluva
  • Viimeksi paikalla:tänään kello 06:44
Vs: Alde 3020 sammuu ajettaessa
« Vastaus #12 : 6.06.2024 kello on 17:39 »
Selvitä mistä kohdasta lämmityksen jännitesyöttö lähtee laturista. Saattaa olla, että lämmittimen jännitejohdon väliin on laitettu rele jota ohjataan autosta tulevalla latausjännitteellä.






*****
  • Karavaanari
  • Aiheen aloittaja
  • Viimeksi paikalla: 1.12.2025 kello on 10:05
Vs: Alde 3020 sammuu ajettaessa
« Vastaus #13 : 7.06.2024 kello on 15:39 »
Kysyin Schaudin teknisestä neuvonnasta mihin mahdollisesti lämmitin on kytketty, en saanut siihen vastausta. Neuvonta kyseenalaisti laillisuuden kaasulämmittimen päälläolon ajon aikana, en tiedä meidän lainsäädäntöä, onko se luvallista. Neuvonta ohjeisti ottamaan lämmittimen virran suoraan hupiakusta, koska laturissa on esto käytölle ajon aikana. Taitaa olla niin monimutkainen asia, että on syytä unohtaa ja palella ainakin talvella.

" Kopio viestistä"Please see the wiring diagram in the attachment for you. The best is to measure where the heater is connected to. Some outputs will be switched off when the car is there and the caravan is on the road for safety reasons. When this is a gas heater, it may not be allowed to use when the vehicle is on on the road.

A possiblility would be to mount the heater fused directly to the leisure battery, but first  I would check if this is allowed because of safety reasons.

*****
  • Kalustoon kuuluva
  • Viimeksi paikalla:tänään kello 09:29
Vs: Alde 3020 sammuu ajettaessa
« Vastaus #14 : 7.06.2024 kello on 15:57 »
Kyllähän meillä pitää lämmittää vaunua tai autoa ajon aikana talvella, eikä se ole laitonta.
Uudemmisa vaaditaan turvallisuuden vuoksi letkurikkoventtiili . Viisaammat muistaa mistä vuodesta alkaen.

 

anything