rekisteriseloste

Tiedote rekisteröitymisestä

Jos et ole saanut vahvistusviestiä rekisteröitymisestä si, tarkista roskapostikansiosi. Tämä erityisesti hotmail ja gmail sähköpostin käyttäjille.

Kirjoittaja Aihe: Primus 2480 ei syty.  (Luettu 14443 kertaa)

*****
  • Matkailija
  • Aiheen aloittaja
  • Viimeksi paikalla:14.05.2024 kello on 15:58
Primus 2480 ei syty.
« : 29.04.2024 kello on 13:44 »
Ostin viime vuonna Hobby 450 missä on Primus 2480 pannu ja 714961 patruuna ja aloin nyt vasta koittaan jos lämpö toimii ja eipä toiminutkaan.
Yritin kaasulla eka käynnistää mut menee vaan s. puoli minuuttia ja sit syttyy valo, painan sitä palautusnappia ja sama taas, ei mitään ääntä ku syttyy vaan valo
mutta kun valo syttyy niin kuuluu joku napsaus jostain.
Laitoin 230v roikka seinään ja patruuna lämpenee vaan jonku aikaa ja katkasee sit ylilämmön takia.
En usko että kiertopumppu toimii ja mittasin ohjauspaneelista nasta 4 ja jotain vaan välähti mittarissa mut ei mitään selvää virtaa tullu ku painoin käynnistysnappia..

Mistähän sitä alottais..?
Pannulle asti tulee virtaa ainaki, koittanut laittaa 5s johto ykkös nastaan muttei auta..

Miten ne pienet kaasuhanat tulee olla, yks on pannun alla ja yks sielä missä kaasuputket jakaantuu pannulle/keittiöön..?

Sori jos mun suomenkieli alkaa oleen vähän heikko..

*****
  • Kaikkien Kaveri
  • Viimeksi paikalla:18.02.2026 kello on 19:16
Vs: Primus 2480 ei syty.
« Vastaus #1 : 29.04.2024 kello on 16:52 »
Pannun kaasulinjan sulkuventtiili (seinässä) muistaakseni vipu ylhäällä se on auki, 0 ja 1 on merkattu siihen vipuun.
Pannun alla olevalla ei pitäisi olla vaikutusta syttymiseen, sillä säädetään tehoa sulkemalla yksi poltin kolmesta.

Vetääkö kaasuventtiili (naksahtaa kovaa) pannun alla startatessa? Haiseeko kaasu?

Tuossa sähköpatruunassa ei taida olla omaa kiertopumppua, silloin ohjauspanelin 4 nasta pitäisi olla kytketty.
4 ja 8 napojen välistä pitäisi löytyä 12v kun sähkölämmitys on päällä.

https://karavaanari.org/index.php?action=dlattach;topic=11.0;attach=75;image

https://karavaanari.org/kuvat/1454086255.jpg

https://karavaanari.org/kuvat/1484639251.jpg

*****
  • LämmitinGuru
  • Aluevalvoja
  • Kalustoon kuuluva
  • Viimeksi paikalla:tänään kello 10:33
Vs: Primus 2480 ei syty.
« Vastaus #2 : 29.04.2024 kello on 21:59 »
Kohisiko kaasu kun yritit käynnistää?Jos kaasuventtiili ei vedä niin vika on poksissa tai venttiilin nastat hapettuneet. Kaasuventtiili ei myöskään vedä kun hehku on poikki ja sen voi mitata, jos näyttää 12 volttia on hehku rikki.

*****
  • Matkailija
  • Aiheen aloittaja
  • Viimeksi paikalla:14.05.2024 kello on 15:58
Vs: Primus 2480 ei syty.
« Vastaus #3 : 29.04.2024 kello on 22:59 »
Ei kohissu mikään, en ole vielä istunu sen pannun vieressä kun joku muu painaa käynnistysnappulast a vaunun sisällä niin en tiedä mitä tapahtuu just sillon..
Pitää koittaa se huomena..

*****
  • Matkailija
  • Aiheen aloittaja
  • Viimeksi paikalla:14.05.2024 kello on 15:58
Vs: Primus 2480 ei syty.
« Vastaus #4 : 29.04.2024 kello on 23:00 »
Mitä tarkotat jos hehku on poikki..?

*****
  • Matkailija
  • Aiheen aloittaja
  • Viimeksi paikalla:14.05.2024 kello on 15:58
Vs: Primus 2480 ei syty.
« Vastaus #5 : 29.04.2024 kello on 23:01 »
Ja mistä se mitataan se 12v jos hehku on rikki.?

*****
  • Kaikkien Kaveri
  • Viimeksi paikalla:18.02.2026 kello on 19:16
Vs: Primus 2480 ei syty.
« Vastaus #6 : 30.04.2024 kello on 09:51 »
Jos hehkutulpan vastuslanka on palanut poikki, niin kaasuventtiilin käämi ei vedä eikä hehkulankakaan hehku.

Hehkun jännite on helpoin mitata pannun rungon ja mustan boxin kiinnitysruuvin väliltä heti käynnistyksen jälkeen.
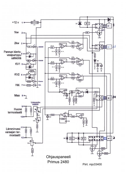
Se boxin ruuvi kiertyy hehkutulpan päässä olevaan kierteeseen, kuvassa kohta kv1 napa 1.

https://karavaanari.org/index.php?action=dlattach;topic=11.0;attach=75;image

Jännitteen pitäisi olla 2,4-2,7V, jos on 12v niin hehkun lanka on poikki.

*****
  • Matkailija
  • Aiheen aloittaja
  • Viimeksi paikalla:14.05.2024 kello on 15:58
Vs: Primus 2480 ei syty.
« Vastaus #7 : 30.04.2024 kello on 10:20 »
Ok nyt tajuan..😁👍🏻

*****
  • Matkailija
  • Aiheen aloittaja
  • Viimeksi paikalla:14.05.2024 kello on 15:58
Vs: Primus 2480 ei syty.
« Vastaus #8 : 5.05.2024 kello on 19:00 »
Noniin, napsautin meisselillä kiertopumppua niin rupes se pyöriin ainaki, mittasin rungon ja hehkuruuvin väiltä 0v kun yrittää käyntiin ja kun "sulake" katkasee niin näyttää -0.3v, elikkä niinku olis +0.3v rungossa..?🤔

*****
  • Matkailija
  • Aiheen aloittaja
  • Viimeksi paikalla:14.05.2024 kello on 15:58
Vs: Primus 2480 ei syty.
« Vastaus #9 : 8.05.2024 kello on 17:30 »
Ei kukaan tiedä mikä vois olla vikana...?

  • Vieras
  • Vs: Primus 2480 ei syty.
    « Vastaus #10 : 8.05.2024 kello on 18:29 »
    Tuon perusteella jännite ei tule hehkulle asti eli jää välille. Tuleeko kaasuventtiilin navalle 3 12V jännite? Jos tulee niin mittaa kaasuventtiilin napojen 1 ja 3 väliltä ettei kela ole rikki. Mittarin pitäisi näyttää 5ohm. Jos kaasuventtiilillekk ään ei tule jännite niin sitten lienee tuo MJO:n mainitsema boksi vika.

    *****
    • Matkailija
    • Aiheen aloittaja
    • Viimeksi paikalla:14.05.2024 kello on 15:58
    Vs: Primus 2480 ei syty.
    « Vastaus #11 : 8.05.2024 kello on 19:20 »
    Ok kiitos, melko kumma tai oikeesti ei että täältä ruottista ei löytynyt yhtään tämmöstä apua/tietoa lämpölaitteeseen ja sama ku ettii tietoa muihinki eri ongelmiin..

    *****
    • Kaikkien Kaveri
    • Viimeksi paikalla:18.02.2026 kello on 19:16
    Vs: Primus 2480 ei syty.
    « Vastaus #12 : 8.05.2024 kello on 23:58 »
    Jos 12v ei tule kaasuventtiilille asti, niin kannattaa mitata seuraavaksi vesi termostaatin molemmat navat. Venttiiliä ohjaavan releen 12v syöttö näyttää kiertävän sen kautta.

    Jos ei niissäkään eloa, niin seuraavaksi mustalle boxille tulevat 1 ja 4 navat. Sekä maa 3 pinnistää. Nämä olisi voinut tietysti opastaa tarkastamaan ekana. :)

    Näiden mittausten perusteella pitäisi pystyä sanomaan missä vika on.


    *****
    • Matkailija
    • Aiheen aloittaja
    • Viimeksi paikalla:14.05.2024 kello on 15:58
    Vs: Primus 2480 ei syty.
    « Vastaus #13 : 9.05.2024 kello on 00:23 »
    Kiitos Thumb tuo kuva auttaa paljon :)
    Pitää mittailla taas..

    *****
    • LämmitinGuru
    • Aluevalvoja
    • Kalustoon kuuluva
    • Viimeksi paikalla:tänään kello 10:33
    Vs: Primus 2480 ei syty.
    « Vastaus #14 : 9.05.2024 kello on 01:01 »







     

    anything