rekisteriseloste

Tiedote rekisteröitymisestä

Jos et ole saanut vahvistusviestiä rekisteröitymisestä si, tarkista roskapostikansiosi. Tämä erityisesti hotmail ja gmail sähköpostin käyttäjille.

Kirjoittaja Aihe: Primus 2490 ongelma  (Luettu 14194 kertaa)

  • Vieras
  • Primus 2490 ongelma
    « : 26.03.2024 kello on 16:54 »
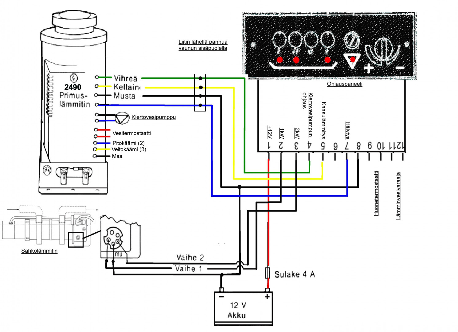
    Ongelma että kun napista laittaa kaasulämmityksen päälle lähtee kiertovesipumppu hyvin toimimaan mutta heti kun poltin hörähtää tulille sammuu kiertovesipumppu eikä lähde enää kierrättämään. Pumppu toimii ja poltin toimii vaan ei yhtäaikaa. Mistähän vikaa etsisin?

    *****
    • LämmitinGuru
    • Kalustoon kuuluva
    • Viimeksi paikalla:tänään kello 06:55
    Vs: Primus 2490 ongelma
    « Vastaus #1 : 27.03.2024 kello on 08:48 »
    Oletko mitannut jännitteitä poksin tulolittiimestä ja pumpun liittimestä?








     

    anything