rekisteriseloste

Tiedote rekisteröitymisestä

Jos et ole saanut vahvistusviestiä rekisteröitymisestä si, tarkista roskapostikansiosi. Tämä erityisesti hotmail ja gmail sähköpostin käyttäjille.

Kirjoittaja Aihe: Hupiakku ei lataudu ajon aikana, AdriaWin (ducato 2,3 Jtd vm 04)  (Luettu 11336 kertaa)

*****
  • Matkailija
  • Aiheen aloittaja
  • Viimeksi paikalla: 9.03.2026 kello on 14:09
Mootoritilassa olevat sulakkeet 30 A ja 2 A ovat kunnossa.
Ohjauspaneelin ja käynnistysakun johto on OK (led valot reagoivat sekä käynnistys- että hupiakun varaustilaan).
Jääkaappi ei toimi ajonaikana 12V:lla.
Käynnistysakku ja hupiakku latautuu auton ollessa kytkettynä verkkovirtaan.
Autossa on EBL 263-4.

*****
  • Matkailija
  • Aiheen aloittaja
  • Viimeksi paikalla: 9.03.2026 kello on 14:09
konehuoneen ja hupipuolen välinen sulake ehjä ja hapertumaton?
Kuten alussa todettu:
"Mootoritilassa olevat sulakkeet 30 A ja 2 A ovat kunnossa.
Ohjauspaneelin ja käynnistysakun johto on OK (led valot reagoivat sekä käynnistys- että hupiakun varaustilaan).
Jääkaappi ei toimi ajonaikana 12V:lla.
Käynnistysakku ja hupiakku latautuu auton ollessa kytkettynä verkkovirtaan.
Autossa on EBL 263-4."

*****
  • Kalustoon kuuluva
  • Viimeksi paikalla:tänään kello 14:49
  • viva la France
Kuten alussa todettu:
"Mootoritilassa olevat sulakkeet 30 A ja 2 A ovat kunnossa.
Ohjauspaneelin ja käynnistysakun johto on OK (led valot reagoivat sekä käynnistys- että hupiakun varaustilaan).
Jääkaappi ei toimi ajonaikana 12V:lla.
Käynnistysakku ja hupiakku latautuu auton ollessa kytkettynä verkkovirtaan.
Autossa on EBL 263-4."

Yleensä kun suurin osa 12 voltin toiminnoista pimenee vika löytyy maadoituspuolelta.

*****
  • Kaikkien Kaveri
  • Viimeksi paikalla: 6.03.2026 kello on 13:57
    • Matkailuvinkkejä
Kuten alussa todettu:
Jääkaappi ei toimi ajonaikana 12V:lla.
Autossa on EBL 263-4."

Tuo viittaa D+ virran puutteeseen.
Joku jolla on tietoa kytkennästä voisi kertoa mihin nastaan laturilla tuo jännitteen kuuluu tulla.

*****
  • LämmitinGuru
  • Aluevalvoja
  • Kalustoon kuuluva
  • Viimeksi paikalla:tänään kello 09:13
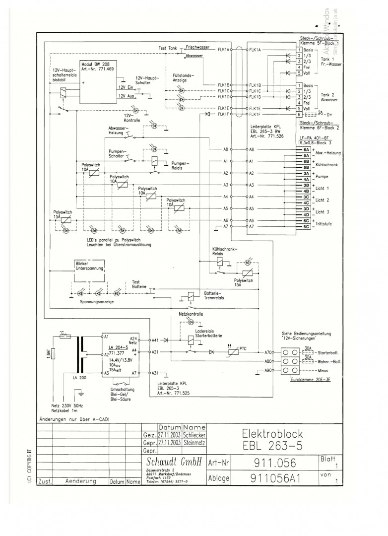
Olisiko tästä hyötyä?









*****
  • Kaikkien kaveri Sr.
  • Viimeksi paikalla:27.03.2026 kello on 15:06
latautuiko hupiakku ajon aikana?

*****
  • Kaikkien Kaveri
  • Viimeksi paikalla: 6.03.2026 kello on 13:57
    • Matkailuvinkkejä
latautuiko hupiakku ajon aikana?

Tuo kertoo myös tuleeko moottorin käydessä verkkolaturille D+ ”Tank 2” nastaan 6

*****
  • Matkailija
  • Aiheen aloittaja
  • Viimeksi paikalla: 9.03.2026 kello on 14:09

*****
  • Kaikkien Kaveri
  • Viimeksi paikalla: 6.03.2026 kello on 13:57
    • Matkailuvinkkejä
D+ virta sammuttaa latauksen merkkivalon ja joskus kun sitä käytetään muuhun ohjaukseen, voi laturilla oleva huono kontakti aiheuttaa merkkivaloon himmeän hehkun.
Latauksen merkkivalopolttimon toinen puoli on kytketty +12 V jännitteeseen ja kun laturi pyörii se syöttää D+ navasta jännitettä merkkivalon toiselle puolen jolloin valo sammuu.

*****
  • Matkailija
  • Aiheen aloittaja
  • Viimeksi paikalla: 9.03.2026 kello on 14:09
Starttiakun ja asuinosan väliset sulakkeet löytyy moottoritilan rintapellistä starttiakun vierestä, 30 A sulake jossa on jatkuva virta suoraan akusta (tässä autossa paksu punainen johto) sekä 2 A sulake joka on releen ohjausvirta (D+) ja on jännitteinen moottorin käydessä (tässä autossa vihreä ohuempi johto). Tarkstin johtojen jännitteisyyden sekä moottorin seistessä että käydessä. Kaikki toimii kuin junan wc.



Auton EBL sijaitsee takakaapissa käyttöpaneelin takana. Irroittamalla käyttöpaneelin neljä "nurkkaruuvia" irtoaa käyttöpaneeli ja samalla EBL. Sitten piti rakentaa kaapin eteen n. metrin korkuinen taso (baarijakkara,finfoamlevyt ja pikapuristimet) että sai EBL:n kääntymään ulos kotelosta.
 


Johdot oli kuitenkin senverran lyhyitä ettei boksi kääntynyt tarpeeksi ulos. Peilin avulla 4 johtoa irti ja EBL kääntyi tarpeeksi.



Boksin takana oli katkennut "Tank 2" pinnistä 6 johto (D+). Johto kiinni ja 20 cm lisäpätkät irrotettuihin johtoihin (ettei tarvi mahdollisella seuraavalla kerrallan taas irroitelle niitä), sitten moottori käyntiin. Asuinosan virta 14 V.







Erityiskiitos jäsenille mjo33400 ja mjh48.
« Viimeksi muokattu: 12.11.2023 kello on 17:02 »

*****
  • Kaikkien Kaveri
  • Viimeksi paikalla: 6.03.2026 kello on 13:57
    • Matkailuvinkkejä
Hyvä kun ongelma ratkesi.
Näin pitää toimia, eli antaa vian korjausraportti, niin se hyödyttää muita jatkossa.

*****
  • Karavaanari
  • Viimeksi paikalla:10.03.2026 kello on 20:10
Myös erityskiitos @vesttalle siitä, että kerroit asian ratkaisun ja lopputilanteen. Valitettavan usein - todella usein nämä keskustelusäikeet jäävät välitilaan... (usein ilman lopullista ratkaisua mikä oli lopputulema tai oikea tilanteen ratkaisu). Esimerkillinen ketju, jossa ongelma, ongelman ratkontaa ja pohintaa sekä palattu kertomaan miten asia lopullisesti ratkesi/päättyi + dokumentointi. KIITOS, @vestta.

Edit: jaha @mjh48 ehti kuittaamaan ensin.

 

anything