rekisteriseloste

Tiedote rekisteröitymisestä

Jos et ole saanut vahvistusviestiä rekisteröitymisestä si, tarkista roskapostikansiosi. Tämä erityisesti hotmail ja gmail sähköpostin käyttäjille.

Kirjoittaja Aihe: DC-DC laturi  (Luettu 23400 kertaa)

*****
  • Karavaanari
  • Aiheen aloittaja
  • Viimeksi paikalla: 4.03.2026 kello on 16:15
  • Fiat ducato 2.3 JTD 130 Alkov vm.2010
DC-DC laturi
« : 27.10.2023 kello on 19:18 »
Olen laittamassa Litium hupiakun ja sille DC-DC laturin mutta pitäisi sitten poistaa alkuperäinen ajon aikainen lataus. Näistä joku sulake pitäisi poistaa?

*****
  • Kalustoon kuuluva
  • Viimeksi paikalla:tänään kello 11:33
  • Autossa on pyörät
Vs: DC-DC laturi
« Vastaus #1 : 27.10.2023 kello on 19:29 »
Tuonhan voi tehdä EBL:ssä. Mikä malli?
Ps, mitä hyötyä siitä?

*****
  • Karavaanari
  • Aiheen aloittaja
  • Viimeksi paikalla: 4.03.2026 kello on 16:15
  • Fiat ducato 2.3 JTD 130 Alkov vm.2010
Vs: DC-DC laturi
« Vastaus #2 : 27.10.2023 kello on 19:35 »
Vissiin EBL 208

*****
  • Karavaanari
  • Aiheen aloittaja
  • Viimeksi paikalla: 4.03.2026 kello on 16:15
  • Fiat ducato 2.3 JTD 130 Alkov vm.2010
Vs: DC-DC laturi
« Vastaus #3 : 27.10.2023 kello on 20:01 »
Tuonhan voi tehdä EBL:ssä. Mikä malli?
Ps, mitä hyötyä siitä?
DC-DC laturista vai? Olen käsittänyt et Litium akku lataantuu paremmin.

*****
  • Karavaanari
  • Viimeksi paikalla:eilen kello 22:57
  • Puskailija MB Sprinter 319cdi 4x4
Vs: DC-DC laturi
« Vastaus #4 : 27.10.2023 kello on 20:11 »
Lifepo4 akun virranottokyky on niin raju ettei vakio laturi eikä johdotukset kestä lifepon ottamaan virtaa suoraan rele kytkennällä toteutettuna, ja toisekseen lifepon latausjännite on eri kuin perus lyijyakun. Siksi se tarvii dc-dc laturin.

Jos alkuperäisissä johdotuksissa vaan pinta-ala riittää niin käyttäisin niitä myös sille dc-dc laturille, pysyis paikat siistimpänä.

*****
  • Karavaanari
  • Aiheen aloittaja
  • Viimeksi paikalla: 4.03.2026 kello on 16:15
  • Fiat ducato 2.3 JTD 130 Alkov vm.2010
Vs: DC-DC laturi
« Vastaus #5 : 27.10.2023 kello on 20:22 »
Lifepo4 akun virranottokyky on niin raju ettei vakio laturi eikä johdotukset kestä lifepon ottamaan virtaa suoraan rele kytkennällä toteutettuna, ja toisekseen lifepon latausjännite on eri kuin perus lyijyakun. Siksi se tarvii dc-dc laturin.

Jos alkuperäisissä johdotuksissa vaan pinta-ala riittää niin käyttäisin niitä myös sille dc-dc laturille, pysyis paikat siistimpänä.
Ohje sanoo et kaapeli pitää olla 10mm2. Et pitää vetää uudet johdot.

*****
  • Karavaanari
  • Viimeksi paikalla:10.03.2026 kello on 20:10
Vs: DC-DC laturi
« Vastaus #6 : 27.10.2023 kello on 22:15 »
Vaikka otsikossa on DC-DC laturista niin kokonaisuuden kannalta kiinnostaa kyllä myös miten on ajateltu ja tarkoitus hoitaa ei ajon aikainen akkujen lataus 230V verkossa oltaessa.
Eli miten hoituu erilaisten akkujen verkkolataus starttiakku/hupiakku, vai onko noita enää tarkoitus ladata verkon kautta ollenkaan?

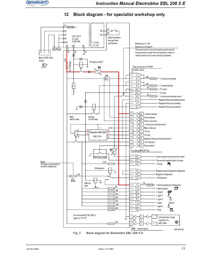
Tuossa EBL208 taitaa se vasemman puoleisin 20A (keltainen) sulake olla se sisäinen laturi (int.charger), joka ottaa EBLn latauksen pois käytöstä (taitaa mennä sekä ajo+verkkolataus), varmista vielä muista lähteistä tuo.

Vähän vaikeasti on palstalla/tai muuallakaan näkynyt selkeästi kuvattuna kokonaisratkaisua näissä LiFePo4 akkujen vaihdoissa. Tuntuu vähän jokaisella olevan omanlainen ratkaisunsa tai kuvaukset toteutuksesta osittaiset, vaikka perustilanteessa lähes kaikissa on sama alkuperäinen lähtötilanne, kaikki EBLn hoitamana. Eli EBL hoitaa kaiken ajo+verkkolatauksen. Onko sitten lopputulema se, että laitetaan DC-DC-laturi ajoa varten ja 2kpl verkkolatureita hoitamaan starttiakkua ja hupiakkua vai useamman erillisen ohjelmoitavan ulostulon hallitseva verkkolaturi.

Tietysti valitut (eri valmistajien) ratkaisut aiheuttavat erilaisia toteutuksia.

*****
  • Karavaanari
  • Aiheen aloittaja
  • Viimeksi paikalla: 4.03.2026 kello on 16:15
  • Fiat ducato 2.3 JTD 130 Alkov vm.2010
Vs: DC-DC laturi
« Vastaus #7 : 28.10.2023 kello on 05:52 »
EBL verkkojohdon meinaan jättää irti ja laittaa lipolle uuden verkkolaturin.


*****
  • Kalustoon kuuluva
  • Viimeksi paikalla:tänään kello 11:33
  • Autossa on pyörät
Vs: DC-DC laturi
« Vastaus #8 : 28.10.2023 kello on 08:55 »
EBL verkkojohdon meinaan jättää irti ja laittaa lipolle uuden verkkolaturin.
Toimiiko EBL seen jälkeen muita toiminnoiltaan? Sehän ei ole pelkkä laturi.

*****
  • Karavaanari
  • Aiheen aloittaja
  • Viimeksi paikalla: 4.03.2026 kello on 16:15
  • Fiat ducato 2.3 JTD 130 Alkov vm.2010
Vs: DC-DC laturi
« Vastaus #9 : 28.10.2023 kello on 09:08 »
Tomii. Mulla ei oo koskaan EBL ladannut ajo akkua. En tiedä pitäiskö ?

*****
  • LämmitinGuru
  • Aluevalvoja
  • Kalustoon kuuluva
  • Viimeksi paikalla:19.03.2026 kello on 19:21
Vs: DC-DC laturi
« Vastaus #10 : 28.10.2023 kello on 11:54 »
Kyllä lataa ajoakkua 2Ampeerin virralla.



*****
  • Karavaanari
  • Viimeksi paikalla:eilen kello 22:57
  • Puskailija MB Sprinter 319cdi 4x4
Vs: DC-DC laturi
« Vastaus #11 : 28.10.2023 kello on 14:11 »
Ei kai sitä ajoakkua tarvi olla aina lataamassa? Eihän sitä muissakaan autoissa ladata kuin ajon aikana...

Tietenki eriasia jos autossa on jotaki kulutusta joka käyttää starttiakkua parkissa ollessa, tosin silloinhan sähköt on väärin kytketty.

*****
  • Kalustoon kuuluva
  • Viimeksi paikalla:tänään kello 09:30
Vs: DC-DC laturi
« Vastaus #12 : 28.10.2023 kello on 14:24 »
Ei kai sitä ajoakkua tarvi olla aina lataamassa? Eihän sitä muissakaan autoissa ladata kuin ajon aikana...

Tietenki eriasia jos autossa on jotaki kulutusta joka käyttää starttiakkua parkissa ollessa, tosin silloinhan sähköt on väärin kytketty.
Sitä ajoakkua on syytä ladata, kun auto on seisonnassa....

Muut autot on yleensä liikenteessä ympärivuoden.
Hyvä lisä, kun ajoakun saa ladattua samaikaisesti hupiakun kanssa. Autossa on nykyisin kaikenlaista virrankuluttajaa auton seisoessakin. Akunkengän irrottaminenkin voi sekoittaa auton elektroniikkaa.

*****
  • Kalustoon kuuluva
  • Viimeksi paikalla:tänään kello 11:33
  • Autossa on pyörät
Vs: DC-DC laturi
« Vastaus #13 : 28.10.2023 kello on 14:28 »
Ei minun asuntoauton ajoakku tyhjene, mikäli radio on oikein kytketty ei tyhjene muillakaan. Samoin Volvo seisoi yli 2kk "Pohjola liikenteen tallissa" eikä mitään tyhjentynyt.

*****
  • Karavaanari
  • Viimeksi paikalla:eilen kello 22:57
  • Puskailija MB Sprinter 319cdi 4x4
Vs: DC-DC laturi
« Vastaus #14 : 28.10.2023 kello on 14:45 »
Ei ole mullakaan ollu ongelmia vaikka parikin autoa seisoo ~6kk vuodesta. Toki vanhemmassa akku irti mutta ei sprintterikään ole ollu moksiskaan useamman kuukauden käyttämättömyydestä akku kiinni.
Avaimesta käyntiin.

 

anything