rekisteriseloste

Tiedote rekisteröitymisestä

Jos et ole saanut vahvistusviestiä rekisteröitymisestä si, tarkista roskapostikansiosi. Tämä erityisesti hotmail ja gmail sähköpostin käyttäjille.

Kirjoittaja Aihe: EBL 208 ongelma taas!  (Luettu 6515 kertaa)

*****
  • Matkailija
  • Aiheen aloittaja
  • Viimeksi paikalla:16.08.2025 kello on 15:09
EBL 208 ongelma taas!
« : 19.08.2023 kello on 16:27 »
Niinkuin vähän aiemmin kirjoittelin aiheuttaa Fiat/Adriatekin lataaminen harmaita hiuksia.
Ensin ei auto ladannut hupiakkua, muuten homma pelasi. Se korjaantui vaihtamalla oikean etupenkin alta löytynyt 30A:n sulake.
Tänään taas lakkasi auto lataamasta akkua.
Nyt homma kehittyi sen verran että akku ei lataannu myöskään 230V:lla.
Virta käyttöpaneliin tulee vain auton käydessä.
Vika alkoi kun akku oli vedetty sen verran tyhjiin että invertterikin alkoi piippaamaan alhaista jännitettä.
Käyttöpanelin on/off kytkintä painettaessa laturiosassa rele naksuu.
Penkin alta 20/30 A:n sulakkeet ja sähkökeskuksen 30 A sulake ja niiden jännitteet on tarkastettu.
Mitäs ny keksitään?

  • Vieras
  • Vs: EBL 208 ongelma taas!
    « Vastaus #1 : 20.08.2023 kello on 11:46 »
    Onkohan se erillinen 2A harmaa sulake ehjä, joka on tuon EBL vasemmalla puolella olevan 30A sulakkeen vieressä?

    *****
    • Matkailija
    • Aiheen aloittaja
    • Viimeksi paikalla:16.08.2025 kello on 15:09
    Vs: EBL 208 ongelma taas!
    « Vastaus #2 : 20.08.2023 kello on 12:15 »



    Tarkoitit tuota sulaketta. Ehjä on juu kuten muutkin näkyvät sulakkeet.
    Sen kun nyppäsee pois niin esim. vedet alkaa valumaan säiliöstä eli toimii.

  • Vieras
  • Vs: EBL 208 ongelma taas!
    « Vastaus #3 : 20.08.2023 kello on 13:36 »
    Onko yleismittaria käytettävissä?
    Jos on, niin mitä yleismittari antaa jännitteksi nastojen 1 ja 5 välille silloin kun auto ei ole kytketty maasähköön.
    Ja mikä on nastojen 1 ja 5 välinen jännite silloin kun auto on kytkettynä maasähköön.

    Onko autossa tuota sähkökäyttöistä rappusta? Jos on niin toimiiko se?


    *****
    • Matkailija
    • Aiheen aloittaja
    • Viimeksi paikalla:16.08.2025 kello on 15:09
    Vs: EBL 208 ongelma taas!
    « Vastaus #4 : 20.08.2023 kello on 14:02 »
    Juu, yleismittari on käytössä ja käytän sitä ihan ammatissani eli osaan kyllä. :)
    Täytyypä käydä mittaamassa. Mikä lukema sieltä pitäisi saada?
    Äsken kun kävin laittamassa täyteen ladatun akun paikalleen niin käyttöpanelissa ei ledit syty vaikka rele naksahtaa on/off tilanteessa.
    Panelissa on kyllä sikäli sähköt että jännitteiden ja nestemäärien mittaukset javalaistus toimii.
    Sähkörappau ei toimi niinkuin ei mikään muukaan asunto-osassa paitsi silloin kun auto on käynnissä.

  • Vieras
  • Vs: EBL 208 ongelma taas!
    « Vastaus #5 : 20.08.2023 kello on 14:35 »
    Oletko käynyt oheiseen aiheen läpi. Siellä on ollut samaoloinen ongelma.
    https://karavaanari.org/index.php?topic=26668.0

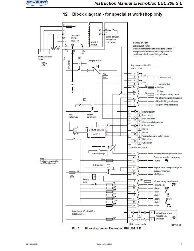
    Sielä on tuo kytkentäkaavio, mitä tutkimalla pääsee tuon ongelman jäljille.
    Eli saatko tuon EBL kuoren auki ja löydätkö nuo releet, jotka saa manuaalisesti kytkettyä päälle.

    Lähinnä kiinnostaa, että toimiiko tuo 230V laturi, jos maasähkössä napojen 1 ja 5 jännite nousee yli 14V.
    Sähkökaavion mukaan maasähkön laturin jälkeen on 20A sulake, joten kiinnostaisi, että onko se ehjä, jos ei kerran lataa hupiakkua maasaähkössä.


    *****
    • Matkailija
    • Aiheen aloittaja
    • Viimeksi paikalla:16.08.2025 kello on 15:09
    Vs: EBL 208 ongelma taas!
    « Vastaus #6 : 20.08.2023 kello on 18:28 »
    Juu, otin kopan auki ja löysin sieltä releen josta toisessa vietiketjussa kerrottiin.
    Sekin oli jumissa, mutta vähän spraylla käsittelemällä lähti liikkeelle ja manuaalikytkentä onnistui.
    Se ei kuitenkaan vikaa korjannut.
    Aloin tarkistelemaan uudelleen sulakkeita ja akulle menevä 30A:n sulaketta (ehjä) tutkiessa huomasin että sen abiko-liittimet oli varsin löysiä.
    Niitä liikutellessa alkoikin taas kaikki pelaamaan.
    Puristelin liittimet kireäksi ja homma toimii edelleen. Ne johdot roikkuu vielä ilman mitään vedonpoistoa sen sulakkeenpitimen pohjassa.
    Huono liitos varmaan lämmittää sitä liitosta ja se saa sulakkeen lämpenemään kun muoviosat oli taas vähän sulaneen näköiset.
    Lienee syytä tarkistella kaikki vastaavat liitokset esim. apuhenkilön penkin alta.

    *****
    • Kalustoon kuuluva
    • Viimeksi paikalla:11.05.2026 kello on 06:46
    • Kulkija
    Vs: EBL 208 ongelma taas!
    « Vastaus #7 : 20.08.2023 kello on 20:56 »
    Kannattaa rasvata ne liitokset, MJO:n (foorumin asiantuntijan) hyvä neuvo. Mulla kärähti edellisen auton EBL kun ei oltu rasvattu.

    WD-40 ainakin käy.

  • Vieras
  • Vs: EBL 208 ongelma taas!
    « Vastaus #8 : 20.08.2023 kello on 21:32 »
    Itse olen käyttänyt oheisia tuolla venepuolella.
    https://www.motonet.fi/fi/tuote/606066/CRC-Oxide-Clean--Protect-PRO-Kontaktipuhdistaja-250-ml

    https://www.motonet.fi/fi/tuote/606063/CRC-HD-Vaseline-PRO-Vaseliinispray-200-ml

    ihan mielenkiinnosta, että toimiiko se sähköporras nyt ilman, että paneeli on päällä?

    *****
    • Matkailija
    • Aiheen aloittaja
    • Viimeksi paikalla:16.08.2025 kello on 15:09
    Vs: EBL 208 ongelma taas!
    « Vastaus #9 : 21.08.2023 kello on 06:28 »
    Sähköporras on toiminut aina ennenkin ilman että sähkö panelissa on kytkettynä.
    Niin nytkin.
    Siinä asioita tarkastellessa tuli mieleen etttä kun asuntopuolessa on AGM-akku niin pitääkö
    EBL:n "Battery-type" asetus olla silloin Lead-Gel vai Lead-Acid?
    Nyt se näkyy olevan Gel.

  • Vieras
  • Vs: EBL 208 ongelma taas!
    « Vastaus #10 : 21.08.2023 kello on 15:57 »
    Oman kokemuksen perusteella pitäisi sen tuossa Gel asennossa sillä ainakin omassa NE237 keskuksessa tällöin latausjännite on 14.4V.
    Itsellä oma AGM akku ei anna enää riittävästi virtaa invertterille kolmen kesän jälkeen, kun lataus asetus oli jäänyt tuohon Lead-Acid asentoon, jolloin latausjännite on 14.7V. Vaikka tuon AGM akun ominaisuuksissa sanottiin kestävän latausta tuohon 14.7V asti, jolloin on ns. pikalatausta.

    Tuo rapputieto on hyvä, sillä silloin tietää heti alkuun, että vika on hupiakusta tulevan virran puutteesta, jos porras ei toimi.


    *****
    • Karavaanari
    • Viimeksi paikalla:tänään kello 09:11
    Vs: EBL 208 ongelma taas!
    « Vastaus #11 : 21.08.2023 kello on 17:34 »
    Rappu saanee sähkönsä auton akun ja virtalukon takaa. Muuten voisi aamulla jäädä ulos.

  • Vieras
  • Vs: EBL 208 ongelma taas!
    « Vastaus #12 : 21.08.2023 kello on 17:48 »
    Rappu saanee sähkönsä auton akun ja virtalukon takaa. Muuten voisi aamulla jäädä ulos.

    Tämähän on mielenkiintoinen tieto. Eli jos olisin ahtaassa matkaparkissa yötä ja haluaisin laittaa yöksi rapun sisään, niin rapun saisi sisään vain kytkemällä autoon virrat päälle virtalukosta ja tämän jälkeen saisi katkaisijasta laitettua tuon rapun sisään. Sen kyllä ymmärrän, että kun auto laitetaan käyntiin niin rappu saa herätteen D+ johdolta, jolloin hälytetään siitä, että rappu on ulkona.
    Ja rapun saa siis vain ulos vain silloin kun auton virtalukossa on virrat päällä.

    Taas opin jotain uutta tänään.

    *****
    • LämmitinGuru
    • Aluevalvoja
    • Kalustoon kuuluva
    • Viimeksi paikalla:tänään kello 06:55
    Vs: EBL 208 ongelma taas!
    « Vastaus #13 : 21.08.2023 kello on 17:56 »
    Onhan rapussa oma paneeli josta ohjataan sisään ja ulos. Kun auto käynnistettään niin rappu vetäytyy sisään. D+ ohjaa sitä. Sähkö tulee hupiakusta. Katso kytkentäkuvaa.



    *****
    • Karavaanari
    • Viimeksi paikalla:tänään kello 09:11
    Vs: EBL 208 ongelma taas!
    « Vastaus #14 : 21.08.2023 kello on 19:52 »
    Tämähän on mielenkiintoinen tieto. Eli jos olisin ahtaassa matkaparkissa yötä ja haluaisin laittaa yöksi rapun sisään, niin rapun saisi sisään vain kytkemällä autoon virrat päälle virtalukosta ja tämän jälkeen saisi katkaisijasta laitettua tuon rapun sisään. Sen kyllä ymmärrän, että kun auto laitetaan käyntiin niin rappu saa herätteen D+ johdolta, jolloin hälytetään siitä, että rappu on ulkona.
    Ja rapun saa siis vain ulos vain silloin kun auton virtalukossa on virrat päällä.

    Taas opin jotain uutta tänään.

    Sähkö kulkee virtalukon kautta. Tai jotain muuta vastaavaa järjestelmän mukaista reittiä. Kuitenkin kun käynnistää auton, jos sähköä on, ulos jäänyt porras antaa varoituksen, "älä lähde liikkeelle". Jos se olisi hupiakun takana, voisit ajella tyytyväisenä porras ulos törröttäen. Virtalukon osuus on se varoituksen antaminen, laittaessasi auton virrat päälle.

     

    anything