rekisteriseloste

Tiedote rekisteröitymisestä

Jos et ole saanut vahvistusviestiä rekisteröitymisestä si, tarkista roskapostikansiosi. Tämä erityisesti hotmail ja gmail sähköpostin käyttäjille.

Kirjoittaja Aihe: EBL 208 ongelma  (Luettu 5127 kertaa)

*****
  • Matkailija
  • Aiheen aloittaja
  • Viimeksi paikalla:16.08.2025 kello on 15:09
EBL 208 ongelma
« : 16.08.2023 kello on 06:45 »







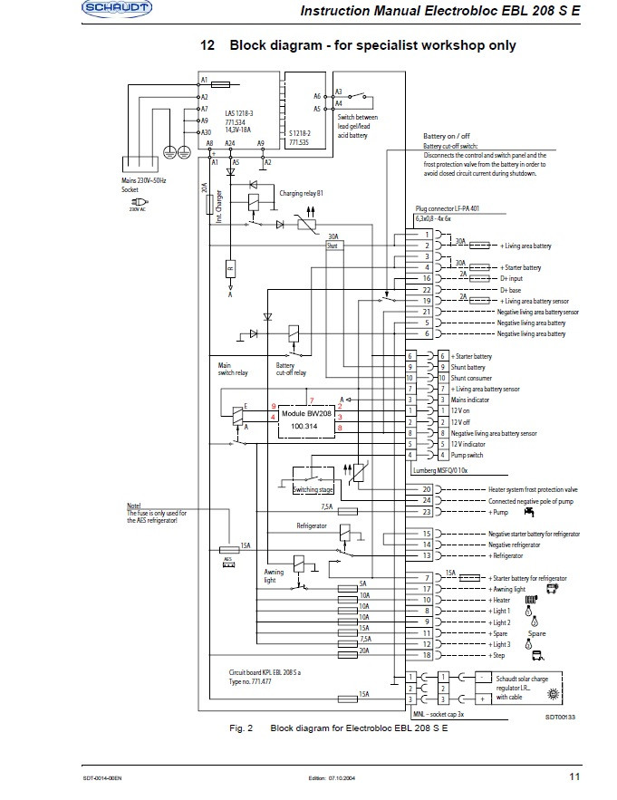
Auto on Fiat Adriatik ja ongelma koskee sähkökeskusta EBL208Se.
Hupiakun lataus auton 12 Voltilla ei toimi. 230V:lla lataus toimii.
Kerran aiemmin 30A sulake päävirrassa on palanut, mutta tällä kertaa sulakkeelle tulee jännite ja se on ehjä.
Kaikki näkyvät sulakkeet olen tarkastanu ja kunnossa ovat.
Onko piilossa sulakkeita vai mistä vikaa kannattaisi lähteä etsimään?

*****
  • Kaikkien kaveri Sr.
  • Viimeksi paikalla:tänään kello 04:41
  • Kotkan poikii ilman siipii
Vs: EBL 208 ongelma
« Vastaus #1 : 16.08.2023 kello on 07:09 »
Sattumalta löysin mun Adriasta pari sulaketta repsikan penkin alta. Mutta mihin ne on niin ei oo tietoa.

*****
  • Karavaanari
  • Viimeksi paikalla:eilen kello 17:19
Vs: EBL 208 ongelma
« Vastaus #2 : 16.08.2023 kello on 07:36 »
Tarkoititko ettei lataa auton käydessä hupi akkua , tarkiate tuleeko eblän apiko liitimen 16 jhhtoon auton käydessä noin 14V jos ei tule on eblän ja auton laturin välillä katkos siinä johdoissa 2A sulake saattaapi olla kaksikin kpl samassa johtolinjassa

*****
  • Matkailija
  • Aiheen aloittaja
  • Viimeksi paikalla:16.08.2025 kello on 15:09
Vs: EBL 208 ongelma
« Vastaus #3 : 16.08.2023 kello on 07:39 »
Juuri näin on tilanne. Hupiakun lataus auton käydessä ei toimi.
Ensin latasi latausmittari lähes tapissa (30A) asti joka sitten loppui kerrasta.

*****
  • LämmitinGuru
  • Aluevalvoja
  • Kalustoon kuuluva
  • Viimeksi paikalla:30.01.2026 kello on 22:09
Vs: EBL 208 ongelma
« Vastaus #4 : 16.08.2023 kello on 10:33 »
Ettei vaan olisi auton akun ja hupiakun välinen sulake ( 50A ) palanut.

*****
  • Matkailija
  • Aiheen aloittaja
  • Viimeksi paikalla:16.08.2025 kello on 15:09
Vs: EBL 208 ongelma
« Vastaus #5 : 16.08.2023 kello on 10:45 »
Mistähän sen löytäisi.
Kerran aiemmin on siis palanut 30 A:n  vihreä sulake joka näkyy toisessa kuvassa.
Nyt se on ehjä ja jännitekin sulakkeelle tulee akulta.
Hassu mitoitus sinänsä kun mittarin täysnäyttämä on myös sen saman 30 Amppeeria.

*****
  • Kalustoon kuuluva
  • Viimeksi paikalla:tänään kello 07:36
  • Autossa on pyörät
Vs: EBL 208 ongelma
« Vastaus #6 : 16.08.2023 kello on 10:58 »
Eikös sen vihreän mällin viereinen ole 2A? Tosin se voi olla myös konehuoneessa

*****
  • Matkailija
  • Aiheen aloittaja
  • Viimeksi paikalla:16.08.2025 kello on 15:09
Vs: EBL 208 ongelma
« Vastaus #7 : 16.08.2023 kello on 11:02 »
2 amppeerinen on juu. Sijaitsee siinä 30A:n vieressä sisätiloissa.
Ehjiä ovat kummatkin.

*****
  • Kaikkien kaveri Sr.
  • Viimeksi paikalla:tänään kello 04:41
  • Kotkan poikii ilman siipii
Vs: EBL 208 ongelma
« Vastaus #8 : 16.08.2023 kello on 11:51 »



Tuommoiset sulakkeet sieltä atriatikiin penkin alta löytyi, oisko noi 20 ja 30 A sulakkeet.


*****
  • LämmitinGuru
  • Aluevalvoja
  • Kalustoon kuuluva
  • Viimeksi paikalla:30.01.2026 kello on 22:09
Vs: EBL 208 ongelma
« Vastaus #9 : 16.08.2023 kello on 12:29 »




*****
  • Kaikkien Kaveri
  • Viimeksi paikalla:27.01.2026 kello on 10:45
    • Matkailuvinkkejä
Vs: EBL 208 ongelma
« Vastaus #10 : 16.08.2023 kello on 12:51 »
Meinasin laittaa kuvan, mutta MJO ehti ennen.
Tuleeko nastoihin 3 ja 4; 12 V?
Entä nastaan 16 auton käydessä?

*****
  • Matkailija
  • Aiheen aloittaja
  • Viimeksi paikalla:16.08.2025 kello on 15:09
Vs: EBL 208 ongelma
« Vastaus #11 : 16.08.2023 kello on 16:44 »

(Kuva piiloitettu, klikkaa tätä niin näet kuvan.)
Tuommoiset sulakkeet sieltä atriatikiin penkin alta löytyi, oisko noi 20 ja 30 A sulakkeet.

Arska oli oikeassa! Thumb
Sieltä penkin alta löytyi samat sulakkeet, joista 30A sulake oli palanut.
Vaihdoin ehjän ja nyt lataa taas.
Myös 20A:n sulake on kovasti lämmennen näköinen eli vaihtoon menee vaikka vielä onkin ehjä.
Mikähän sen sulakkeen tarkoitus mahtaa olla?

*****
  • Kalustoon kuuluva
  • Viimeksi paikalla:tänään kello 07:36
  • Autossa on pyörät
Vs: EBL 208 ongelma
« Vastaus #12 : 16.08.2023 kello on 16:52 »
Osta uudet sulakkeen pitimet, mahdollisesti huono kosketus pitimen ja sulakkeen välillä. Näyttäisi siltä että johdot tulee abikoilla alapuolelle?

*****
  • LämmitinGuru
  • Aluevalvoja
  • Kalustoon kuuluva
  • Viimeksi paikalla:30.01.2026 kello on 22:09
Vs: EBL 208 ongelma
« Vastaus #13 : 16.08.2023 kello on 17:28 »
Arska oli oikeassa! Thumb
Sieltä penkin alta löytyi samat sulakkeet, joista 30A sulake oli palanut.
Vaihdoin ehjän ja nyt lataa taas.
Myös 20A:n sulake on kovasti lämmennen näköinen eli vaihtoon menee vaikka vielä onkin ehjä.
Mikähän sen sulakkeen tarkoitus mahtaa olla?

Veikkaan, että molempien sulakkeiden pitää olla 30A.

*****
  • Matkailija
  • Aiheen aloittaja
  • Viimeksi paikalla:16.08.2025 kello on 15:09
Vs: EBL 208 ongelma
« Vastaus #14 : 16.08.2023 kello on 17:34 »
Veikkaan, että molempien sulakkeiden pitää olla 30A.
En oikein usko huonoon kontaktiin. Sulakkeiden kontaktipinnat ei ole yhtään lämmenneen näköiset.
Sulake itsessään vain on käynyt lämpimänä pidemmän aikaa.
Ilmeisesti mitoitettu äärirajoille.
Mutta kuka hölmö keksii hajasijoittaa sulakkeita tuolla lailla?

 

anything