rekisteriseloste

Tiedote rekisteröitymisestä

Jos et ole saanut vahvistusviestiä rekisteröitymisestä si, tarkista roskapostikansiosi. Tämä erityisesti hotmail ja gmail sähköpostin käyttäjille.

Kirjoittaja Aihe: Trumatic e 2400 viks  (Luettu 5422 kertaa)

  • Vieras
  • Trumatic e 2400 viks
    « : 1.08.2023 kello on 10:36 »
    Hei, onko tietoa mikähän voisi olla vuoden 2007 trumatic e 2400 vikana, kun käyttökytkimessä palaa jatkuvasti vihreä ja punainen valo. Puhallin kyllä toimii, mutta lämmitys ei sano mitään. Kaasua on ja kaasua virtaa kyllä. Myös ulkoa suojakotelo otettu pois kun tätä joku epäillyt viaksi.

    Vika alkoi, kun yritin ensimmäistä kertaa käynnistää lämmitintä. Luulin että kaasuhana oli auki, vaan se olikin kiinniasennossa. Trumatic yritti käynnistyä ja 30sec jälkeen sytytti punaisen valon joka viittaa Kaasun loppumiseen. Viisaana tietysti yritin uudestaan vaikka kaasua ei virrannut, koska olin varma että kaasuhana on auki.

    Lopuksi laite meni kuitenkin totaalisen jumiin ja nyt siinä vain palaa vihreä ja punainen valo kuten yllä mainittu.

    Olen pitänyt laitteesta virrat pois viikon verran, ei resetoinut mitään. Myös piirilevyä tutkiskellut ja siinä olevan sulakkeen tarkistanut ehjäksi. Onkohan laitteessa joku kaasuvahti tms joka nyt mennyt rikki, vai mistä vikaa etsimään? Vielä ei onneksi kylmä, joten asialla ei mahdoton kiire, mutta kiva olisi ennen syksyä saada retkeilyauto kuntoon. Kiitos vastauksista.

    *****
    • Kaikkien kaveri Sr.
    • Viimeksi paikalla:30.01.2026 kello on 17:16
    Vs: Trumatic e 2400 viks
    « Vastaus #1 : 2.08.2023 kello on 07:46 »
    Onkohan missään nappia millä kuitataan häiriö. Mulla Alde siinä ainakin pitää kuitata "Store/Reset" napilla kun on mennyt häiriöön.

    *****
    • LämmitinGuru
    • Aluevalvoja
    • Kalustoon kuuluva
    • Viimeksi paikalla:tänään kello 15:02
    Vs: Trumatic e 2400 viks
    « Vastaus #2 : 2.08.2023 kello on 08:51 »
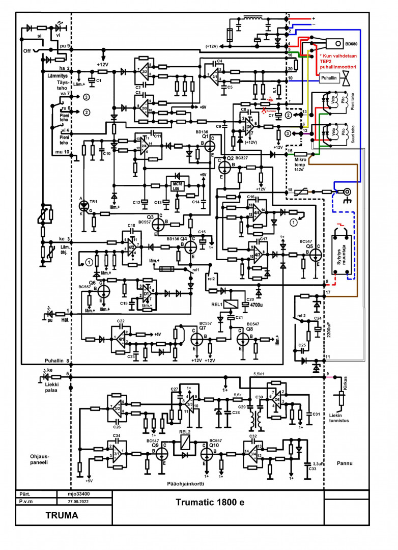
    Vika on piirilevyssä. Kuvat on E1800:sta, nutta ovat samat E2400:ssa.








    « Viimeksi muokattu: 2.08.2023 kello on 15:38 »

    *****
    • Matkailija
    • Viimeksi paikalla: 3.08.2023 kello on 12:03
    Vs: Trumatic e 2400 viks
    « Vastaus #3 : 2.08.2023 kello on 12:37 »
    Kiitos vastauksista. Ei ilmeisesti mahdollisuutta resetointiin.

    Piirilevyn korjaus lienee haasteellista, ainakin maallikolle. Jääkö ainoaksi vaihtoehdoksi tuo n. 300euron piirilevyn ostaminen?

    *****
    • Kalustoon kuuluva
    • Viimeksi paikalla:tänään kello 16:25
    • Autossa on pyörät
    Vs: Trumatic e 2400 viks
    « Vastaus #4 : 2.08.2023 kello on 13:19 »
    Kysäiseppä Mjo33400 yv:llä ottaisko työn alle

    *****
    • LämmitinGuru
    • Aluevalvoja
    • Kalustoon kuuluva
    • Viimeksi paikalla:tänään kello 15:02
    Vs: Trumatic e 2400 viks
    « Vastaus #5 : 2.08.2023 kello on 14:54 »
    Oliko tuo tyyppi oikeasti E2400 vai onko se uusi tyyppi kun otsikossa on lopussa "viks". Onko kuvan mukainen lämmitin.



    *****
    • Matkailija
    • Viimeksi paikalla: 3.08.2023 kello on 12:03
    Vs: Trumatic e 2400 viks
    « Vastaus #6 : 2.08.2023 kello on 15:06 »
    Joo painovirheen pahalainen kävi otsikkoon, vika oli tarkotus kirjoittaa. Juurikin tuon kuvan mukainen laite kyseessä.

    *****
    • LämmitinGuru
    • Aluevalvoja
    • Kalustoon kuuluva
    • Viimeksi paikalla:tänään kello 15:02
    Vs: Trumatic e 2400 viks
    « Vastaus #7 : 2.08.2023 kello on 15:11 »
    Joo painovirheen pahalainen kävi otsikkoon, vika oli tarkoitus kirjoittaa. Juurikin tuon kuvan mukainen laite kyseessä.

    Pystyn sen korjaamaan, mutta vasta syksymmällä ja tarvitsen korjaukseen koko laitteiston. Oletko tarkistanut sulakkeet piirilevyltä?

    *****
    • Matkailija
    • Viimeksi paikalla: 3.08.2023 kello on 12:03
    Vs: Trumatic e 2400 viks
    « Vastaus #8 : 2.08.2023 kello on 15:20 »
    Yksi sulake oli ja ehjä on.

    Jatketaanko yksityisviestillä?

     

    anything