rekisteriseloste

Tiedote rekisteröitymisestä

Jos et ole saanut vahvistusviestiä rekisteröitymisestä si, tarkista roskapostikansiosi. Tämä erityisesti hotmail ja gmail sähköpostin käyttäjille.

Kirjoittaja Aihe: Alde 3000 kiertovesipumpulle ei tule virtaa.  (Luettu 4421 kertaa)

*****
  • Kaikkien Kaveri
  • Aiheen aloittaja
  • Viimeksi paikalla:13.12.2025 kello on 19:25
  • asuntoautopaivakirjat.blogspot.com TJEU
Alde 3000 kiertovesipumpulle ei tule virtaa.
« : 5.06.2023 kello on 20:56 »
Muutoin Alde tuntuu lämpenevän, mutta kiertovesipumpulle ei tule lainkaan virtaa ainakin kun mittasin yleismittarilla. Ostin talvella varapumpuksi tuonne komeroon paisuntasäiliöön sinne sopivan pumpun ja sen testauksessa ongelman havaitsin. Nyt tässä yrittänyt katsoa tarkemmin ja vaikka kiertovesipumppu on kytkimestä päällä niin yleismittari ei kyllä heilahdakkaan kummankaan pumpun virransyötöstä mitattuna.

Sähkökeskuksen sulakkeet tarkastettu. Voiko tällä olla jossain muualla vielä jokin sulake?

*****
  • Kalustoon kuuluva
  • Viimeksi paikalla:eilen kello 20:35
  • Autossa on pyörät
Vs: Alde 3000 kiertovesipumpulle ei tule virtaa.
« Vastaus #1 : 5.06.2023 kello on 21:10 »
Oliko siellä pumppu aiemmin? Mikäli ei 12v pumppu on toisaalla ja jännitteet kytketty sinne.

*****
  • Kaikkien Kaveri
  • Aiheen aloittaja
  • Viimeksi paikalla:13.12.2025 kello on 19:25
  • asuntoautopaivakirjat.blogspot.com TJEU
Vs: Alde 3000 kiertovesipumpulle ei tule virtaa.
« Vastaus #2 : 5.06.2023 kello on 21:53 »
Pumppu on Alden kyljessä ja toimi vielä syksyllä kun olen viimeksi lämmitystä käyttänyt.

*****
  • LämmitinGuru
  • Aluevalvoja
  • Kalustoon kuuluva
  • Viimeksi paikalla:16.12.2025 kello on 18:08
Vs: Alde 3000 kiertovesipumpulle ei tule virtaa.
« Vastaus #3 : 5.06.2023 kello on 22:06 »




*****
  • Kaikkien Kaveri
  • Aiheen aloittaja
  • Viimeksi paikalla:13.12.2025 kello on 19:25
  • asuntoautopaivakirjat.blogspot.com TJEU
Vs: Alde 3000 kiertovesipumpulle ei tule virtaa.
« Vastaus #4 : 5.06.2023 kello on 23:09 »
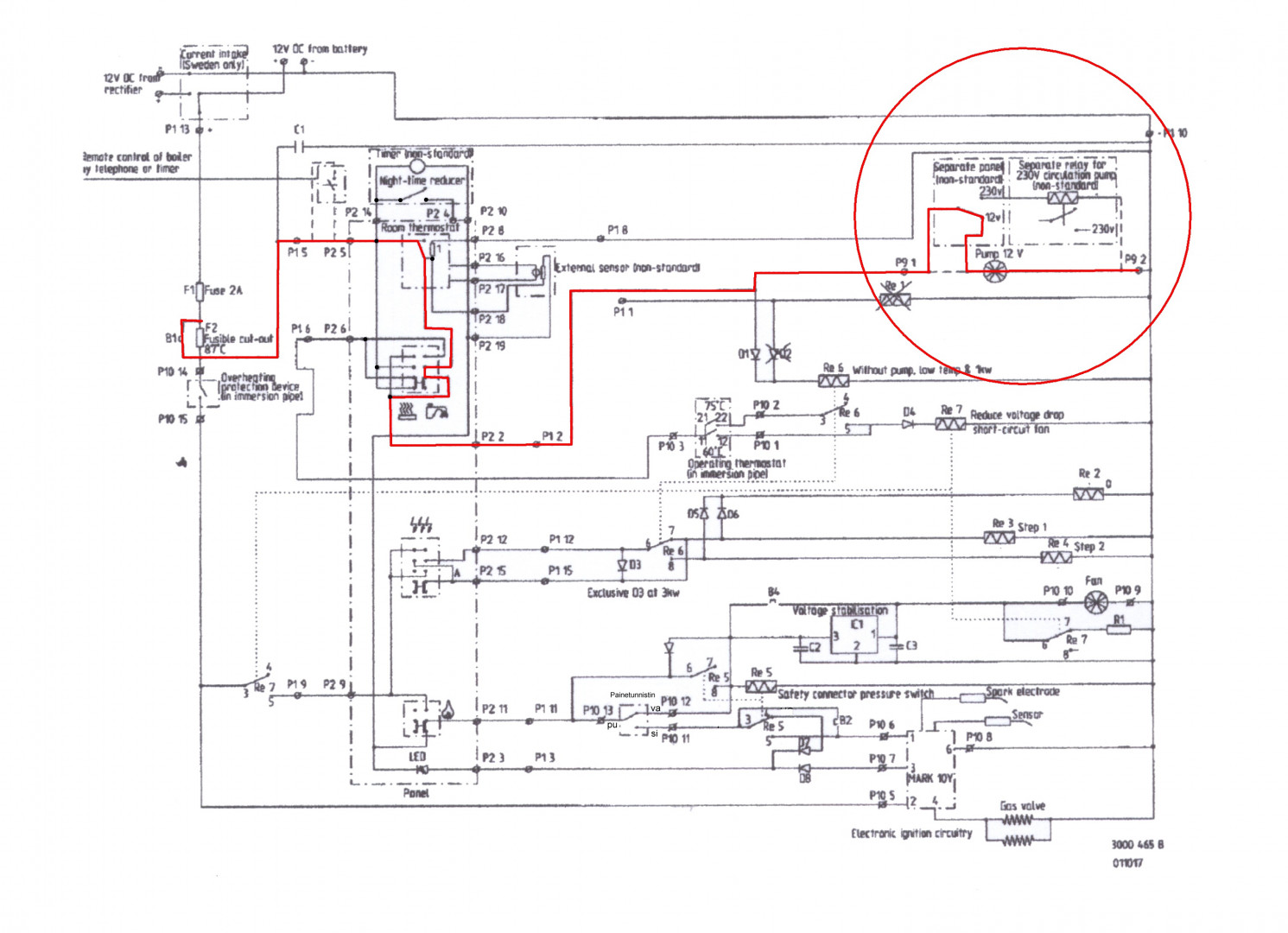
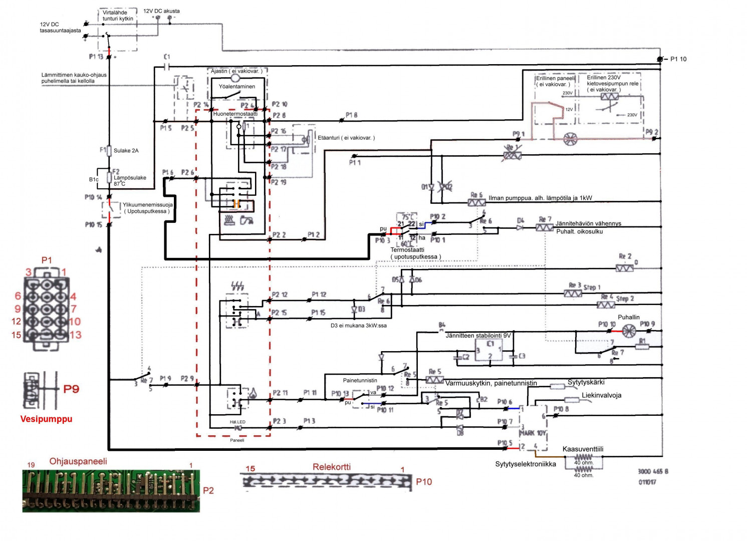
Kiitos Mjo, mutta nyt tuli kyllä helmiä sioille. Merkinnät ehkä ymmärrän mutta vähän sama kuin antaisi ohjeet kielellä mitä vaan en osaa vaikka kirjaimet on samat. Sulakkeen kyllä löydän mutta ei mitään hajua mihin kaikkeen tuo vaikuttaa.  Ja vielä vähemmän ymmärrän mistä sen löytäisin fyysisesti.

*****
  • LämmitinGuru
  • Aluevalvoja
  • Kalustoon kuuluva
  • Viimeksi paikalla:16.12.2025 kello on 18:08
Vs: Alde 3000 kiertovesipumpulle ei tule virtaa.
« Vastaus #5 : 6.06.2023 kello on 08:30 »









*****
  • Kalustoon kuuluva
  • Viimeksi paikalla:eilen kello 20:35
  • Autossa on pyörät
Vs: Alde 3000 kiertovesipumpulle ei tule virtaa.
« Vastaus #6 : 6.06.2023 kello on 11:01 »
Ja varmistaa paneelista jotta pumppu päällä 👍

*****
  • Kaikkien Kaveri
  • Aiheen aloittaja
  • Viimeksi paikalla:13.12.2025 kello on 19:25
  • asuntoautopaivakirjat.blogspot.com TJEU
Vs: Alde 3000 kiertovesipumpulle ei tule virtaa.
« Vastaus #7 : 6.06.2023 kello on 22:28 »
Kiitos kuvasta. Tämä vikuttaa hyvältä. Auto on vaan nyt alustahuollossa. Pitää katsoa kun tulee takaisin.

Panelista virta pois toni olisi ollut klassinen, mutta ainakin uskoin sen olevan päällä. :) alden panelista. Ja oli kyllä päävirtakytkinkin päällä. Vaikka muistaakseni Alde pelasi omaa elämäänsä vaikka virrat olisi olleetkin pois muusta osasta autoa. Toissakesänä kun paneeli oli pimeänä, niin jääkaappi, lämmitys ja rappusrt pelasivat silti.

*****
  • Kaikkien Kaveri
  • Aiheen aloittaja
  • Viimeksi paikalla:13.12.2025 kello on 19:25
  • asuntoautopaivakirjat.blogspot.com TJEU
Vs: Alde 3000 kiertovesipumpulle ei tule virtaa.
« Vastaus #8 : 9.06.2023 kello on 11:41 »
Irrotin tuon lasiputkisulakkeen ja testasin yleismittarilla, niin vaikutti että olisi ehjä. Vastusta mitatessa ainakin läheni nollaa.

jännitettä tosiaan ei tule. silti pumpulle kumpaankaan paikkaan, ei Alden kyljessä olevalle kiertovesipumpulle, eikä kaapissa paisuntasäiliön vieressä olevalle pistokkeelle vaikka tuo Alden kytkin on päällä asennossa.

Yllättävän kylmä kesäkuinen yö autossa. Lämpiääkö yhtään jos vaan laittaa virrat lämmitykseen? Muistan jonkun maininneen että tuossa paisuntasäiliössä oleva sulku estäisi nesteen lämpötilaeroista johtuvan kiertämisen, jonka ideana siis olsii että voisi lämmittää vettä kesällä, ilman että patterit lämpiää myös. Kattoilmastoinnissa olisi myös lämmitys mutta pitää kyllä melkoista meteliä.

Itse toki pärjään näilläkin lämmöillä. Jälkikasvu vaan tuppaa vielä potkimaan peittoa pois, niin ei haittaisi jos lämpiäisi pikkaisen.
 

*****
  • LämmitinGuru
  • Aluevalvoja
  • Kalustoon kuuluva
  • Viimeksi paikalla:16.12.2025 kello on 18:08
Vs: Alde 3000 kiertovesipumpulle ei tule virtaa.
« Vastaus #9 : 9.06.2023 kello on 12:19 »
Ison liittimen vieressä on pumpun kaksi napainen liitin, tuleeko siihen jännite? Mitä Alden kytkintä tarkoitat?



*****
  • Kaikkien Kaveri
  • Aiheen aloittaja
  • Viimeksi paikalla:13.12.2025 kello on 19:25
  • asuntoautopaivakirjat.blogspot.com TJEU
Vs: Alde 3000 kiertovesipumpulle ei tule virtaa.
« Vastaus #10 : 9.06.2023 kello on 12:40 »
Tarkoitan juuri tuota ohjauspaneelin kytkintä. Minulla tosin on ilmeisesti vanhempi ohjauspaneeli. Siinä on vain kytkimet, ei tuollaisia liukukytkimiä. Kaksi kaksiasentoista, pumpulle sekä kaasutoimnnolla ja kolmiasentoinen sähkölle.

*****
  • LämmitinGuru
  • Aluevalvoja
  • Kalustoon kuuluva
  • Viimeksi paikalla:16.12.2025 kello on 18:08
Vs: Alde 3000 kiertovesipumpulle ei tule virtaa.
« Vastaus #11 : 9.06.2023 kello on 14:20 »
Löytyykö jostain kytkin jolla valitaan 12v/ 230v-pumppu. Yleensä paisuntasäiliön lähellä. Jos säiliöpumpun johdot oli valmiina niin kytkin on jossain, Soliferissa usein istuinryhmän kulmassa. Paneeli ilmeisesti kuvan mukainen?



*****
  • Kaikkien Kaveri
  • Aiheen aloittaja
  • Viimeksi paikalla:13.12.2025 kello on 19:25
  • asuntoautopaivakirjat.blogspot.com TJEU
Vs: Alde 3000 kiertovesipumpulle ei tule virtaa.
« Vastaus #12 : 10.06.2023 kello on 08:27 »
Koko asetelma näyttää niin identtiseltä että onkohan ihan minun autosta kuva? Juuri tuollainen siis.

Tietääkseni ei ole 230V pumppua ollenkaan. Tai jos on niin en ole kyllä osannut koskaan käyttää. Alden vieressä siis 12 V pumppu joka taitaa olla jokin auton vesipummpu josta joskus kirjoittelinkin kun sen itse vaihdoin. Paisuntasäiliössä ei ole aikanani ollut pumppua toiminnassa. Siellä on vain liitin ja johdot. Varapumpuksi sinne hankin ja en ole koskaan pääsyt testaamaan kun ei näytä shköä tulevan.

Ja tosiaan nyt on takana astetta lämpimämpi yö. Eli kyllä auto lämpesi sähköllä ilman toimivaa pumppuakin.

*****
  • LämmitinGuru
  • Aluevalvoja
  • Kalustoon kuuluva
  • Viimeksi paikalla:16.12.2025 kello on 18:08
Vs: Alde 3000 kiertovesipumpulle ei tule virtaa.
« Vastaus #13 : 10.06.2023 kello on 08:39 »
Koko asetelma näyttää niin identtiseltä että onkohan ihan minun autosta kuva? Juuri tuollainen siis.

Tietääkseni ei ole 230V pumppua ollenkaan. Tai jos on niin en ole kyllä osannut koskaan käyttää. Alden vieressä siis 12 V pumppu joka taitaa olla jokin auton vesipummpu josta joskus kirjoittelinkin kun sen itse vaihdoin. Paisuntasäiliössä ei ole aikanani ollut pumppua toiminnassa. Siellä on vain liitin ja johdot. Varapumpuksi sinne hankin ja en ole koskaan pääsyt testaamaan kun ei näytä shköä tulevan.

Ja tosiaan nyt on takana astetta lämpimämpi yö. Eli kyllä auto lämpesi sähköllä ilman toimivaa pumppuakin.

Otin tuon kuvan aiemmista ketjuista, en huomannut katsoa kenen vastaus oli, todennäköisesti sinun. Jos säliön kohdalla oli johdotus valmiina niin todennäköiseti jossain on kytkin, jollet vetänyt itse johtoja pannun vieressä olevalle pumpulle.

*****
  • Kaikkien Kaveri
  • Aiheen aloittaja
  • Viimeksi paikalla:13.12.2025 kello on 19:25
  • asuntoautopaivakirjat.blogspot.com TJEU
Vs: Alde 3000 kiertovesipumpulle ei tule virtaa.
« Vastaus #14 : 11.06.2023 kello on 19:15 »
Pumpun vieressä oleva johto näyttää sen verran säntillisesti tehdyltä, että uskoisin sen olevan Niesmann & Bischoff tuotantoa. Siinä lähistöllä on kyllä kytkin, minkä funktiota en varmaksi teidä. Olen epäillyt liittyvän invertteriin, mutta en muista olenko koskaan muistanut testata. Jotenkin olen ajatellut että voisi liittyä siihen, koska inverteriltä on vedetty jatkojohtokin tuonne kaappiin. Joka tapauksessa testasin tuon napin toimintaa ja ei ainakaan tuo pumppu siitä käynnistynyt. Vika siis on jossain muualla.