Terve, autossani (LMC -94) on Calira EVS 12/12-laturi jonka erotusrele (Tremat) ei erota akkuja kuten pitäisi.
Jos akut haluaa erottaa niin onnistuu tällä hetkellä kolmella tavalla:
1) manuaalisesti poistamalla rinnakkaisliitännäs tä sulake.
2) kytkeä Calira 12V virtajohto irti jolloin Rele aukeaa
3) poistaa sulake johdosta jolla laturi mittaa hupiakun jännitettä (Meßleitung, pinni nro 20).
Harmillisesti myös taustavirran kulutus kasvaa releen ollessa kiinni 6 mA:sta 30 mA:iin (mitattu yleismittarilla).
Onko jollain ollut vastaavanlaista ongelmaa? Osataanko tälläisia vielä korjata?
Kiitos kaikista vinkeistä!
Sent from my SM-G780F using Tapatalk
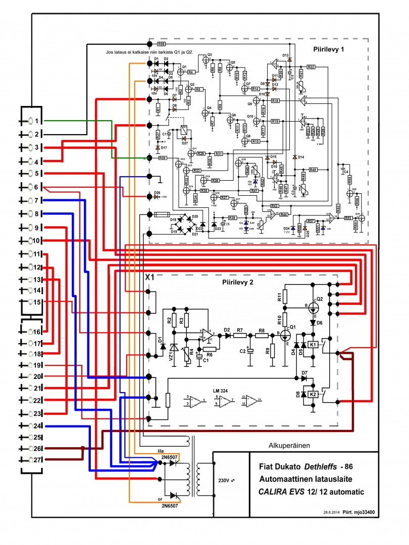
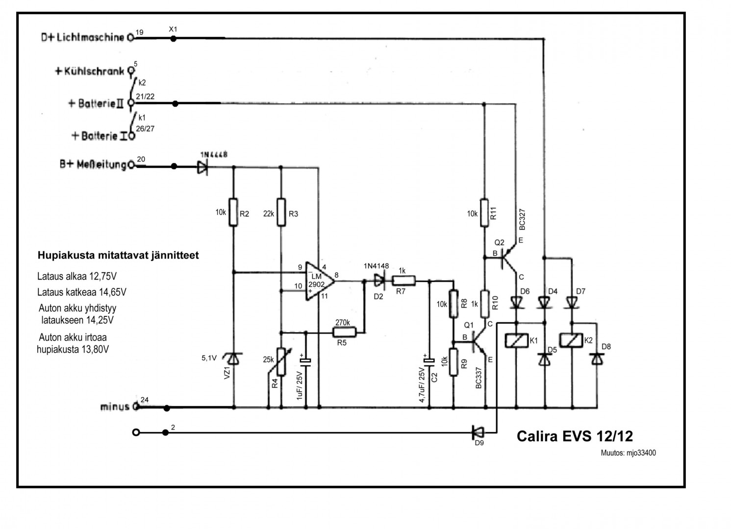
Olisiko näistä apua.







