rekisteriseloste

Tiedote rekisteröitymisestä

Jos et ole saanut vahvistusviestiä rekisteröitymisestä si, tarkista roskapostikansiosi. Tämä erityisesti hotmail ja gmail sähköpostin käyttäjille.

Kirjoittaja Aihe: Euramobilin (Fiat) kaikki valot hävisi ja mittaristo pimeni  (Luettu 11033 kertaa)

*****
  • Karavaanari
  • Aiheen aloittaja
  • Viimeksi paikalla:15.09.2024 kello on 10:41
Nyt kaivattais pikaista apua!
Potilas on -05 mallinen täysintegroitu Euramobil Fiatin alustalla.
Takaparkin kosketushäiriötä roplasin, ja pääsi nappaan oikkariin, en tosin tiedä johtuuko vika siitä. Nyt on kaikki auton valot, varoitusvalot, mittarit ja vilkut pimeänä. Puhallin, pyyhkijät ja hätävilkut toimii. Kaikki sulakkeet on tarkastettu, ja ne on mielestäni ehjiä.
Missä mahtaa olla vika?

*****
  • Kalustoon kuuluva
  • Viimeksi paikalla:tänään kello 11:07
Vs: Euramobilin (Fiat) kaikki valot hävisi ja mittaristo pimeni
« Vastaus #1 : 14.04.2023 kello on 15:44 »
Kaikki sulakkeet on tarkastettu, ja ne on mielestäni ehjiä.

'Mielestäni' ei riitä.
Hommaa yleismittari.

*****
  • Karavaanari
  • Aiheen aloittaja
  • Viimeksi paikalla:15.09.2024 kello on 10:41
Vs: Euramobilin (Fiat) kaikki valot hävisi ja mittaristo pimeni
« Vastaus #2 : 14.04.2023 kello on 15:47 »
En hommaa, mulla on niitä jo 3 kpl  ;D, ja valojen sulakkeet on mittarilla katsottu. Enkä oikein jaksa uskoa, että vika on sulakkeissa, koska häiriö on noin laaja.

*****
  • Karavaanari
  • Viimeksi paikalla: 8.03.2026 kello on 17:12
  • Melkein kaikkien kaveri
Vs: Euramobilin (Fiat) kaikki valot hävisi ja mittaristo pimeni
« Vastaus #3 : 14.04.2023 kello on 15:49 »
Olisko jossain aivossa bitti poikittain, irroita akun miinuskaapeli puoleksi tunniksi. Ihan vaan mutuilen...

*****
  • Karavaanari
  • Aiheen aloittaja
  • Viimeksi paikalla:15.09.2024 kello on 10:41
Vs: Euramobilin (Fiat) kaikki valot hävisi ja mittaristo pimeni
« Vastaus #4 : 14.04.2023 kello on 16:29 »
Käytin kyllä -kaapelia irti, mutta vain n. 5 min, pitänee ottaa yöksi irti.

*****
  • Karavaanari
  • Viimeksi paikalla: 2.02.2024 kello on 08:13
Vs: Euramobilin (Fiat) kaikki valot hävisi ja mittaristo pimeni
« Vastaus #5 : 14.04.2023 kello on 17:15 »
Ton ikäisessä Ducatossa valo-ohjauksessa ei mene bitti poikittain, kun ei bittejä ole.
Onko tossa akun päällä pääsulakeita? Katson kytkistä ja valot on jaettu usealle pienemmälle sulakkeelle, ei kaikki ole voineet kärähtää kerralla.

*****
  • Karavaanari
  • Aiheen aloittaja
  • Viimeksi paikalla:15.09.2024 kello on 10:41
Vs: Euramobilin (Fiat) kaikki valot hävisi ja mittaristo pimeni
« Vastaus #6 : 14.04.2023 kello on 17:34 »
On siellä akulla ne pääsulakkeet, ja ne on mittarilla katsottu ehjiksi.

Ja kun se mittaristokin on pimeenä, niin ei mahda olla sulakevika...

*****
  • Karavaanari
  • Viimeksi paikalla: 2.02.2024 kello on 08:13
Vs: Euramobilin (Fiat) kaikki valot hävisi ja mittaristo pimeni
« Vastaus #7 : 14.04.2023 kello on 17:34 »
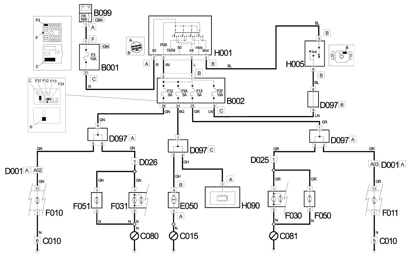
Tossa näkyy takvalojen sähkösyöttö. Akulta 150 A sulake, myöhemmin 70 A ja vastavsen jälkeen pienemmät. Tsekka noi isot, joiden takana useami valo.

*****
  • Karavaanari
  • Viimeksi paikalla: 2.02.2024 kello on 08:13
Vs: Euramobilin (Fiat) kaikki valot hävisi ja mittaristo pimeni
« Vastaus #8 : 14.04.2023 kello on 17:35 »
On siellä akulla ne pääsulakkeet, ja ne on mittarilla katsottu ehjiksi.
Ok. Sitten en osaa auttaa.

*****
  • Karavaanari
  • Viimeksi paikalla: 2.02.2024 kello on 08:13
Vs: Euramobilin (Fiat) kaikki valot hävisi ja mittaristo pimeni
« Vastaus #9 : 14.04.2023 kello on 17:39 »
Tai sen verran vielä varmistan, löysitkö myös noi välisulakkeet, missä toi kuvan 70 A sulake.

*****
  • Karavaanari
  • Aiheen aloittaja
  • Viimeksi paikalla:15.09.2024 kello on 10:41
Vs: Euramobilin (Fiat) kaikki valot hävisi ja mittaristo pimeni
« Vastaus #10 : 14.04.2023 kello on 17:55 »
Juu löysin, ovat konehuoneessa olevassa sulakerasiassa.

*****
  • Kaikkien Kaveri
  • Viimeksi paikalla:16.05.2026 kello on 20:43
    • Matkailuvinkkejä
Vs: Euramobilin (Fiat) kaikki valot hävisi ja mittaristo pimeni
« Vastaus #11 : 14.04.2023 kello on 20:04 »
Kun tuuppasin takavalot tolppaan, minulla kävi samoin.
En enää muista mikä sulake se oli, mutta tuo F03 on vahva eipäily, se on yhteinen piste ilmoittamillesi ongelmille

Mittariston valot


Kaikki valot


B001 (F03) sijainti


*****
  • Karavaanari
  • Aiheen aloittaja
  • Viimeksi paikalla:15.09.2024 kello on 10:41
Vs: Euramobilin (Fiat) kaikki valot hävisi ja mittaristo pimeni
« Vastaus #12 : 15.04.2023 kello on 04:50 »
Siis sullako meni myös koko mittaristo pimeeksi?
F03 katsottu, ehjä on ja virta tulee ja menee.

*****
  • Kaikkien Kaveri
  • Viimeksi paikalla:25.11.2024 kello on 00:04
Vs: Euramobilin (Fiat) kaikki valot hävisi ja mittaristo pimeni
« Vastaus #13 : 15.04.2023 kello on 10:16 »
Virtalukon pohja ehjä?

*****
  • Karavaanari
  • Aiheen aloittaja
  • Viimeksi paikalla:15.09.2024 kello on 10:41
Vs: Euramobilin (Fiat) kaikki valot hävisi ja mittaristo pimeni
« Vastaus #14 : 15.04.2023 kello on 14:17 »
Ainakin starttaa ihan normaalisti, muuta en osaa sanoa.

 

anything