rekisteriseloste

Tiedote rekisteröitymisestä

Jos et ole saanut vahvistusviestiä rekisteröitymisestä si, tarkista roskapostikansiosi. Tämä erityisesti hotmail ja gmail sähköpostin käyttäjille.

Kirjoittaja Aihe: Tunturikytkin Primus Aquaflexin kanssa  (Luettu 3684 kertaa)

*****
  • Matkailija
  • Aiheen aloittaja
  • Viimeksi paikalla: 6.04.2026 kello on 13:04
Tunturikytkin Primus Aquaflexin kanssa
« : 23.11.2022 kello on 08:52 »
Olen aina ennen vetänyt vaunun kesät talvet sinne, missä sitä kulloinkin käytän. Pari viikkoa sitten vein vaunun ensimmäistä kertaa kausipaikalle.

Tein vaunuun kausipaikkaa varten tunturikytkimen perinteiseen malliin. Eli kytkentä katkaisee kaiken 12v sähkön, jos 230v sähköä ei ole kytketty. Kun homma oli valmis, niin huomasin, ettei ko. kytkentä toimi Primuksen Aquaflexin kanssa, koska lämmitys ei käynnisty, kun jännitteet palaa. Aquaflexissä pitää painaa joka kerta lämmitys päälle ohjauspaneelista. Aikani, kun asiaa pähkäilin, keksin ainoaksi ratkaisuksi korvata ohjauspaneelissa oleva painonappi relekytkennällä, joka antaa pulssin, kun jännitteet palaa. Tämä ei tunnu sellaiselta ratkaisulta, jonka haluaisin toteuttaa.

Koitin selailla vanhoja keskusteluja, mutta en löytänyt Aquaflexille sopivaa kytkentää. Löysin sellaisen version, johon laitetaan GSM-palikka lämmityksen käynnistytä varten. Siinäkin kytkennässä taitaa olla 12v koko ajan kytkenttynä joihinkin osiin. Onko Aquaflexille sopivaa tunturikytkentää, joka ei tyhjennä akkua pitkälläkään ajalla? Vai onko vain laitettava vaunuun auton sisätilänlämmitin ja kytkettävä Aquaflex käyntiin, kun saapuu vaunulle?

*****
  • LämmitinGuru
  • Aluevalvoja
  • Kalustoon kuuluva
  • Viimeksi paikalla:tänään kello 15:57
Vs: Tunturikytkin Primus Aquaflexin kanssa
« Vastaus #1 : 23.11.2022 kello on 10:41 »
Sanoisin, että tämä on ainoa toimiva ratkaisu. Jos keksit jonkun paremman niin kerro se sitten täällä.






Tässä vielä ohjauspaneelin kytkentä.




Ja tässä pääohjain kytkentä.




*****
  • Kaikkien Kaveri
  • Viimeksi paikalla:29.03.2026 kello on 17:08
Vs: Tunturikytkin Primus Aquaflexin kanssa
« Vastaus #2 : 23.11.2022 kello on 11:29 »
Ymmärsin että pärjäisit perinteisellä "töpseli" tunturikytkennällä.

Kai siinä kuitenkin sähköpatruuna on?
Jos kytkisi tunturikytkimen vaihtamaan sähköpatruunan 12v ohjausjännitteen tulemaan muualta kun aquaflexiltä.

Yksinkertaisimmilla an vaikka 12v muuntajasta (ei tarvetta edes 230v/12v relelle) mekaanisen 20 asteen termostaatin kautta.
https://www.starelec.fi/product_info.php?cPath=961_1145_1146&products_id=10976
Tällä tarkkuustermostaati lla lämpö pysyy 10-20 asteen välissä. ;)

Sähköpatruunan pumpun puute vaikeuttaa kytkentää.

*****
  • Matkailija
  • Aiheen aloittaja
  • Viimeksi paikalla: 6.04.2026 kello on 13:04
Vs: Tunturikytkin Primus Aquaflexin kanssa
« Vastaus #3 : 23.11.2022 kello on 13:14 »
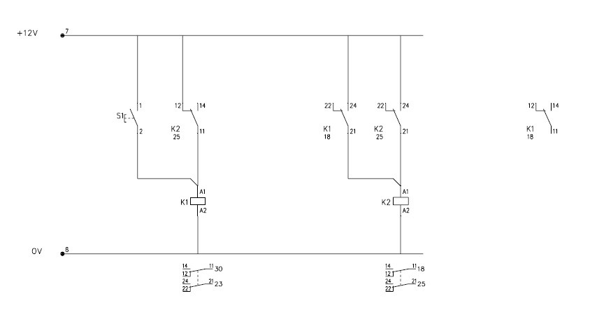
Minun ajatus olisi poistaa ohjauspaneelista painike. En pidä tästä ratkaisusta, kun ohjauspaneeli pitää "rikkoa".




Ohjauspaneelin yhteyteen lisättäisiin tällainen relekytkentä. Tuo yksittäinen K1:n kosketin laitettaisiin poistetun painikkeen paikalle. Piirin toiminta on sellainen, kun 12V jännite tulee ohjauspaneelille, niin rele K1 vetää, sen jälkeen vetää rele K2 ja rele K1 päästää. Näin annetaan ikään kuin yksi pulssi painikkella. Tarvittaessa painonapilla S1 voi antaa uuden pulssin.



EDIT. Tosiaan tunturikytkimen olen toteuttanut ns. töpselimallilla, mutta tein siitäkin vähän oman näköisen viritelmän.

« Viimeksi muokattu: 23.11.2022 kello on 13:43 »

*****
  • Kaikkien Kaveri
  • Viimeksi paikalla:29.03.2026 kello on 17:08
Vs: Tunturikytkin Primus Aquaflexin kanssa
« Vastaus #4 : 23.11.2022 kello on 15:29 »
Tuo yksittäinen K1:n kosketin laitettaisiin poistetun painikkeen paikalle.
Jos K1:n koskettimen juottaa johdoilla alkuperäisen painikkeen jalkoihin. Silloin nappia ei tarvitse poistaa ja se toimii normaalisti kun tunturikytkentä on pois päältä.

*****
  • Matkailija
  • Aiheen aloittaja
  • Viimeksi paikalla: 6.04.2026 kello on 13:04
Vs: Tunturikytkin Primus Aquaflexin kanssa
« Vastaus #5 : 23.11.2022 kello on 15:50 »
Jos K1:n koskettimen juottaa johdoilla alkuperäisen painikkeen jalkoihin. Silloin nappia ei tarvitse poistaa ja se toimii normaalisti kun tunturikytkentä on pois päältä.

Ei se toimi, kun kyseessä on vaihtokosketin. Sulkeutuvalla koskettimella releen voisi laittaa alkuperäisen painikkeen rinnalle.

*****
  • Karavaanari
  • Viimeksi paikalla:tänään kello 21:14
Vs: Tunturikytkin Primus Aquaflexin kanssa
« Vastaus #6 : 23.11.2022 kello on 17:19 »
Hankin rtu2024 modeemin skodaan, asensin eilen. Mainio värkki hintaansa nähden, vaihtorele jonka saa päälle puhelulla ja pois puhelulla. Tai säädetyn pulssin 0,5 sek- 15 min.
https://hobbyhall.fi/fi/kodin-remontointi/kodin-turvajarjestelmat/turvajarjestelmien-ohjaimet/rtu5024-gsm-ohjausmoduuli-kommunikaattori?id=2333073&mid=2776623&gclid=CjwKCAiApvebBhAvEiwAe7mHSIyjG5YAANgIOXRc8dlLhkOeg7vrIIzQp0or0xisxyw7ieZNZDQJ6BoCPMMQAvD_BwE


Saksanseisoja MB319 -13 ent lanssi. Polar 5.6 ct -98 kaasuton.

*****
  • Kaikkien Kaveri
  • Viimeksi paikalla:29.03.2026 kello on 17:08
Vs: Tunturikytkin Primus Aquaflexin kanssa
« Vastaus #7 : 23.11.2022 kello on 21:38 »
Ei se toimi, kun kyseessä on vaihtokosketin.
No niinpä onkin.

*****
  • Matkailija
  • Aiheen aloittaja
  • Viimeksi paikalla: 6.04.2026 kello on 13:04
Vs: Tunturikytkin Primus Aquaflexin kanssa
« Vastaus #8 : 24.11.2022 kello on 08:10 »
Hankin rtu2024 modeemin skodaan, asensin eilen. Mainio värkki hintaansa nähden, vaihtorele jonka saa päälle puhelulla ja pois puhelulla. Tai säädetyn pulssin 0,5 sek- 15 min.

Tuo näyttää käyttökelpoiselta vehkeeltä, kun pitää ohjata yhtä laitetta. Se ei kuitenkaan ratkaise minun alkuperäistä ongelmaa.

*****
  • Kaikkien Kaveri
  • Viimeksi paikalla:tänään kello 06:24
  • Pahkakoski
Vs: Tunturikytkin Primus Aquaflexin kanssa
« Vastaus #9 : 24.11.2022 kello on 08:15 »
Minulla on ollut Aquafexin etäohjaus Tuta S30 kautta viimmeset 6 vuotta. Ideoitiin kytkentä tuolloin mjo33400 kanssa. On toiminut luotettavasti. Tuo rtu2024 on mielenkiintoinen laite ei tarvisisi sim korttien kanssa pelata.

 

anything