rekisteriseloste

Tiedote rekisteröitymisestä

Jos et ole saanut vahvistusviestiä rekisteröitymisestä si, tarkista roskapostikansiosi. Tämä erityisesti hotmail ja gmail sähköpostin käyttäjille.

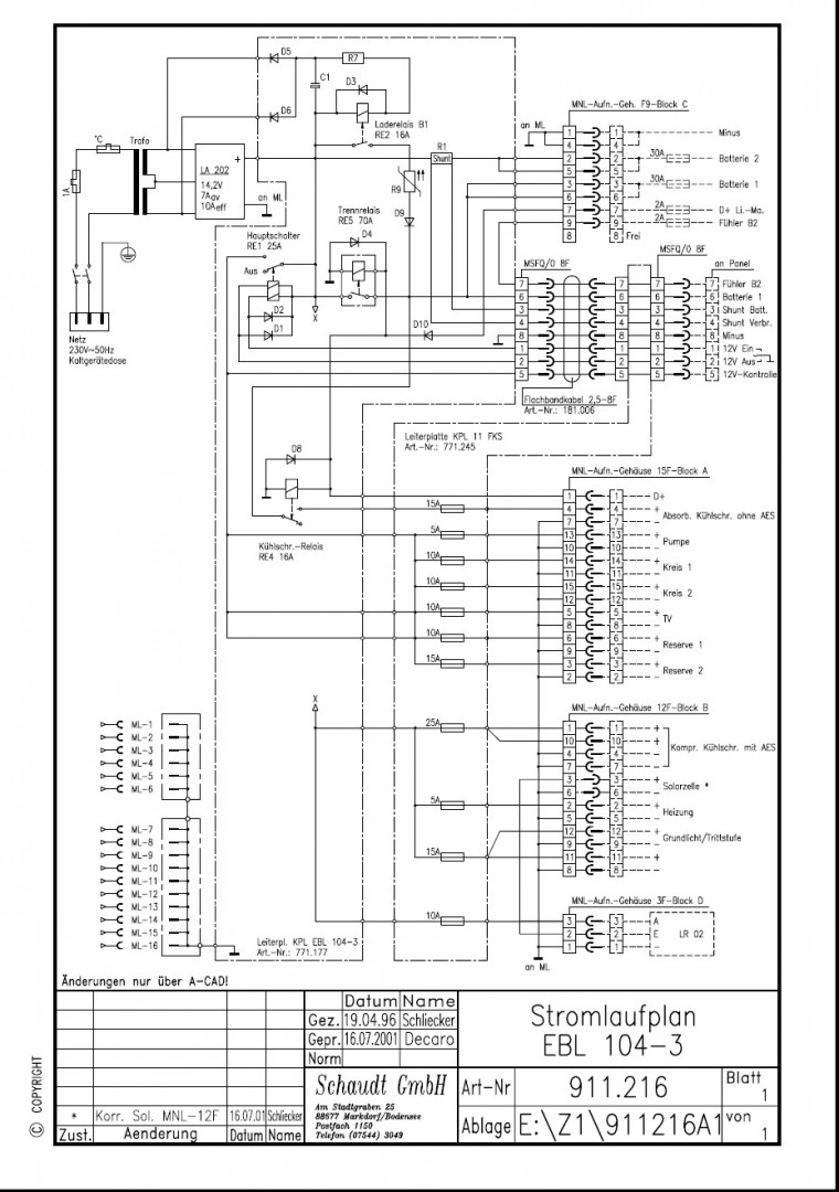
Kirjoittaja Aihe: Elektroblock EBL 104 -3 vikaako vaiko ihan muuta ?  (Luettu 3505 kertaa)

*****
  • Kaikkien Kaveri
  • Aiheen aloittaja
  • Viimeksi paikalla:tänään kello 11:03
Talven tekosiako ?  Elektroniikkakompon entit vikaantuu . . .

Käyttöpanelista pitäisi kytkimestä napsauttamalla tulla virrat päälle mutta nyt ei tapahdu mitään ?
Sulakkeet käyty läpi, asiaanliityvissä sulakkeissa ei pitäisi olla vikaa,  tosin 2 kpl 30A sulakepesää oli olleet joskus kuumina kun sulakkeiden eristeet oli sulaneet muodottomiksi ja lattasulakkeen pidikkeet oli menneet lämmöstä löysiksi. Ensiviikolla etsin uudet sulakepesät. Näistä sulakkeista jotka oli kuumenneet menee auton akulta virta "jonnekkin" kulutukseen, eivät liity suoranaisesti hupiakkuun. Samaan "nippuun" tulee EBL:ltä latausvirta autonakulle, kaapeli lienee 4 neliömillin kaapelia ja siinä myös 30A sulake/oma maadoitus akulle jonka ajattelin siirtää auton runkoon pois akun miinusnavasta kuten tuon Plus kaapelin tuonne akulta lähtevään päävirtakiskoon joka suojattu 170A sulakkeella.

Se että onko tuo rele joka kytkee virrat asunto-osaan EBL 104-3 sisällä ei selvinnyt pintapuolisella tutkinnalla kun aika meni selvitettäessä noita vikaantuneita sulakkeita.

EBL 104-3 sisällä on kaksi relettä, toinen on 70A ja siihen kun ulkopuolisen ohjausvirran laittoi niin se napsahti mutta tuon testin tein EBL:n ollessa irti järjestelmästä jolloin en voinut nähdä onko se rele joka kytkee virrat asuntosaan.

Toinen rele omaa kytkimen josta voi "tehdä jotain" ehkä kytkeä releen jatkuvasti vetäväksi manuaalisesti ?  En tiä, arvelen vaan . . .  Ja että kummassa asennossa kytkin olla pitäis, huomaamaattani napsuttelin sitä enkä pannut merkille mistä asennosta lähdin liikkeelle. Releen päällä tuo punainen "kytkin" . . .
« Viimeksi muokattu: 10.04.2022 kello on 20:19 »

*****
  • LämmitinGuru
  • Aluevalvoja
  • Kalustoon kuuluva
  • Viimeksi paikalla:tänään kello 09:35
Vs: Elektroblock EBL 104 -3 vikaako vaiko ihan muuta ?
« Vastaus #1 : 10.04.2022 kello on 20:20 »
Suihkuta sen kytkimen sisään hieman WD40:stä ja renkkaa useita kertoja. Sitten mittaat, että mihin asti kytkimen käsky menee.




« Viimeksi muokattu: 10.04.2022 kello on 20:30 »

*****
  • Kaikkien Kaveri
  • Aiheen aloittaja
  • Viimeksi paikalla:tänään kello 11:03
Vs: Elektroblock EBL 104 -3 vikaako vaiko ihan muuta ?
« Vastaus #2 : 10.04.2022 kello on 21:05 »
Oisko panelin käyttökytkin hapettunut ?

Meni loppupäivä kun piti ottaa moottoritilan akku pois ja purkaa sulakerima pois jotta pääsee uusimaan nuot sulake"pedit", täytyy vaan ettiä tarpeeksi järeät jotta saa tuollaiset kaapelit kytkettyä. Ja kaikenlisäksi nuo kaapelit on niin niin lyhkääset jotta eipä niillä kummosia taikoja tehdä, ei millään viitsisi tuon kokoisiin kaapeleihin apico jatkoja tehdä... Oisko tuollainen sulakepesä tarpeeksi hyvä ?  https://m.motonet.fi/fi/tuote/481759/Posliinisulakerasia-sis-8A Itsellä olisi järeämpi versio johon päätehylsyllä 4 neliön kaapelin voi kytkeä . . .

Tunnet varmaan tuon releen joka on edellisen viestin kuvassa jossa kolmepunaista apico liitettyäjohtoa lähtee kortilta releen kyljeltä, kumpi punaisenkytkimen asento on normitilassa ?  Tuo relehän on vetäneenä vain silloin kun auto käy ?  Jolloin jääkaappia voi käyttää 12V jännitteellä . . . Vai ymmärsinkö väärin ?   

*****
  • LämmitinGuru
  • Aluevalvoja
  • Kalustoon kuuluva
  • Viimeksi paikalla:tänään kello 09:35
Vs: Elektroblock EBL 104 -3 vikaako vaiko ihan muuta ?
« Vastaus #3 : 10.04.2022 kello on 22:03 »
Oisko panelin käyttökytkin hapettunut ?


Sellaisia vikoja on ollut, ei niinkään hapettumaa vaan kosteus ja lika niin ei kontakti toimi. Kytkimen sivusta wd40:stä sisääm ja vähän renkkaamista niin alkaa toimimaan. Mittaamallahan se selviää, että toimiiko kytkin.

*****
  • Kaikkien Kaveri
  • Aiheen aloittaja
  • Viimeksi paikalla:tänään kello 11:03
Vs: Elektroblock EBL 104 -3 vikaako vaiko ihan muuta ?
« Vastaus #4 : 15.04.2022 kello on 20:01 »
Nonnii, vikaa etsittiin ja välillä tehtiin Mjo:n antamien ohjeiden mukaisia tutkimuksia kaapeloinneissa ja huollettiin liittimiä ja sieltähän se vika löytyi. Lattakaapeli EBL:n sisällä oli kontaktivikainen, voitelulla se hoitui.

Kiitokset Mjolle  Thumb

*****
  • LämmitinGuru
  • Aluevalvoja
  • Kalustoon kuuluva
  • Viimeksi paikalla:tänään kello 09:35
Vs: Elektroblock EBL 104 -3 vikaako vaiko ihan muuta ?
« Vastaus #5 : 15.04.2022 kello on 21:27 »
Nonnii, vikaa etsittiin ja välillä tehtiin Mjo:n antamien ohjeiden mukaisia tutkimuksia kaapeloinneissa ja huollettiin liittimiä ja sieltähän se vika löytyi. Lattakaapeli EBL:n sisällä oli kontaktivikainen, voitelulla se hoitui.

Kiitokset Mjolle  Thumb

 Thumb

 

anything