rekisteriseloste

Tiedote rekisteröitymisestä

Jos et ole saanut vahvistusviestiä rekisteröitymisestä si, tarkista roskapostikansiosi. Tämä erityisesti hotmail ja gmail sähköpostin käyttäjille.

Kirjoittaja Aihe: Einhell BT-BC 10 E laturin korjaus  (Luettu 7890 kertaa)

*****
  • Kaikkien Kaveri
  • Aiheen aloittaja
  • Viimeksi paikalla:18.02.2026 kello on 19:16
Einhell BT-BC 10 E laturin korjaus
« : 13.01.2022 kello on 10:24 »
Reissussa huomasin että vaunun mukana tulleessa Einhell BT-BC 10 E (2014) laturissa on vikaa, koska akun jännite putosi 12,5V muutamalla ledi valolla illan aikana vaikka vaunu oli piuhan päässä. Yön aikana ei ladannut akkua täyteen, jäi noin 13V paikkeille. Otin reissussa etulevyn sulakkeen pois ja kytkin yleismittarin sulakkeen liittimiin, latasi vain 0,7A:lla 12,5V kohdalla.

Kotona purin kannen pois ja ilman kuormaa muuntajan toisiossa oli 14V.
Tasasuuntauksen jälkeen antoin 12,25V tyristorin johto irroitettuna.
Latausjohtoihin antoi ilman kuormaa 10V.
Nämä kun tuntui olevan kunnossa, päättelin että vika on todennäköisesti tyristoria ohjaavalla pienellä piirilevyllä.





Kytkentä on melko saman kaltainen kun tässä 15A mallissa.
https://karavaanari.org/index.php/topic,9963.msg183758.html#msg183758

Tyristorina tässä kytkennässä on käytetty KP20A:ta. Sitä ohjataan piirilevyn kytkennällä, jossa on kaksi S8050 transistoria.
Vaihdoin lähempänä johtoja olevan transistorin tilalle laatikosta löytyneen BC547, kun S8050:tä ei itseltä eikä suomen kaupoista näyttänyt löytyvän.
Varmaan myös 2N2222 toimisi, jos sellaisia sattuu löytymään.





Uudella transistorilla lähti lataamaan "huikealla" lähes 5A virralla ja latausvirta tippui 0,2A tasolle 13,8V paikkeille.
Käänsin piirilevyn potikka hieman vastapäivään, nyt lataus jää 14,1V paikkeille.

Joko transistori on särkynyt vanhuuttaan tai sitten olin syksyllä sähköhommia tehdessä epähuomiossa irroittanut/kiinnittänyt akunkengän laturi päällä.
Voihan se olla että kytkentä on niin huonosti suojattu, että transistori särkyy tuollaisessa väärinkäytössä.
En viitsinyt enää yöllä kokeilla käykö näin.

Einhell BT-BC 10 E repair

*****
  • LämmitinGuru
  • Aluevalvoja
  • Kalustoon kuuluva
  • Viimeksi paikalla:tänään kello 07:46
Vs: Einhell BT-BC 10 E laturin korjaus
« Vastaus #1 : 13.01.2022 kello on 16:43 »
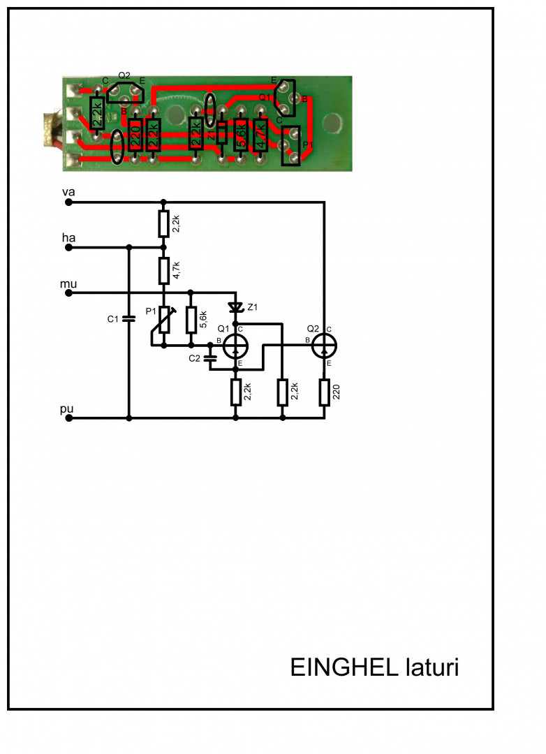
Tässä piirilevy kytkentä.



*****
  • Kaikkien Kaveri
  • Aiheen aloittaja
  • Viimeksi paikalla:18.02.2026 kello on 19:16
Vs: Einhell BT-BC 10 E laturin korjaus
« Vastaus #2 : 13.01.2022 kello on 23:05 »
Kiitoksia. Thumb

*****
  • Kaikkien Kaveri
  • Aiheen aloittaja
  • Viimeksi paikalla:18.02.2026 kello on 19:16
Vs: Einhell BT-BC 10 E laturin korjaus
« Vastaus #3 : 14.01.2022 kello on 23:55 »
Laturi paikallaan vaunussa, hyvin lähti lataamaan.

Mittasin laturin virrankulutuksen akusta ilman verkkovirtaa, nollaa näytti.
Vanha rautamuuntajallinen automaattilaturi on näköjään älylatureita parempi virrankulutuksen suhteen kiinteässä asennuksessa. Thumb

Palvelee minun patoutumaa, että kaikki virrankulutus pitää katketa päävirtakytkimestä ja lataa myös akkua ilman päävirtoja. Voi huoletta jättää vaunun seisomaan pidemmäksikin aikaa ilman akunkengän irroitusta.

*****
  • Karavaanari
  • Viimeksi paikalla: 7.02.2026 kello on 14:47
  • Älä äänestä "niinkuttelijoita".....
Vs: Einhell BT-BC 10 E laturin korjaus
« Vastaus #4 : 15.01.2022 kello on 04:40 »
@jamseil: "Voi huoletta jättää vaunun seisomaan pidemmäksikin
             aikaa ilman akunkengän irroitusta"

Kyllä, mutta mikä parasta tällaisen voi jättää tarvitessa myös lataamaan
ilman välitöntä valvontaa. (Jos kohta itse olisin jättänyt tästä näkökulmasta
latausjännitteen ennalleen 13,8V tai jopa laskenut sitäkin hieman)

  Kaikki näkemäni/korjaamani/avaamani/Youtubessa muiden avaamat
älylatureiksi nimitetyt ovat olleet laadultaan/paloturvallisuudeltaan
sellaisia että itse käyttäisin vain välittömän silmälläpidon alaisena.
Varsin monet niin etten räpäyttäisi molempia silmiä yhtä aikaa.

*****
  • Kaikkien Kaveri
  • Aiheen aloittaja
  • Viimeksi paikalla:18.02.2026 kello on 19:16
Vs: Einhell BT-BC 10 E laturin korjaus
« Vastaus #5 : 15.01.2022 kello on 11:28 »
Jos kohta itse olisin jättänyt tästä näkökulmasta
latausjännitteen ennalleen 13,8V tai jopa laskenut sitäkin hieman)
Täytyy seurata mille tasolle jännite vaunussa asettuu ja säätää sitä vielä tarvittaessa.

*****
  • Kaikkien Kaveri
  • Aiheen aloittaja
  • Viimeksi paikalla:18.02.2026 kello on 19:16
Vs: Einhell BT-BC 10 E laturin korjaus
« Vastaus #6 : 17.01.2022 kello on 15:07 »
Ompas herkkä kytkentä tuo säätöpiiri.

Irroitin laturin vaunun akusta liittimien asennusta varten ja kytkin takaisin. Ei ladannut enää kunnolla. :o
Verkkopistoke oli irti, mutta pari ledi valaisinta ja priimuksen ohjain oli päällä kun tein tuon.

Vaihdoin Q2 transistorin uudelleen ja taas toimii. Tällä kertaa sammutin kaiken kulutuksen akulta, ennen laturin takaisin kytkentää.

Säätelin samalla potikan alkuperäiseen kohtaan, nyt jännite ei nouse missään olosuhteissa yli 13,8V.

Auttaisikohan toinen isompi konkka C1 rinnalle akulta tulevan kytkentä piikin vaimentamiseen?
C1 taitaa olla 1nF (102) kerko.

Valkoinen johto, ohjaa tyristorin hilaa.
Harmaa (ruskea) johto, tyristorin katodi, mittaa akun+laturin jännitettä.
Musta johto, tasurin ja akun -
Punainen johto, tasurin + tulee tyristorin anodin kautta.

*****
  • Karavaanari
  • Viimeksi paikalla: 7.02.2026 kello on 14:47
  • Älä äänestä "niinkuttelijoita".....
Vs: Einhell BT-BC 10 E laturin korjaus
« Vastaus #7 : 17.01.2022 kello on 18:21 »
@mjo: "Tässä piirilevy kytkentä"

- Pieni tarkistus kun mulla on vaikeuksia saada tolkkua tuosta kytkennästä.
  Voisiko Q1:n emitteri ja kollektori olla vaihdoksissa? Tosin sen pitäisi kyllä
  olla sitten NPN-tyyppinen.

 @jamseil: "jossa on kaksi S8050 transistoria"   -->Molemmat NPN ?

- Korjaajan "vaisto" sanoo nyt että jokin tässä ei ole sitä miltä näyttää
  vaikka en heti arvaakaan mistä on kyse.

   Sun kytkennässä on (mjo:n esittämään nähden) lisätty diodi joka saattaa
  olla jokin TVS tai muu sen sukuinen ylijännitesuoja, saisiko tuon tyypin
  todennettua?  Jos se on TVS niin sitten pitäisi pystyä jotenkin todentamaan
  sen toimivuus. Jos vaan vaihtaa niin sitten ei tiedä onko mitään muuttunut.
     Tuo kondensaattori ei tunnu kovin tärkeältä...?

*****
  • Kaikkien Kaveri
  • Aiheen aloittaja
  • Viimeksi paikalla:18.02.2026 kello on 19:16
Vs: Einhell BT-BC 10 E laturin korjaus
« Vastaus #8 : 17.01.2022 kello on 19:35 »
Ainakin Q2 on kääntynyt 90 astetta tuossa mjo:n juovat+komponentit kuvassa.

Molemmat tosiaan NPN
https://www.componentsinfo.com/s8050-pinout-equivalent/

Täytyy tarkastaa mikä se diodi on ja ottaa kuva piirilevystä taustavalolla. Jotenkin itsellä ei aivot käänny tuohon flipattuun juova kuvaan. :)

*****
  • LämmitinGuru
  • Aluevalvoja
  • Kalustoon kuuluva
  • Viimeksi paikalla:tänään kello 07:46
Vs: Einhell BT-BC 10 E laturin korjaus
« Vastaus #9 : 17.01.2022 kello on 22:08 »
Vertasin kuvaani ja jamsellin kuvaa niin huomaan, että minun kuvassa vastusarvot on vääriä kun olen piirtänyt ne huonosta kuvasta jossa oranssi on näyttänyt punaiselta. Muuten sama kytkentä, mutta toi diodi on tullut lisää.

*****
  • Kaikkien Kaveri
  • Aiheen aloittaja
  • Viimeksi paikalla:18.02.2026 kello on 19:16
Vs: Einhell BT-BC 10 E laturin korjaus
« Vastaus #10 : 18.01.2022 kello on 11:22 »
Tutkin kytkentää tarkemmin ja on tuossa muitakin eroja mjo:n postaamaan eri malliin.



Diodi on tosiaan P6KE22A eli 18.8 V TVS.
https://www.mouser.fi/ProductDetail/Littelfuse/P6KE22A?qs=JJML70Qc14v%2FKOwN9eoPLA%3D%3D

Irroitin kintun ja yleismittarin diodi mittauksella käyttäytyi kuten diodi, eli ei ole oikosulussa.

Testasin sen toiminnan säädettävällä virtalähteellä ja vastuksella, 20v jälkeen jännite häviää eli taitaa toimia kuten kuuluukin.
Arvo on suunnilleen 5% toleranssin sisällä.


*****
  • Kaikkien Kaveri
  • Aiheen aloittaja
  • Viimeksi paikalla:18.02.2026 kello on 19:16
Vs: Einhell BT-BC 10 E laturin korjaus
« Vastaus #11 : 18.01.2022 kello on 17:07 »
Vaihdoin lähempänä johtoja olevan transistorin tilalle laatikosta löytyneen BC547, kun S8050:tä ei itseltä eikä suomen kaupoista näyttänyt löytyvän.

Seuraavaksi voisin kääntää vaihtamani transistorin toisin päin, BC547:ssä on eri kätinen pinnijärjestys kun s8050:ssa. ;D

*****
  • LämmitinGuru
  • Aluevalvoja
  • Kalustoon kuuluva
  • Viimeksi paikalla:tänään kello 07:46
Vs: Einhell BT-BC 10 E laturin korjaus
« Vastaus #12 : 18.01.2022 kello on 20:23 »
Korjasin piirustuksen. Nyt muistan miten se asia oli, sutaisin nopeasti paperille ja oli tarkoitus joskus katsoa transistorien data.




« Viimeksi muokattu: 18.01.2022 kello on 21:50 »

*****
  • Karavaanari
  • Viimeksi paikalla: 7.02.2026 kello on 14:47
  • Älä äänestä "niinkuttelijoita".....
Vs: Einhell BT-BC 10 E laturin korjaus
« Vastaus #13 : 18.01.2022 kello on 21:34 »
-->mjo:  Joo, emitterit ja kollektorit noin päin tekee ymmärrettävän kytkennän.
                Transistorit on kuitenkin vielä merkitty PNP:ksi

 @jamseil: " BC547:ssä on eri kätinen pinnijärjestys "

- Ja se toimi silti...? Vau. Taisi ollakin niin päin että jokin tässä oli
  sitä miltä ei näyttänyt.

Tuolla aiemmassa kuvassa TVS:n toinen juotos näytti hieman oudolta mutta
sitä lienee turha haikailla enää. Olikohan näköharha...

*****
  • LämmitinGuru
  • Aluevalvoja
  • Kalustoon kuuluva
  • Viimeksi paikalla:tänään kello 07:46
Vs: Einhell BT-BC 10 E laturin korjaus
« Vastaus #14 : 18.01.2022 kello on 21:50 »
Vielä korjattu.

 

anything