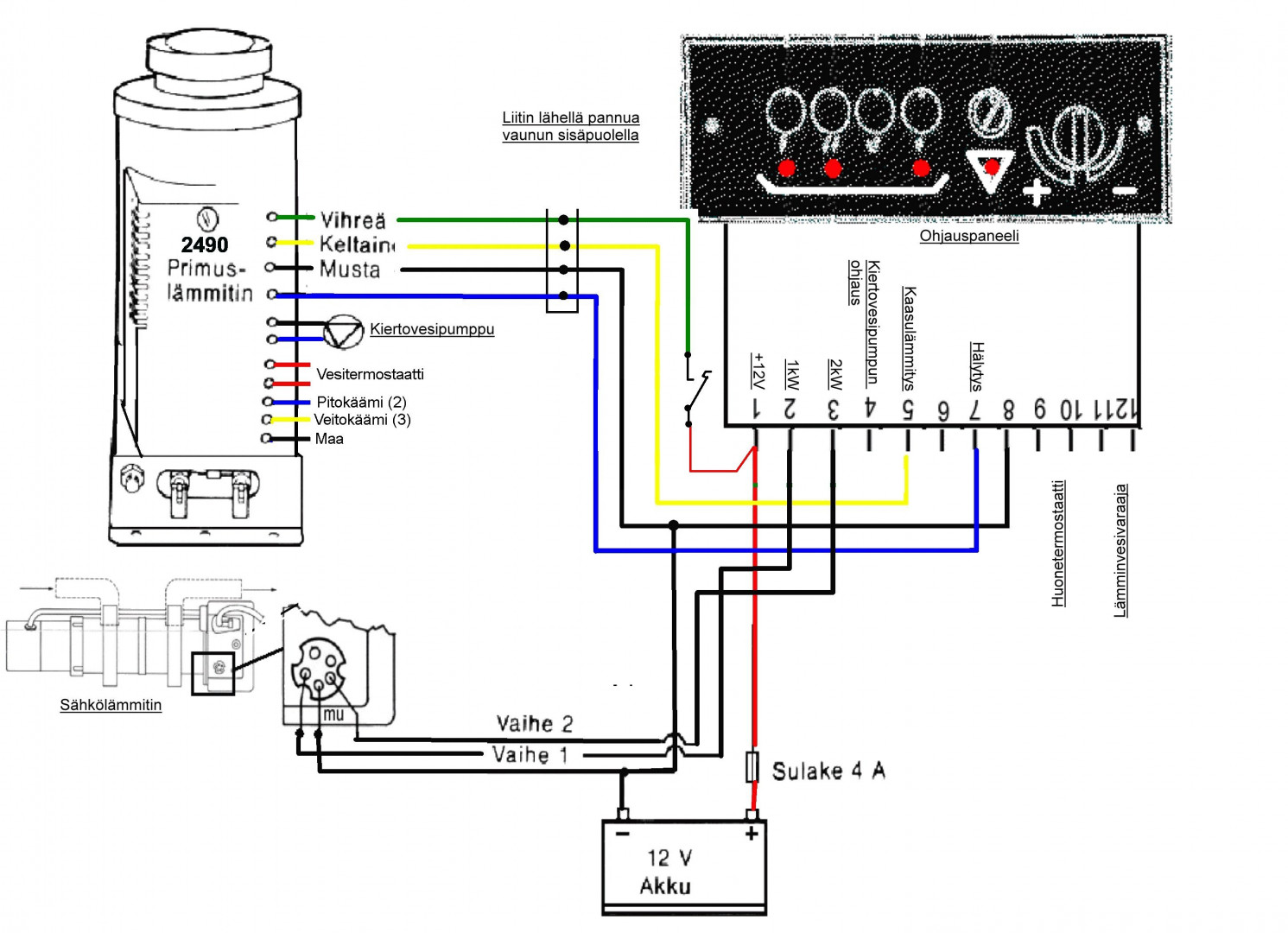
Jotenkin kun karsastan noita irtonaisia ja paljaita sähköjuttuja niin tekaisin diodeille pienen piirilevyn ja koteloin sen. Vielä pitäisi saada asennettua kunhan tuo pakkanen lauhtuisi taas. Eilen kuitenkin sen verran kävi pakkanen alempana että vaihdoin sulakkeelta paneelille tulevan johdon vähän paksumpaan ja ja paneelin paikoilleen. 15A sulakkeen tilalle vaihdoin alkuperäisen kokoisen 5A sulakkeen. Niin ja tietenkin tuolle pakkokierrolle sen johdon laitoin paikoilleen mutta odottaa vielä loppuvetoa.
Vielä pitää vaihtaa paneelilta pannulle menevä johto vähän paksumpaan niin ei ainakaan tuo aiheuta jännitehäviöitä. Saattanu olla johto melko kovilla kun noin tupla virrat on menny käynnistyshetkellä kun ollut se vääränlainen pumppu tuolla paikoillaan. Kuulikin kyllä pumpun äänestä että jännite notkahti tuossa vaiheessa kun pannun käynnistyttyä kierrokset pumpulla nousi.
Edellinen omistaja tuntunu harrastavan noita isompia sulakkeita kun akkulaturissakin oli tuplasti isompi sulake kuin kuuluisi.
Muutama kuvatus




