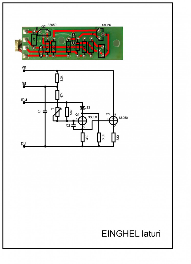
Korjasin piirustuksen. Nyt muistan miten se asia oli, sutaisin nopeasti paperille ja oli tarkoitus joskus katsoa transistorien data.Vielä kummittelee viimeisimmässä kytkennässä oranssi raitaiset (3) vastukset.
(Kuva piiloitettu, klikkaa tätä niin näet kuvan.)
Punaisia ovat luonnossa, mittaamalla varmistin kaikkien arvot. Laitoin myös konkat ja zenerin tyypin näkyviin.




