rekisteriseloste

Tiedote rekisteröitymisestä

Jos et ole saanut vahvistusviestiä rekisteröitymisestä si, tarkista roskapostikansiosi. Tämä erityisesti hotmail ja gmail sähköpostin käyttäjille.

Kirjoittaja Aihe: Primus 2470 kiertovesipumppu kay vain hetken  (Luettu 3575 kertaa)

*****
  • Karavaanari
  • Aiheen aloittaja
  • Viimeksi paikalla:25.09.2025 kello on 10:13
Primus 2470 kiertovesipumppu kay vain hetken
« : 9.09.2019 kello on 11:21 »
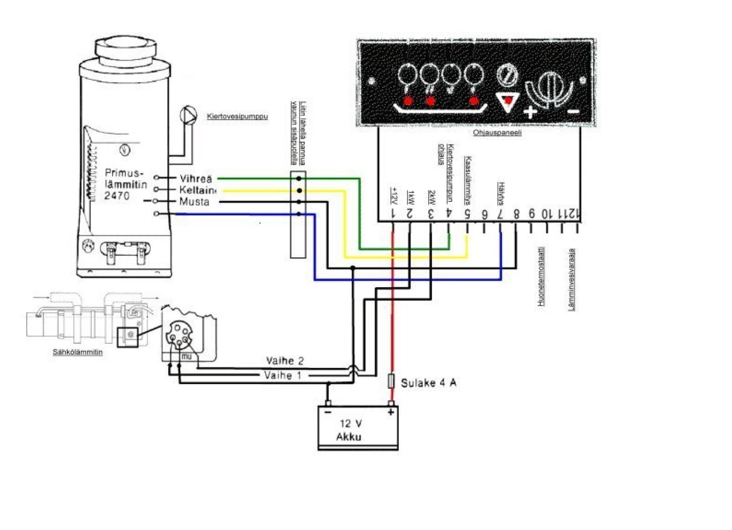
Olen mahdollisesti ostamassa Matkaaja 7000 -88, ja myyjä on ilmoittanut, että kiertovesipumppu käy vain hetken, ei pidä ylimääsäistä ääntä. Onkohan musta boksi entinen? Mista myyjä alkaisi mitata, jotta vika selviäisi? Eikö se ole niin, että pumpun ohjaus tulee ainoastaan mustasta boksista? Boksissa on elektroniika, joka hoitaa ohjauksen. Jos kiertovesipumppu käy raskaasti, voiko tämä pysäyttää pumpun? Vaunu on muutaman sadan kilometrin päässä joten en viitsi ajaa sinne ja todeta ettei toimi niin kuin pitää ja kallis remontti edessä.

*****
  • LämmitinGuru
  • Aluevalvoja
  • Kalustoon kuuluva
  • Viimeksi paikalla:tänään kello 10:33
Vs: Primus 2470 kiertovesipumppu kay vain hetken
« Vastaus #1 : 9.09.2019 kello on 11:50 »
Pitää mitata mustan poksin vesipumpun liittimestä, että häviääkö jännite siitä. Meneeko se lämmitin häiriölle eli ohjauspaneelin kolmiovalo alkaa loistaa?



*****
  • Karavaanari
  • Aiheen aloittaja
  • Viimeksi paikalla:25.09.2025 kello on 10:13
Vs: Primus 2470 kiertovesipumppu kay vain hetken
« Vastaus #2 : 12.09.2019 kello on 08:54 »
Kiitos vastauksesta. Juttelin myyjän kanssa ja hän sanoi käyttävänsä huoltoliikkeessä, missä hän huollattaa vaunun. Asentaja epäili kiertovesipumppua. Kuulemma ei syttynyt vikavaloa. Nyt on vaunu myyty, joten asia on minun puolesta loppuun käsitelty.
Kiitos kuitenkin.

 

anything