rekisteriseloste

Tiedote rekisteröitymisestä

Jos et ole saanut vahvistusviestiä rekisteröitymisestä si, tarkista roskapostikansiosi. Tämä erityisesti hotmail ja gmail sähköpostin käyttäjille.

Kirjoittaja Aihe: Primus 2470 ongelma  (Luettu 3541 kertaa)

*****
  • Päivämatkailija
  • Aiheen aloittaja
  • Viimeksi paikalla:30.08.2019 kello on 23:58
Primus 2470 ongelma
« : 30.08.2019 kello on 15:02 »
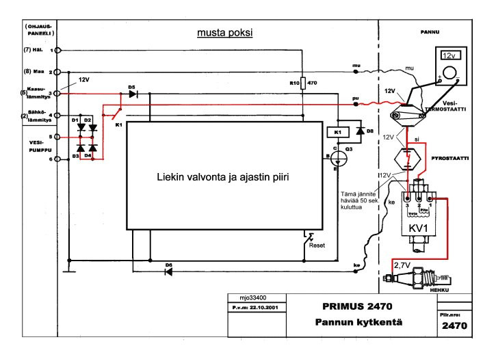
Olen koittanut Primus juttuja lueskella muttei oikein aukea. Primus 2470 johon laitettu kipinä sytkä ei ole ollut meidän aikana ikinä toiminnassa ja osa johdoistakin oli otettu irti.

Kun painaa ohjauspaneelista päälle niin liekin kuva syttyy. Vesipumppu alkaa pyörimään.

Safety timerilta pannulle lähtevään punaiseen johtoon tulee 12V mutta jos ymmärsin oikein niin keltaiseenkin pitäisi tulla hetken aikaa 12V. Nyt ei tule mitään.

Tosin keltainen ei ole kytkettynä pannuun....mutta pitäisikö siihen silti tulla hetkeksi 12V

*****
  • Kaikkien kaveri Sr.
  • Viimeksi paikalla:19.11.2025 kello on 07:59
  • Kellos Chevyjä , Matkaaja 460 ja TEVE-CHEVY
Vs: Primus 2470 ongelma
« Vastaus #1 : 30.08.2019 kello on 15:29 »
Olen koittanut Primus juttuja lueskella muttei oikein aukea. Primus 2470 johon laitettu kipinä sytkä ei ole ollut meidän aikana ikinä toiminnassa ja osa johdoistakin oli otettu irti.

Kun painaa ohjauspaneelista päälle niin liekin kuva syttyy. Vesipumppu alkaa pyörimään.

Safety timerilta pannulle lähtevään punaiseen johtoon tulee 12V mutta jos ymmärsin oikein niin keltaiseenkin pitäisi tulla hetken aikaa 12V. Nyt ei tule mitään.

Tosin keltainen ei ole kytkettynä pannuun....mutta pitäisikö siihen silti tulla hetkeksi 12V
Kannattaisi perehtyä mistä tule ja mihin menee. Ja testatessa pitää olla kaikki kytkettynä oikein

*****
  • Päivämatkailija
  • Aiheen aloittaja
  • Viimeksi paikalla:30.08.2019 kello on 23:58
Vs: Primus 2470 ongelma
« Vastaus #2 : 30.08.2019 kello on 15:43 »
OK tämä selvensi jo sen verran että laitan kaikki johdotukset kiinni ja ihmettelen sitten vielä uudestaan. Mutta jos keltaiseen ei tule sittenkään 12V niin mahtaneeko olla ongelmaa kortissa.

*****
  • LämmitinGuru
  • Aluevalvoja
  • Kalustoon kuuluva
  • Viimeksi paikalla:tänään kello 00:17
Vs: Primus 2470 ongelma
« Vastaus #3 : 30.08.2019 kello on 16:53 »
Pyrostaattiin kuuluu tupla sininen ja tupla keltainen ja kun keltainen on irti niin ilmeisesti pyrostaatissa vika eli pannu on käynnistetty ja keltainen irroitetu kun ei ole katkaissut varoaikaa. Pannu on käynyt niin pitkään kunnes huonetermostaatti on katkaissut lämmityksen. Tämä sepustus siis oletus syistä. Laita johdot kiinni ja käynnistä pannu, jos ei käynnisty niin oikosulje ruuvarilla sininen ja keltainen johto, jolloin pannun pitää käynnistyä. Jos käynnistyy kun johdot on kiinni niin seuraa, että meneekö häiriölle noin 2 minuutin kuluttua. Jos menee niin pyrostaatti ei katkaise.






 

anything