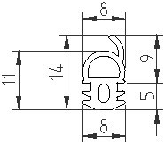
Nyt olis mahdollista saada edullisesti kuvan mukaista kumista tiiviste profiili nauhaa.Järjestelmä hylkii kuvan laiton, mutta jos kiinnostusta, niin voin laittaa kuvan tiivistprofiilista yv:nä
Todella hyvä esim. Carthago tai byrstner asuntoautojen asunto- osan luukkuihin sekä ovien lisätiivisteeksi. Saattaa käydä muidenkin mallien alumiinikarmeihin. Jos kiinnostaa laita yv:tä
Ps. Tätä ei löydy caravan liikkeistä.
(Kuva piiloitettu, klikkaa tätä niin näet kuvan.)
E: kuva lisätty -88k5-


