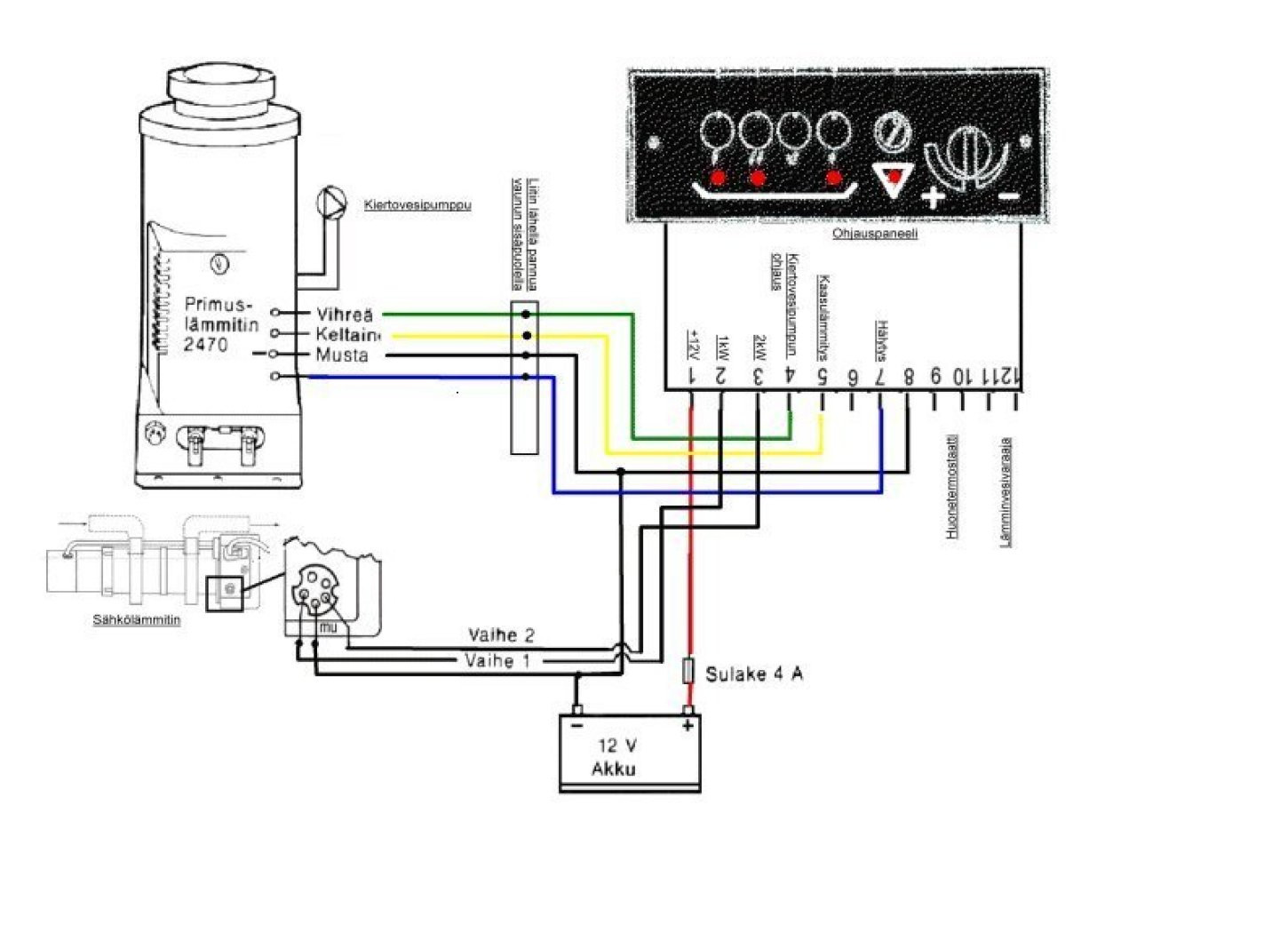
löytypä, iso purkki piirejä trankkuja fettejä diodeita ym, niin yks löyty, oli vain 79ast, alkuperäinen 84, tuskin mitään merkitystä on, ainakin releet naksu eikä vastus kuumene, huomenna sen tiiän paremmin ku laitan vaunuun paikalleen, mikä on sen paneelin johtojen värijärjestys ne johot näytti alkuperäisiltä, laitoin ne silleen että samallalailla saan ne mutta ku tuossa on tehty muitaki ihmepatentteja, esim narulla ja teipillä kiertovesipumppu on kiinni, kevyt pumppu pysyy letkujen varassa


