rekisteriseloste

Tiedote rekisteröitymisestä

Jos et ole saanut vahvistusviestiä rekisteröitymisestä si, tarkista roskapostikansiosi. Tämä erityisesti hotmail ja gmail sähköpostin käyttäjille.

Kirjoittaja Aihe: Jääkaapin kaasu ei jää käyntiin  (Luettu 16443 kertaa)

*****
  • Kaikkien Kaveri
  • Viimeksi paikalla:tänään kello 19:05
  • RAV 4
Vs: Jääkaapin kaasu ei jää käyntiin
« Vastaus #30 : 9.07.2017 kello on 13:28 »
Eikös pysty aldessa ole kans tuo mittari?

*****
  • Saittisähläri
  • Kalustoon kuuluva
  • Viimeksi paikalla: 1.04.2026 kello on 22:38
  • Epsoo
Vs: Jääkaapin kaasu ei jää käyntiin
« Vastaus #31 : 9.07.2017 kello on 13:30 »
Toki, jos liekki palaa muuten koko ajan.

Siitä näkee myös jos liekki on sammunut.

*****
  • Kalustoon kuuluva
  • Viimeksi paikalla:11.01.2026 kello on 12:36
Vs: Jääkaapin kaasu ei jää käyntiin
« Vastaus #32 : 9.07.2017 kello on 14:54 »
Eikös pysty aldessa ole kans tuo mittari?

Monessa laitteessa vastaava.Kuitenkin yleisimmin käytetty viime vuosituhannella. Ihan ok ratkaisu mielestäni, analogisesta mittarista näkee heti palaako liekki

*****
  • Kalustoon kuuluva
  • Viimeksi paikalla:tänään kello 19:11
Vs: Jääkaapin kaasu ei jää käyntiin
« Vastaus #33 : 9.07.2017 kello on 19:48 »
Siitä näkee myös jos liekki on sammunut.

Toki.
Tarkoitin, jotta jotkut kaapit kun välillä sammuttaa itsensä, kun lämmöt on alhaalla.
Niissä tuota ei voi käyttää.   8)

*****
  • Kalustoon kuuluva
  • Viimeksi paikalla:tänään kello 19:22
Vs: Jääkaapin kaasu ei jää käyntiin
« Vastaus #34 : 9.07.2017 kello on 21:04 »
Kas, eipä ole koskaan tullut vastaa...
Sähköiseltä likkivahdilta on ilmeisesti otetu jännä mittarille?
Liekö tuosta mitään hyötyä?

Kun näissä pienissä Dometiceissa ei ole automaattisytytystä, on tuo mittari paljon parempi kuin esim edellisen vaunun tarkastussilmä kaapin sisänurkassa. Ei tarvii aukoa ovea ja nostella kamoja ulos kun sytyttää kaasun.

*****
  • Saittisähläri
  • Kalustoon kuuluva
  • Viimeksi paikalla: 1.04.2026 kello on 22:38
  • Epsoo
Vs: Jääkaapin kaasu ei jää käyntiin
« Vastaus #35 : 9.07.2017 kello on 21:18 »
Toki.
Tarkoitin, jotta jotkut kaapit kun välillä sammuttaa itsensä, kun lämmöt on alhaalla.
Niissä tuota ei voi käyttää.   8)

Mitkä kaapit sammuttavat itsensä? kun ei ole itselle tullut vielä vastaa moisia?

*****
  • Kalustoon kuuluva
  • Viimeksi paikalla:tänään kello 20:03
  • Autossa on pyörät
Vs: Jääkaapin kaasu ei jää käyntiin
« Vastaus #36 : 9.07.2017 kello on 21:24 »
^
Esim minun Dometic, sammuttaa kun on tarpeeksi kylmä ja sytyttää ku tarttee.

*****
  • Saittisähläri
  • Kalustoon kuuluva
  • Viimeksi paikalla: 1.04.2026 kello on 22:38
  • Epsoo
Vs: Jääkaapin kaasu ei jää käyntiin
« Vastaus #37 : 9.07.2017 kello on 22:17 »
^
Esim minun Dometic, sammuttaa kun on tarpeeksi kylmä ja sytyttää ku tarttee.

Ei ainakaan oman vaunun Dometic, eikä aiemmankaan vaununi Dometic tee noin.

*****
  • Kalustoon kuuluva
  • Viimeksi paikalla:tänään kello 19:02
  • viva la France
Vs: Jääkaapin kaasu ei jää käyntiin
« Vastaus #38 : 9.07.2017 kello on 23:17 »
Ei ainakaan oman vaunun Dometic, eikä aiemmankaan vaununi Dometic tee noin.
Oma on thetford n 145 ja se sammuu ja syttyy termostaatin ohjaamana.

*****
  • Kalustoon kuuluva
  • Viimeksi paikalla:11.01.2026 kello on 12:36
Vs: Jääkaapin kaasu ei jää käyntiin
« Vastaus #39 : 10.07.2017 kello on 01:33 »
Automatiikalla meilläkin kaappi toimii. Valitsee käytettävän energiamuodon ja sammuu kun asetettu lämpötila saavutettu

*****
  • Kalustoon kuuluva
  • Viimeksi paikalla:tänään kello 20:03
  • Autossa on pyörät
Vs: Jääkaapin kaasu ei jää käyntiin
« Vastaus #40 : 10.07.2017 kello on 07:56 »
Ei ainakaan oman vaunun Dometic, eikä aiemmankaan vaununi Dometic tee noin.
Niin, ei sun  ;)
Mut mun http://www.frigolab.it/gb/motor-homes-and-caravan-refrigerators/341-rml-8551-dometic.html

*****
  • Karavaanari
  • Viimeksi paikalla:22.09.2019 kello on 14:41
Vs: Jääkaapin kaasu ei jää käyntiin
« Vastaus #41 : 11.07.2017 kello on 11:27 »
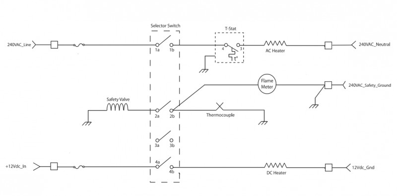
Onko tuossa kaapissa valintakytkin kaasu/12v/230v? Siitä kyse edellä kun oli puhdistettu liitoksia.

Voisi olla tuollainen kytkentä...



*****
  • Karavaanari
  • Viimeksi paikalla: 5.07.2024 kello on 22:50
  • Omasta mielestä oikeen mukava mies
    • Urheilua aktiiveille
Vs: Jääkaapin kaasu ei jää käyntiin
« Vastaus #42 : 11.07.2017 kello on 13:00 »
Varmaan joku tuollainen se on.

 

anything