rekisteriseloste

Tiedote rekisteröitymisestä

Jos et ole saanut vahvistusviestiä rekisteröitymisestä si, tarkista roskapostikansiosi. Tämä erityisesti hotmail ja gmail sähköpostin käyttäjille.

Kirjoittaja Aihe: primuksen etäkäyttö  (Luettu 8294 kertaa)

*****
  • LämmitinGuru
  • Aluevalvoja
  • Kalustoon kuuluva
  • Viimeksi paikalla: 4.12.2025 kello on 11:57
Vs: primuksen etäkäyttö
« Vastaus #15 : 29.10.2017 kello on 20:39 »
Niinhän se kuvassa on, muttakun todellisuus voi olla aivan muuta.

Omassa solikassa sattuu olemaan saman sulakkeen alla pannu ja keularyhmän kattovalo, näin on tehtaalla väännetty.
Pääsee vaan niinpaljon helpommalla käyttämällä vaihtavaa relettä, ellei nyt sit siinä gsm motikassa ole moista jo valmiina kuten esim cl1-gsm tai rtu5024 releessä on.

Mikä on Soliferin tyyppi ja vuosimalli?

*****
  • Karavaanari
  • Viimeksi paikalla:13.10.2022 kello on 10:12
Vs: primuksen etäkäyttö
« Vastaus #16 : 29.10.2017 kello on 21:05 »
S7 vm.2001

*****
  • LämmitinGuru
  • Aluevalvoja
  • Kalustoon kuuluva
  • Viimeksi paikalla: 4.12.2025 kello on 11:57
Vs: primuksen etäkäyttö
« Vastaus #17 : 30.10.2017 kello on 10:25 »
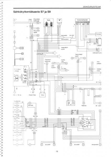
Tässä oikea kytkentäkuva. Kytkentä ei muutu mitenkään.



*****
  • Karavaanari
  • Viimeksi paikalla:13.10.2022 kello on 10:12
Vs: primuksen etäkäyttö
« Vastaus #18 : 30.10.2017 kello on 16:26 »
Ei tota kuvaa sattuis olee pikkasen isommalla resoluutiolla että sais teksteistäkin selvää.

*****
  • LämmitinGuru
  • Aluevalvoja
  • Kalustoon kuuluva
  • Viimeksi paikalla: 4.12.2025 kello on 11:57
Vs: primuksen etäkäyttö
« Vastaus #19 : 30.10.2017 kello on 19:05 »
Ei tota kuvaa sattuis olee pikkasen isommalla resoluutiolla että sais teksteistäkin selvää.

Lähetä sähköposti yv:nä.

*****
  • LämmitinGuru
  • Aluevalvoja
  • Kalustoon kuuluva
  • Viimeksi paikalla: 4.12.2025 kello on 11:57
Vs: primuksen etäkäyttö
« Vastaus #20 : 31.10.2017 kello on 21:03 »
Niinhän se kuvassa on, muttakun todellisuus voi olla aivan muuta.

Omassa solikassa sattuu olemaan saman sulakkeen alla pannu ja keularyhmän kattovalo, näin on tehtaalla väännetty.
Pääsee vaan niinpaljon helpommalla käyttämällä vaihtavaa relettä, ellei nyt sit siinä gsm motikassa ole moista jo valmiina kuten esim cl1-gsm tai rtu5024 releessä on.

Totta on, valot on S7:ssa mukana kytkennässä, mutta ei ne mitään vaikuta etätoimintaan, mutta kuten olet maininnut niin jokainen tekee niin kuin itse haluaa.