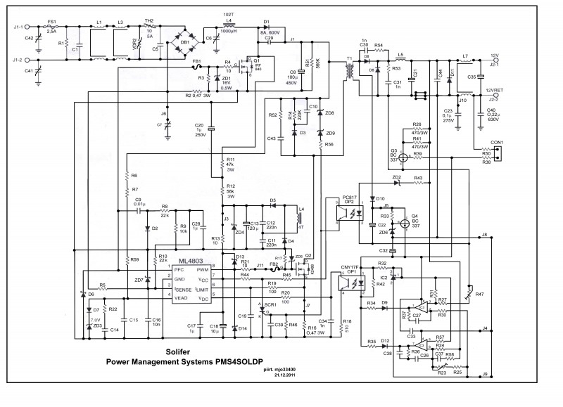
Kaikki toimii mutta mikään ei pelaa yhtäaikaa, paitsi yksi toiminto ?
Sähkövastus, pannu ja kiertovesipumppu pelaa, ne on kunnossa.
1.Vika: Kun sähkövastuksen laittaa päälle ja kiertovesipumpun eka asentoon, eli kierto on päällä kun vastus lämmittää, tämä asetus toimii.
Mutta kun asetat kierron jatkuvasti toimivaksi vastus lakkaa lämmittämästä.
2.Vika: Kun vesikierron laitat eka asentoon eli kiertämään sillon kun pannu lämmittää, niin kiertovesipumppu ei lähe päälle, mutta pannu lähtee.
Ja kun asetat vesikierron jatkuvaan kiertoon, kiertovesi toimii mut pannu ei lähe päälle.
Näijen testauksien välillä ei ole kyse ylikuumenemisesta siten et ylikuumenemisesta laukeava varoke olisi lauennut. Se toki pelaa, mut ei lauennut kun varoin sitä.
Tais mennä reissu jäihin kun määränpäässämme ei ole mahollista lämmittä sähöllä, sillä ainualla toimivalla vaihtoeholla.
Ohajauspaneelin vaihtaminen ei auta, se on kokeiltu.
