rekisteriseloste

Tiedote rekisteröitymisestä

Jos et ole saanut vahvistusviestiä rekisteröitymisestä si, tarkista roskapostikansiosi. Tämä erityisesti hotmail ja gmail sähköpostin käyttäjille.

Kirjoittaja Aihe: Alden 2923 etäkäyttö  (Luettu 16649 kertaa)

*****
  • Karavaanari
  • Aiheen aloittaja
  • Viimeksi paikalla:15.01.2022 kello on 15:04
Alden 2923 etäkäyttö
« : 30.09.2015 kello on 21:00 »
Löytyisiköhän ohjeita, jolla saisi Alden 2923 toimimaan etänä. Tarkoitus on laittaa gps tracker tk103b ohjaamaan sähköpatruunaa ja kiertovesipumppua.

*****
  • Kaikkien kaveri Sr.
  • Viimeksi paikalla:19.11.2025 kello on 07:59
  • Kellos Chevyjä , Matkaaja 460 ja TEVE-CHEVY
Vs: Alden 2923 etäkäyttö
« Vastaus #1 : 30.09.2015 kello on 21:08 »
mikäli oon oikeen ymmärtänyt niin ei mahdollista, siksi mulla priimus :D

*****
  • Karavaanari
  • Aiheen aloittaja
  • Viimeksi paikalla:15.01.2022 kello on 15:04
Vs: Alden 2923 etäkäyttö
« Vastaus #2 : 30.09.2015 kello on 21:15 »
Eikös sähköllä? Kaasulla ei ole.

*****
  • LämmitinGuru
  • Aluevalvoja
  • Kalustoon kuuluva
  • Viimeksi paikalla:tänään kello 11:58
Vs: Alden 2923 etäkäyttö
« Vastaus #3 : 30.09.2015 kello on 21:17 »
Kyllä se onnistuu. http://www.atstuonti.fi/File/K%C3%A4ytt%C3%B6ohjeet/Alde/Alde%202923.pdf

*****
  • Karavaanari
  • Aiheen aloittaja
  • Viimeksi paikalla:15.01.2022 kello on 15:04
Vs: Alden 2923 etäkäyttö
« Vastaus #4 : 30.09.2015 kello on 21:42 »
Löytyisiköhän jotain kytkentäkaaviota?

*****
  • Kaikkien kaveri Sr.
  • Viimeksi paikalla:19.11.2025 kello on 07:59
  • Kellos Chevyjä , Matkaaja 460 ja TEVE-CHEVY
Vs: Alden 2923 etäkäyttö
« Vastaus #5 : 1.10.2015 kello on 08:45 »
mikäli oon oikeen ymmärtänyt niin ei mahdollista, siksi mulla priimus :D
sorry ei tullu mieleen jott joku käyttää sähköö :D

*****
  • Karavaanari
  • Aiheen aloittaja
  • Viimeksi paikalla:15.01.2022 kello on 15:04
Vs: Alden 2923 etäkäyttö
« Vastaus #6 : 1.10.2015 kello on 11:47 »
Kyllä se onnistuu. http://www.atstuonti.fi/File/K%C3%A4ytt%C3%B6ohjeet/Alde/Alde%202923.pdf

Alla ohjeistus yllä olevasta ohjekirjasta. Ilmeisesti tarkoitetaan tunturikytkintä. Eikö tuo onnistu yhtään helpommin? Pitäisi olla tuote nro 2921 520 akkueliminaattori?

Haluatko vaunusi olevan lämmitettynä, kun tulet itse paikalle?
Tällöin voi naapurisi tai ystäväsi käynnistää lämmityksen
menemättä vaunun sisälle. Edellytyksenä on, että pannu
on varustettu sähköpatruunalla ja että akkueliminaattori
(tuote nro 2921 520) on kytkettynä kattilaan.
Ulkoinen käynnistys tapahtuu näin:
1. Säädä akkueliminaattori 230 voltin jännitteelle.
2. Aseta 12 voltin kosketin virranottoa varten pannun
ohjaustaulussa (katso kuva 1 J).
3. Valitse teho ja kiertonestepumppu ohjaustaulusta.
4. Kytke irti vaunun pääkatkaisin.
5. Vedä ulos 230 voltin kaapeli sähköpylväästä tai vaunun
sähkölaatikosta.
6. Kun lämmitys on sitten määrä käynnistää, 230 voltin
kaapeli asetetaan sähköpylvääseen tai -laatikkoon.
Sähköpatruuna ja kiertopumppu käynnistyvät tällöin,
koska akkueliminaattori muuntaa jännitteen 12 volttiin.

*****
  • LämmitinGuru
  • Aluevalvoja
  • Kalustoon kuuluva
  • Viimeksi paikalla:tänään kello 11:58
Vs: Alden 2923 etäkäyttö
« Vastaus #7 : 1.10.2015 kello on 15:43 »
Tuolla ajattelemallasi takkerilla onnistuu varmasti, kytket sen vain Alden ohjauspaneelille menevään jännitejohtoon.

*****
  • Karavaanari
  • Aiheen aloittaja
  • Viimeksi paikalla:15.01.2022 kello on 15:04
Vs: Alden 2923 etäkäyttö
« Vastaus #8 : 1.10.2015 kello on 18:57 »
Tutkailin hiukan Alden takaa sähköjohtoa. Näyttäisi sille, että kiertovesipumpulle ja sähköpatruunalle tulee sama sähköjohto pistorasiasta. Onnistuisikohan pelkkä pistorasian ohjaus? Eli ohjaisin 230V:n kiertovesipumppua ja sähköpatruunaa. Tuo akkueliminaattori ei kerro mitään ja tuskin edes saa enää mistään.

*****
  • LämmitinGuru
  • Aluevalvoja
  • Kalustoon kuuluva
  • Viimeksi paikalla:tänään kello 11:58
Vs: Alden 2923 etäkäyttö
« Vastaus #9 : 1.10.2015 kello on 19:01 »
Tutkailin hiukan Alden takaa sähköjohtoa. Näyttäisi sille, että kiertovesipumpulle ja sähköpatruunalle tulee sama sähköjohto pistorasiasta. Onnistuisikohan pelkkä pistorasian ohjaus?

Tarkoitat siis verkkojänniteohjaus ta, kyllä onnistuu, mutta onnistuu myös niin, että ohjaat patruunan 12 voltin ohjausta, jolloin ei tarvitse mitään asennuslupia. ;) Vekkopumppu toimii 12 voltin ohjauksella jonka valitset paneelista valmiiksi. Saman shukon takana patruunan vastukset ja pumppu. Linkkikirjastosta löytyy kytkentöjä patruunalle.
« Viimeksi muokattu: 1.10.2015 kello on 21:09 »

*****
  • Karavaanari
  • Aiheen aloittaja
  • Viimeksi paikalla:15.01.2022 kello on 15:04
Vs: Alden 2923 etäkäyttö
« Vastaus #10 : 1.10.2015 kello on 20:29 »
Tarkoitat siis verkkojänniteohjaus ta, kyllä onnistyy, mutta onnistuu myös niin, että ohjaat patruunan 12 voltin ohjausta, jolloin ei tarvitse mitään asennuslupia. ;) Vekkopumppu toimii 12 voltin ohjauksella jonka valitset paneelista valmiiksi. Saman shukon takana patruunan vastukset ja pumppu. Linkkikirjastosta löytyy kytkentöjä patruunalle.

Kiitos!!!!! Pitää alkaa kaivamaan kytkentöjä patruunalle.

*****
  • Karavaanari
  • Aiheen aloittaja
  • Viimeksi paikalla:15.01.2022 kello on 15:04
Vs: Alden 2923 etäkäyttö
« Vastaus #11 : 1.10.2015 kello on 21:01 »
Ymmärsinkö oikein. Pitäisikö tuota maa johtoa ohjata?



*****
  • LämmitinGuru
  • Aluevalvoja
  • Kalustoon kuuluva
  • Viimeksi paikalla:tänään kello 11:58
Vs: Alden 2923 etäkäyttö
« Vastaus #12 : 1.10.2015 kello on 21:10 »
Niin tai plus johtoa. Muista että rele on se millä ohjataan ja tekkerilla ohjataan relettä.

*****
  • Karavaanari
  • Aiheen aloittaja
  • Viimeksi paikalla:15.01.2022 kello on 15:04
Vs: Alden 2923 etäkäyttö
« Vastaus #13 : 1.10.2015 kello on 21:59 »
Niin tai plus johtoa. Muista että rele on se millä ohjataan ja tekkerilla ohjataan relettä.
Tuossa gps trackerissa tulee 12 V:n rele mukana.

*****
  • LämmitinGuru
  • Aluevalvoja
  • Kalustoon kuuluva
  • Viimeksi paikalla:tänään kello 11:58
Vs: Alden 2923 etäkäyttö
« Vastaus #14 : 2.10.2015 kello on 10:42 »
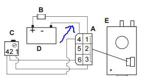
Tuossa gps trackerissa tulee 12 V:n rele mukana.

Niin tulee ja sillä ohjaat pannulle menevää jännitettä, ei tekkerille menevää. Tekkerillä pitää olla jännite, muuten ei toimi. Kuvassa esimerrki Primus 2470:sen ohjauksesta. Periaate sinulla sama.



 

anything