rekisteriseloste

Tiedote rekisteröitymisestä

Jos et ole saanut vahvistusviestiä rekisteröitymisestä si, tarkista roskapostikansiosi. Tämä erityisesti hotmail ja gmail sähköpostin käyttäjille.

Kirjoittaja Aihe: Jännitteen muunnin  (Luettu 18273 kertaa)

*****
  • Matkailija
  • Aiheen aloittaja
  • Viimeksi paikalla:22.04.2020 kello on 11:31
Jännitteen muunnin
« : 12.03.2015 kello on 18:43 »
Hobby 460 -06 verkkovirta kytkettynä jännitteen muunnin pitää "nakutusta". Mutta, vain silloin kun 12v järjestelmä on samaan aikaan päällä. Antaako aihetta huoleen, onko joku hajoamassa. Vaunu on huollossa,mutta huolto mies ei tunnu tietävän mistä ääni johtuu. Sanoin, että näiltä sivuilta asia selviää. Helpointa tietysti on napsauttaa 12v päältä niin ääni loppuu.

*****
  • LämmitinGuru
  • Aluevalvoja
  • Kalustoon kuuluva
  • Viimeksi paikalla:tänään kello 08:33
Vs: Jännitteen muunnin
« Vastaus #1 : 12.03.2015 kello on 20:46 »
Missä kunnossa akku on? Toimiiko DC/DC-laturi?

*****
  • Matkailija
  • Aiheen aloittaja
  • Viimeksi paikalla:22.04.2020 kello on 11:31
Vs: Jännitteen muunnin
« Vastaus #2 : 12.03.2015 kello on 21:19 »
Uuusi AGM 95 Ah.  Huolto mies väittää, että laturi toimii oikein. Liike on autosähkö liike, kun täällä ei ole vaunun huoltoon erikoisliikettä. Sen jälkeen kun verkkovirta irrotetaan täytyy odottaa hetki ennen kuin 12v rupee toimimaan. Tämä jännitteen muunnin ilmeisesti muuttaa autolta tulevan 5v vaunun akkua lataavaksi 14.4v. Näin korjaaja kerto. Mitä muuta se tekee, ei mitään tietoo.

*****
  • LämmitinGuru
  • Aluevalvoja
  • Kalustoon kuuluva
  • Viimeksi paikalla:tänään kello 08:33
Vs: Jännitteen muunnin
« Vastaus #3 : 12.03.2015 kello on 22:16 »
Uuusi AGM 95 Ah.  Huolto mies väittää, että laturi toimii oikein. Liike on autosähkö liike, kun täällä ei ole vaunun huoltoon erikoisliikettä. Sen jälkeen kun verkkovirta irrotetaan täytyy odottaa hetki ennen kuin 12v rupee toimimaan. Tämä jännitteen muunnin ilmeisesti muuttaa autolta tulevan 5v vaunun akkua lataavaksi 14.4v. Näin korjaaja kerto. Mitä muuta se tekee, ei mitään tietoo.

Minkä 5 volttia? Laita kuvia laitteista.

*****
  • Matkailija
  • Aiheen aloittaja
  • Viimeksi paikalla:22.04.2020 kello on 11:31
Vs: Jännitteen muunnin
« Vastaus #4 : 13.03.2015 kello on 07:09 »
Auton laturilta pikät johdotukset vaunun akulle, niin jännite tippuu alas. Siksi ilmeisesti tämä muunnin. Vaunu on korjaamolla, enkä pysty sitä nyt kuvaamaan. Käyn töiden jälkeen ja otan kuvia jos ei ole vielä kunnossa. ps. se 5v saattoi olla joku muu juttu.

*****
  • Kalustoon kuuluva
  • Viimeksi paikalla:tänään kello 15:04
Vs: Jännitteen muunnin
« Vastaus #5 : 13.03.2015 kello on 11:45 »
Latausbooster vaunussa?
http://primepower.wm3.se/en/battery-booster
http://www.kamafritid.fi/Documents/BRUKSANVISNINGAR/E31-23%20Bruksanv.Leab%20Booster%20Finska.pdf

mutta jos autolta tuleva 12V notkahtaa 5 volttiin, on huonoja liitoksia ja ylimenovastusta auton suuntaa, jotta jännitehäviötä (lämpöä) syntyy..

*****
  • Matkailija
  • Aiheen aloittaja
  • Viimeksi paikalla:22.04.2020 kello on 11:31
Vs: Jännitteen muunnin
« Vastaus #6 : 13.03.2015 kello on 19:46 »
Ilmeisesti vika säätimessä Toptron EL 202 V1. Maksaa noin 500e suomessa. Ukkeli purki sen ja kerto, että sitä oli jo joku tinaillu. Menee varmaan uusittavaks. Tietääkö joku mistä sais halvimmalla.

*****
  • LämmitinGuru
  • Aluevalvoja
  • Kalustoon kuuluva
  • Viimeksi paikalla:tänään kello 08:33
Vs: Jännitteen muunnin
« Vastaus #7 : 13.03.2015 kello on 21:38 »
Ilmeisesti vika säätimessä Toptron EL 202 V1. Maksaa noin 500e suomessa. Ukkeli purki sen ja kerto, että sitä oli jo joku tinaillu. Menee varmaan uusittavaks. Tietääkö joku mistä sais halvimmalla.

Laita nyt kuvaa mistä on kysynys. Saattaa apua löytyä.

*****
  • Matkailija
  • Aiheen aloittaja
  • Viimeksi paikalla:22.04.2020 kello on 11:31
Vs: Jännitteen muunnin
« Vastaus #8 : 13.03.2015 kello on 22:24 »
Tommone vekotin

*****
  • LämmitinGuru
  • Aluevalvoja
  • Kalustoon kuuluva
  • Viimeksi paikalla:tänään kello 08:33
Vs: Jännitteen muunnin
« Vastaus #9 : 13.03.2015 kello on 23:01 »
Tuleeko Toproniin jännite?

*****
  • Matkailija
  • Aiheen aloittaja
  • Viimeksi paikalla:22.04.2020 kello on 11:31
Vs: Jännitteen muunnin
« Vastaus #10 : 13.03.2015 kello on 23:10 »
Tulee ja toimii muuten, mutta kun vaunu on verkko virassa ja 12v päällä niin säädin nakuttaa.

*****
  • Kalustoon kuuluva
  • Viimeksi paikalla:tänään kello 15:01
  • Autossa on pyörät
Vs: Jännitteen muunnin
« Vastaus #11 : 14.03.2015 kello on 09:02 »
Anteeksi tyhmyyteni. Voiko tuota 12v pitää verkkovirrassa ollessa päällä. Voisiko olla jotta joko tai?

*****
  • Matkailija
  • Aiheen aloittaja
  • Viimeksi paikalla:22.04.2020 kello on 11:31
Vs: Jännitteen muunnin
« Vastaus #12 : 14.03.2015 kello on 09:38 »
Siile on oma katkaisin josta sen voi kytkeä päälle/pois. Mutta jos se on 12v:lla ja kytken maavirran sen pitäs automaattisesti siirtää järjestelmä 240v:lle. Kun taas poistan 240 niin sen pitäs siirtää jutut 12v noin5-10s sisällä. Näin se auto sähkäri kertoili.

*****
  • LämmitinGuru
  • Aluevalvoja
  • Kalustoon kuuluva
  • Viimeksi paikalla:tänään kello 08:33
Vs: Jännitteen muunnin
« Vastaus #13 : 14.03.2015 kello on 09:48 »
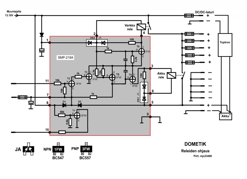
Missä on katkaisin? Tarkoitatko Dometikin muuntajaa? Tässä periaate kytkennästä.






*****
  • Matkailija
  • Aiheen aloittaja
  • Viimeksi paikalla:22.04.2020 kello on 11:31
Vs: Jännitteen muunnin
« Vastaus #14 : 15.03.2015 kello on 11:45 »
Kiitoksia vastauksista. Syyllinen nakutukseen on löytynyt, ja asia hoidossa.

 

anything