Kirjoittaja
Aihe: Elektroninen termostaatti (Luettu 12747 kertaa)
« Vastaus #1 : 28.10.2014 kello on 16:18 »
Tuli mieleeni mahdollisesti tyhmä ajatus.Eli primuseen 2490 elekroninen termostaatti. Onko mahdollista asentaa ja onko kukaan asentanut? Onko kuolleena syntynyt ajatus? Ainakin meidän Solkussa saa termaria väännellä suuntan ja toiseen, ennenkuin sopiva lämpötila löytyy.Vai onko muuta konstia, millä voisi ongelman ratkaista? Olen myöskin puhallellut termostaattiin, jos siellä olisi ollut pölyä.
ps. Tietämätön kyselee terv. T. Mantere
Käytössäsi on elektroninen termostaatti, jos ohjauspaneelissa palaa ledejä lämmitysnappien yläpuolella. Jos käytössä on mekaaninen niin se vaatii huoltoa, jos valintaa kääntäessä ei naksahda asteen sisällä. Kerro siis mikä ohjauspaneeli on käytössä, oletan sen olevan mekaaninen, mutta olisi kiva jos varmistaisit sen. 
« Vastaus #2 : 28.10.2014 kello on 21:14 »
Hei En oikein osannut selittää ,mitä tarkoitin. Tarkoitin sitä, että voisiko Primuksen termarin tilalle laittaa dikitaalisella näytöllä olevan termostaatin.Ajatte lin sitä, että lämpötila pysyisi tarkemmin säädetyssä lämpötilassa. Ainakin meidän vaunussa se heittelee n.+- viisi astetta ennenkuin pannu käynnistyy tai sammuu. t. TM
« Vastaus #3 : 28.10.2014 kello on 21:22 »
Hei En oikein osannut selittää ,mitä tarkoitin. Tarkoitin sitä, että voisiko Primuksen termarin tilalle laittaa dikitaalisella näytöllä olevan termostaatin.Ajatte lin sitä, että lämpötila pysyisi tarkemmin säädetyssä lämpötilassa. Ainakin meidän vaunussa se heittelee n.+- viisi astetta ennenkuin pannu käynnistyy tai sammuu.
t. TM
Ei tarvitse vaihtaa, mutta rasvaa potikka. Et vieläkään sanonut, että mikä ohjauspaneeli.
« Vastaus #4 : 28.10.2014 kello on 21:28 »
Hei! Nyt vasta tajusin,mistä on kysymys ok. teen niin, kun ohjeistit.viikonlop puna vaunulle. Katsotaan sitten auttaako? kiitos neuvosta t.TM
« Vastaus #5 : 15.04.2017 kello on 08:27 »
Hei,rakentelin tälläisen.Priorisoi nti vapaasti valittavissa,samoin hystereesit säädettävissä kymmenyksen tarkkuudella.Kytket ään vanhan taulun rinnalle,korvaa vanhasta potentiometrin ja termarin.Osat maksoi kympin verran Kiinasta.
« Vastaus #6 : 15.04.2017 kello on 09:40 »
Hei,rakentelin tälläisen.Priorisoi nti vapaasti valittavissa,samoin hystereesit säädettävissä kymmenyksen tarkkuudella.Kytket ään vanhan taulun rinnalle,korvaa vanhasta potentiometrin ja termarin.Osat maksoi kympin verran Kiinasta.
 Näkyiskö toi nyt kuvassa?
« Vastaus #7 : 15.04.2017 kello on 09:51 »
Hei,rakentelin tälläisen.Priorisoi nti vapaasti valittavissa,samoin hystereesit säädettävissä kymmenyksen tarkkuudella.Kytket ään vanhan taulun rinnalle,korvaa vanhasta potentiometrin ja termarin.Osat maksoi kympin verran Kiinasta.
Eikös se korvaa koko ohjauspaneelin tuon tekstin mukaan. Miten ohitit vanhan paneelin napit?
« Vastaus #8 : 15.04.2017 kello on 10:02 »
Eikös se korvaa koko ohjauspaneelin tuon tekstin mukaan. Miten ohitit vanhan paneelin napit?
Vanhat napit jää toimintaan,potikka käännetään täysille tai painetaan hananappi pääle.Sähkölämmitys toimii kyllä vaan tonnisen napilla.Digitermari t on lähtevillä puolilla.
« Vastaus #9 : 15.04.2017 kello on 11:03 »
Eikös se korvaa koko ohjauspaneelin tuon tekstin mukaan. Miten ohitit vanhan paneelin napit?
 Vanha jää peliin mukaan.Potikka kaakkoon tai hananappi pohjaan.Uudet termarit on lähtevällä puolella.
« Vastaus #10 : 15.04.2017 kello on 17:01 »
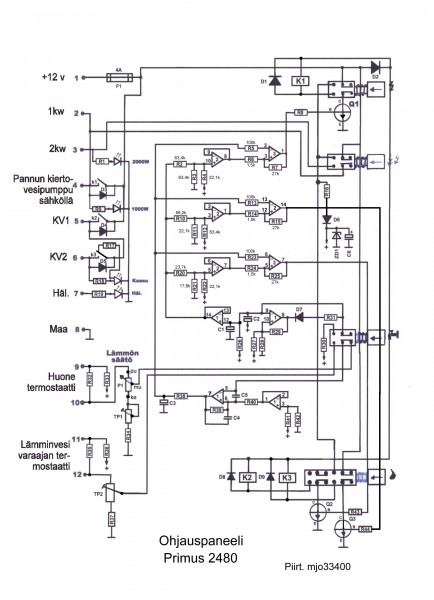
Nyt ymmärsin tekemisesi, mutta miksi et tee samalla niin, että myös 2kw toimii. Annan hieman mietittavää kytkentäkuvan muodossa eli alkuperäinen paneeli. Mikä paneelityyppi on käytössä? 
« Viimeksi muokattu: 15.04.2017 kello on 17:17 »
« Vastaus #11 : 15.04.2017 kello on 17:21 »
Mulla toimii tossa aina 2kw ,ne on kytketty yhteen.Suomessa ei tarvita 1kw:a.Ei se liikaa lämmitä vaikka on molemmat vastukset pelissä.Pitäs laittaa kolmas termari jos haluais erotella tehot kun ei viitti mennä vanhan poksin sisuksiin.Tai voishan se toimia jos laittas ton toisen termarin vanhan poksin etupuolelle (ennen liitintä 1).
« Vastaus #12 : 15.04.2017 kello on 17:47 »
Nyt ymmärsin tekemisesi, mutta miksi et tee samalla niin, että myös 2kw toimii. Annan hieman mietittavää kytkentäkuvan muodossa eli alkuperäinen paneeli. Mikä paneelityyppi on käytössä?
(Kuva piiloitettu, klikkaa tätä niin näet kuvan.)
Niin 2470:n tämä minun ,toi vois olla hankalampi kun siinä on kaksi noita kaasu-lähtöjäkin.
« Vastaus #13 : 16.04.2017 kello on 11:18 »
Mulla toimii tossa aina 2kw ,ne on kytketty yhteen.Suomessa ei tarvita 1kw:a.Ei se liikaa lämmitä vaikka on molemmat vastukset pelissä.Pitäs laittaa kolmas termari jos haluais erotella tehot kun ei viitti mennä vanhan poksin sisuksiin.Tai voishan se toimia jos laittas ton toisen termarin vanhan poksin etupuolelle (ennen liitintä 1).
 Niin,näin sais eroteltua vastukset mutta sitten ei vois valita kumpi priorisois,sähkö vai kaasu.Tässä tapauksessa ensin sähköllä ,jos ei riitä niin sit kaasu avuksi.Näinhän se toimii ennenkin.
« Vastaus #14 : 16.04.2017 kello on 21:15 »
Jos sen alkuperäisen ohjauspaneelin laittaa kuntoon niin ei tarvita noita erillisiä kytkentöjä. Jos haluaa priorisoinnin muuttaa niin komponentit vai eri kohtiin kytkennässä. 
|