rekisteriseloste

Tiedote rekisteröitymisestä

Jos et ole saanut vahvistusviestiä rekisteröitymisestä si, tarkista roskapostikansiosi. Tämä erityisesti hotmail ja gmail sähköpostin käyttäjille.

Kirjoittaja Aihe: Alde 3000 häiriö  (Luettu 18918 kertaa)

*****
  • Karavaanari
  • Aiheen aloittaja
  • Viimeksi paikalla:15.11.2025 kello on 19:55
Vs: Alde 3000 häiriö
« Vastaus #15 : 21.10.2014 kello on 16:54 »









Tämän näkoinen!

*****
  • Karavaanari
  • Aiheen aloittaja
  • Viimeksi paikalla:15.11.2025 kello on 19:55
Vs: Alde 3000 häiriö
« Vastaus #16 : 21.10.2014 kello on 16:56 »
Kärkiväli oli noin 3,5 mm.

*****
  • Kaikkien kaveri Sr.
  • Viimeksi paikalla:19.11.2025 kello on 07:59
  • Kellos Chevyjä , Matkaaja 460 ja TEVE-CHEVY
Vs: Alde 3000 häiriö
« Vastaus #17 : 21.10.2014 kello on 18:43 »
hyvät kuvat, va ei kehtais muuta ääneen sannoo...

*****
  • LämmitinGuru
  • Aluevalvoja
  • Kalustoon kuuluva
  • Viimeksi paikalla: 4.12.2025 kello on 11:57
Vs: Alde 3000 häiriö
« Vastaus #18 : 21.10.2014 kello on 18:47 »
Minä kehtaan ja se on, että turhaan on taas palopesää vaihdettu, voi helvata sentään. Thumbd Jos en ihan väärin katsonut niin kärjen ja liekkivahdin paikka olisi vaihdettava, ovat väärissä paikoissa, mutta se olisi ollut helppoa. Eikä se tässä tapauksessa olisi merkinnyt mitään.
« Viimeksi muokattu: 21.10.2014 kello on 19:02 »

  • Vieras
  • Vs: Alde 3000 häiriö
    « Vastaus #19 : 21.10.2014 kello on 18:51 »
    Vaikka en noista paljoa ymmärrä niin ei uudesta paljoa heitä..  :-[   on se hyvä että on tietäjiä ja taitajia saahaan todella asian tuntevia lausuntoja Thumb Thumb

    *****
    • Kaikkien kaveri Sr.
    • Viimeksi paikalla:19.11.2025 kello on 07:59
    • Kellos Chevyjä , Matkaaja 460 ja TEVE-CHEVY
    Vs: Alde 3000 häiriö
    « Vastaus #20 : 21.10.2014 kello on 18:51 »
    Minä kehtaan ja se on, että turhaan on taas palopesää vaihdettu, voi helvata sentään. Thumbd Jos en ihan väärin katsonut niin kärjen ja liekkivahdin paikka olisi vaihdettava, ovat väärissä paikoissa, mutta se olisi ollut helppoa.
    hyvä ettei kaikkia ujostuta  Thumb

    *****
    • Karavaanari
    • Aiheen aloittaja
    • Viimeksi paikalla:15.11.2025 kello on 19:55
    Vs: Alde 3000 häiriö
    « Vastaus #21 : 24.10.2014 kello on 10:31 »
    Eikä maksanut koko homma kuin vajaat 800€. Että silleen.

    *****
    • Matkailija
    • Viimeksi paikalla:30.11.2025 kello on 10:55
    Vs: Alde 3000 häiriö
    « Vastaus #22 : 4.08.2016 kello on 23:22 »
    Minä kehtaan ja se on, että turhaan on taas palopesää vaihdettu, voi helvata sentään. Thumbd Jos en ihan väärin katsonut niin kärjen ja liekkivahdin paikka olisi vaihdettava, ovat väärissä paikoissa, mutta se olisi ollut helppoa. Eikä se tässä tapauksessa olisi merkinnyt mitään.

    Kuin tarkat nuo kärjet on laittaa paikoilleen?
    Riittääkö vahti keskelle ja sytytin muutaman millin päähän?

    nim: ei syty enää kun vaihdettiin kärjet eikä napsu..

    *****
    • LämmitinGuru
    • Aluevalvoja
    • Kalustoon kuuluva
    • Viimeksi paikalla: 4.12.2025 kello on 11:57
    Vs: Alde 3000 häiriö
    « Vastaus #23 : 5.08.2016 kello on 08:27 »
    Kuin tarkat nuo kärjet on laittaa paikoilleen?
    Riittääkö vahti keskelle ja sytytin muutaman millin päähän?

    nim: ei syty enää kun vaihdettiin kärjet eikä napsu..

    Kärjille on kaksi paikkaa ja ei suurta merkitystä, että missä järjästyksessä. kipinäkärkiväli on tarkeä eli 2,5-3,5mm arinan pinnasta. Jos kärkiväli on lähemmäksi 1cm niin kipinä purkautuu mustassa poksissa.



    *****
    • Matkailija
    • Viimeksi paikalla:30.11.2025 kello on 10:55
    Vs: Alde 3000 häiriö
    « Vastaus #24 : 5.08.2016 kello on 12:44 »
    Polttimen pumppu pyörii mutta ei naksu ja syty ja painetunnistimelle punaiseen tulee virta. Valkoiseenkin tulee virta.Olisko syttöboxivika kun ei naksuttele ?
    Häiriövalo ei syty.
    Kärjistä lähdin vikaa kattomaan ja turha hankinta oli..
    « Viimeksi muokattu: 5.08.2016 kello on 13:37 »

    *****
    • LämmitinGuru
    • Aluevalvoja
    • Kalustoon kuuluva
    • Viimeksi paikalla: 4.12.2025 kello on 11:57
    Vs: Alde 3000 häiriö
    « Vastaus #25 : 5.08.2016 kello on 16:35 »
    Polttimen pumppu pyörii mutta ei naksu ja syty ja painetunnistimelle punaiseen tulee virta. Valkoiseenkin tulee virta.Olisko syttöboxivika kun ei naksuttele ?
    Häiriövalo ei syty.
    Kärjistä lähdin vikaa kattomaan ja turha hankinta oli..

    Jos paineentunnistimen siniseen johtoon ei tule jännitettä, se on viallinen ja vaihtoon.
    « Viimeksi muokattu: 29.11.2020 kello on 09:16 »

    *****
    • Matkailija
    • Viimeksi paikalla:30.11.2025 kello on 10:55
    Vs: Alde 3000 häiriö
    « Vastaus #26 : 15.08.2016 kello on 16:55 »
    No niin,tätäkin taas päästy tutkimaan.
    Painetunnistimeen tulee 10,9v siniseen ja 12,54v valkoiseen.Eli taitaa olla ehjä ?

    Palopuhallin ei pyöri,saako tämä komennon kipinäboxista vai ?

    Kiitos vastauksista tähänasti

    *****
    • LämmitinGuru
    • Aluevalvoja
    • Kalustoon kuuluva
    • Viimeksi paikalla: 4.12.2025 kello on 11:57
    Vs: Alde 3000 häiriö
    « Vastaus #27 : 15.08.2016 kello on 21:15 »
    No niin,tätäkin taas päästy tutkimaan.
    Painetunnistimeen tulee 10,9v siniseen ja 12,54v valkoiseen.Eli taitaa olla ehjä ?

    Palopuhallin ei pyöri,saako tämä komennon kipinäboxista vai ?

    Kiitos vastauksista tähänasti

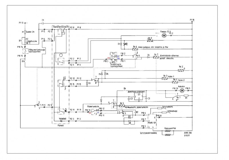
    Paloilmapuhallin saa käskyn releeltä 7 relekortista, mutta ei silloin kyllä tapahdu muutakaan, joten paloilmapuhallin on viallinen tai relekortin regu rikki. Antaako kumminkin kipinää ja kaasuventtiili vetää?



    *****
    • Matkailija
    • Viimeksi paikalla:30.11.2025 kello on 10:55
    Vs: Alde 3000 häiriö
    « Vastaus #28 : 16.08.2016 kello on 23:38 »
    Vika oli painetunnnistimessa . Uus tilalle ja saatiin alde tulille  :)

    *****
    • LämmitinGuru
    • Aluevalvoja
    • Kalustoon kuuluva
    • Viimeksi paikalla: 4.12.2025 kello on 11:57
    Vs: Alde 3000 häiriö
    « Vastaus #29 : 17.08.2016 kello on 08:45 »
    Vika oli painetunnnistimessa . Uus tilalle ja saatiin alde tulille  :)

    Silloin tuossa aikaisemmassa mittauksessa on jotain pielessä.
    « Viimeksi muokattu: 28.09.2025 kello on 12:27 »