Helluntaita.
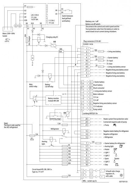
Tein 12 V tupakansytyttimen mallisen virran ulosoton
ja vedin johdot Schaudt EBL 208 S luo.
Pähkäilen tuota tuota kytkentää. nasta No:12 on vapaa (valot 3) joten siitä +
Mutta mistä minius? Schaudt:ta vai akun miinus navasta.
Onko kellään kokemusta asiasta?
