rekisteriseloste

Tiedote rekisteröitymisestä

Jos et ole saanut vahvistusviestiä rekisteröitymisestä si, tarkista roskapostikansiosi. Tämä erityisesti hotmail ja gmail sähköpostin käyttäjille.

Kirjoittaja Aihe: Akku tyhjä. lämmitys/lataus ei toimi. 230 kytketty  (Luettu 13048 kertaa)

*****
  • Karavaanari
  • Aiheen aloittaja
  • Viimeksi paikalla:30.08.2023 kello on 09:32
  • Parakkina Hymer FREE 600
Sattuipa nyt reissussa, että jostain syystä lataus oli katkennut illalla tai yöllä.
yöllä heräsin ja ihmettelin kun on niin pirun kylmä (+10) sisällä
Paneeli vilkutti LOW BATT
lämmitys ei toiminut ei kaasulla eikä sähköllä vaikka verkkovirta oli kytketty..
aika jännä juttu vaikka 230 oli kytketty, niin ei osannut lämmittää sähkövastuksilla.
kai se sit tarvitsee jonkun näköisen 12v sinne pannulle? (alde 3010).

Sitten kuin salaman iskusta lämmitys alkoi itekseen pelittämään aamulla.
kun kirosin vieressä.

nyt kyllä vilkuttelee paneelissä tota latauslediä
"ei lataudu"??

ohjekirjasta bongattu:

"Akku latautuu vain, jos sen jännite on vähintään 8 V.
Tämän arvon alittuessa vilkkuu ohjauspaneelin punainen valvonta-LED.
• Lisätietoja latauksensäätimen erillisessä käyttöohjeessa"

Hobbyn ohjekirja sivu 63


mikä pirun pointti tolla on
"Akku latautuu vain, jos sen jännite
on vähintään 8 V"
milläs se sit ladataan jos vaunun oma laturi ei osaa ladata jos ei ole sitä +8V
« Viimeksi muokattu: 19.04.2014 kello on 14:17 »

*****
  • Kaikkien kaveri Sr.
  • Viimeksi paikalla:19.11.2025 kello on 07:59
  • Kellos Chevyjä , Matkaaja 460 ja TEVE-CHEVY
Vs: Akku tyhjä. lämmitys/lataus ei toimi. 230 kytketty
« Vastaus #1 : 19.04.2014 kello on 12:01 »
toi on valitettavasti aika yleinen ongelma automaattisilla ylläpitolatureilla. .
mutta sulla on joku vika systemissä ku päässyt roikasta huolimatta akut tyhjäksi. tarkista sulakkeet ja laturintoiminta, voi olla lataus piuhojen liitiksissa esimerkiksi hapettuma vikaa, toi ihme parantuminen viittaisi siihen.

*****
  • LämmitinGuru
  • Aluevalvoja
  • Kalustoon kuuluva
  • Viimeksi paikalla: 5.04.2026 kello on 09:13
Vs: Akku tyhjä. lämmitys/lataus ei toimi. 230 kytketty
« Vastaus #2 : 19.04.2014 kello on 13:28 »
Sattuipa nyt reissussa, että jostain syystä lataus oli katkennut illalla tai yöllä.
yöllä heräsin ja ihmettelin kun on niin pirun kylmä (+10) sisällä
Paneeli vilkutti LOW BATT
lämmitys ei toiminut ei kaasulla eikä sähköllä vaikka verkkovirta oli kytketty..
aika jännä juttu vaikka 230 oli kytketty, niin ei osannut lämmittää sähkövastuksilla.
kai se sit tarvitsee jonkun näköisen 12v sinne pannulle? (alde 3010).

Sitten kuin salaman iskusta lämmitys alkoi itekseen pelittämään aamulla.
kun kirosin vieressä.

nyt kyllä vilkuttelee paneelissä tota latauslediä
"ei lataudu"??

ohjekirjasta bongattu:

"Akku latautuu vain, jos sen jännite on vähintään 8 V.
Tämän arvon alittuessa vilkkuu ohjauspaneelin punainen valvonta-LED.
• Lisätietoja latauksensäätimen erillisessä käyttöohjeessa"

sivu 63
http://www.hobby-caravan.de/fileadmin/user_upload/kataloge/katalog_download/bedienungsanleitungen/Wohnwagen/2009/Kompl%20WW%20fin%2009%20BS.pdf

mikä pirun pointti tolla on
"Akku latautuu vain, jos sen jännite
on vähintään 8 V"
milläs se sit ladataan jos vaunun oma laturi ei osaa ladata jos ei ole sitä +8V

Tuleeko Dometikin muuntajalta jännite ulos?

*****
  • Karavaanari
  • Viimeksi paikalla:23.12.2025 kello on 11:59
Vs: Akku tyhjä. lämmitys/lataus ei toimi. 230 kytketty
« Vastaus #3 : 19.04.2014 kello on 17:27 »
mikä pirun pointti tolla on
"Akku latautuu vain, jos sen jännite
on vähintään 8 V"
milläs se sit ladataan jos vaunun oma laturi ei osaa ladata jos ei ole sitä +8V

Näinhän se on ettei nuo autom.laturit yleisestikkään tunnista akkua jos se on riittävän tyhjä. Monilla on mukana joku vanha normi laturi jolla saa sen alku sysäyksen akulle annettua ja tuon jälkeen autom.laturi hoitaa homman

*****
  • LämmitinGuru
  • Aluevalvoja
  • Kalustoon kuuluva
  • Viimeksi paikalla: 5.04.2026 kello on 09:13
Vs: Akku tyhjä. lämmitys/lataus ei toimi. 230 kytketty
« Vastaus #4 : 19.04.2014 kello on 17:37 »
Näinhän se on ettei nuo autom.laturit yleisestikkään tunnista akkua jos se on riittävän tyhjä. Monilla on mukana joku vanha normi laturi jolla saa sen alku sysäyksen akulle annettua ja tuon jälkeen autom.laturi hoitaa homman

Sen tähden Matti-laturi on hyvä laturi, kun AUT/MAN kytkimen johdon siritää toiseen paikkaan niin saa tyhjänkin akun heräämään. Thumb Joo olen Matti-laturi fani. :-[

*****
  • Karavaanari
  • Aiheen aloittaja
  • Viimeksi paikalla:30.08.2023 kello on 09:32
  • Parakkina Hymer FREE 600
Vs: Akku tyhjä. lämmitys/lataus ei toimi. 230 kytketty
« Vastaus #5 : 19.04.2014 kello on 23:48 »
Tässä mietiskelen syviä syntiä!
akku on taas tyhjä.. (lämmitys meni offille, ei toimaa etes verkkovirralla)
prkl!
tuli nurkkaan sit s-tana

päivän meni tossa kun naapurin laturia lainattiin..
+8V oli aamulla
« Viimeksi muokattu: 20.04.2014 kello on 13:36 »

*****
  • LämmitinGuru
  • Aluevalvoja
  • Kalustoon kuuluva
  • Viimeksi paikalla: 5.04.2026 kello on 09:13
Vs: Akku tyhjä. lämmitys/lataus ei toimi. 230 kytketty
« Vastaus #6 : 20.04.2014 kello on 09:01 »
Tässä mietiskelen syviä syntiä!
akku on taas tyhjä.. (lämmitys meni offille, ei toimaa etes verkkovirralla)
prkl!
tuli nurkkaan sit s-tana

päivän meni tossa kun naapurin laturia lainattiin..
+8V oli aamulla
12-14V välillä on "latausvirta" vaihtelee..
ei näköjään riitä ylläpitämään akkua?

Minkälainen Dometik kaapin seinässä on ja onko verkkokytkin oikeassa asennossa. Ei se lataus toimi jos ei Dometikista tule jännitettä ulos.

*****
  • Karavaanari
  • Viimeksi paikalla:23.12.2025 kello on 11:59
Vs: Akku tyhjä. lämmitys/lataus ei toimi. 230 kytketty
« Vastaus #7 : 20.04.2014 kello on 10:20 »
Tässä mietiskelen syviä syntiä!
akku on taas tyhjä.. (lämmitys meni offille, ei toimaa etes verkkovirralla)
prkl!
tuli nurkkaan sit s-tana

päivän meni tossa kun naapurin laturia lainattiin..
+8V oli aamulla
12-14V välillä on "latausvirta" vaihtelee..
ei näköjään riitä ylläpitämään akkua?

Kuulostaa tosiaankin muuntaja vialta jos ei toimi edes 230v kytkettynä. Mutta mitenkäs syöttää tuonne akulle 12-14v jos muuntaja puoli pimeenä.

*****
  • Karavaanari
  • Aiheen aloittaja
  • Viimeksi paikalla:30.08.2023 kello on 09:32
  • Parakkina Hymer FREE 600
Vs: Akku tyhjä. lämmitys/lataus ei toimi. 230 kytketty
« Vastaus #8 : 20.04.2014 kello on 11:54 »









« Viimeksi muokattu: 20.04.2014 kello on 15:56 »

*****
  • Karavaanari
  • Aiheen aloittaja
  • Viimeksi paikalla:30.08.2023 kello on 09:32
  • Parakkina Hymer FREE 600
Vs: Akku tyhjä. lämmitys/lataus ei toimi. 230 kytketty
« Vastaus #9 : 20.04.2014 kello on 11:56 »



metalliboxin alapuolen lähdöt



metalliboxin yläpuolen tulot

*****
  • Karavaanari
  • Aiheen aloittaja
  • Viimeksi paikalla:30.08.2023 kello on 09:32
  • Parakkina Hymer FREE 600
Vs: Akku tyhjä. lämmitys/lataus ei toimi. 230 kytketty
« Vastaus #10 : 20.04.2014 kello on 12:00 »
Nyt on mitattu.
Dometikille "valkoinen laatikko" menee 230V sisään ylhäältä alhaalta ei tule mitään ulos mistään navasta, eikä sulakepesissäkään ole mitään virtaa.

Sitten tämä metalli boxi sinne tulee masse ja batt välii se mitä akussa oli aamulla eli 5.9V
alhaalta ei tule mitään ulos.

edit.
Mittailin dometikin aamulla ja ei antanut mitään ulos, mutta nyt herännyt henkiin.
edellisaamunakin kävi, että nousi kuolleista.
antaa AC-virtaa kuvien mukaisesti
oikein puoleinen liitin kaikki nastat sama jännite samoin vasemman puoleisessa kaikissa sama








Metalli boxi on edelleenkin pimee, ylhäältä löytyy jännite, sama mikä akussa on
alapuoli pimee
vika?
« Viimeksi muokattu: 20.04.2014 kello on 15:54 »

*****
  • LämmitinGuru
  • Aluevalvoja
  • Kalustoon kuuluva
  • Viimeksi paikalla: 5.04.2026 kello on 09:13
Vs: Akku tyhjä. lämmitys/lataus ei toimi. 230 kytketty
« Vastaus #11 : 20.04.2014 kello on 14:07 »
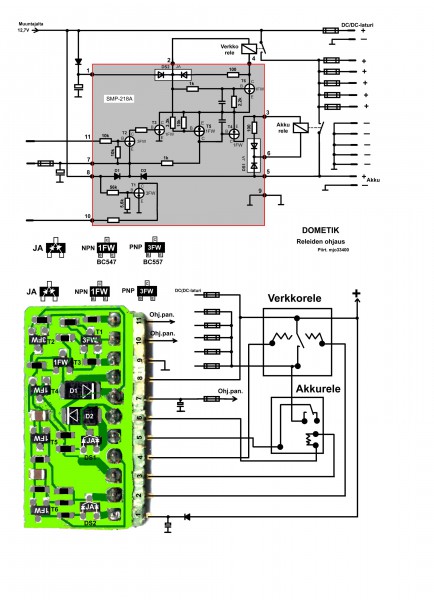
Vikapaikka on sitten selvinnyt. Thumb Onko vaunussa takuu voimassa? Dometikissa voi olla vain releiden ohjausvika, seillä on pieni piirilevy emossa pystyssä ja siinä transistorit viallisia. Vika ilmeisesti ei ole releiden ohjauksessa vaan muuntajan jännitteessä, muistikuva on, että sisällä on sulake.



*****
  • LämmitinGuru
  • Aluevalvoja
  • Kalustoon kuuluva
  • Viimeksi paikalla: 5.04.2026 kello on 09:13
Vs: Akku tyhjä. lämmitys/lataus ei toimi. 230 kytketty
« Vastaus #12 : 20.04.2014 kello on 16:14 »
Tässä vielä yksi kuva mittauksiin.



*****
  • Karavaanari
  • Aiheen aloittaja
  • Viimeksi paikalla:30.08.2023 kello on 09:32
  • Parakkina Hymer FREE 600
Vs: Akku tyhjä. lämmitys/lataus ei toimi. 230 kytketty
« Vastaus #13 : 20.04.2014 kello on 16:41 »
Nää on ainoat johdot mitä menee kiinni ja tasavirtaa ei tule ulos.
ainoastaan AC kuten kuvissa näkyy



*****
  • LämmitinGuru
  • Aluevalvoja
  • Kalustoon kuuluva
  • Viimeksi paikalla: 5.04.2026 kello on 09:13
Vs: Akku tyhjä. lämmitys/lataus ei toimi. 230 kytketty
« Vastaus #14 : 20.04.2014 kello on 16:51 »
Ei sieltä saa tulla AC:tä. Lähetä Dometik minulle niin vilkaisen sitä ja lähetä samalla DC/DC-laturi niin tulee tsekattua molemmat.

 

anything