Eiköhän tolla ole haettu tehokkaampaa hyötysuhdetta ja lämmön luovutusta patteriverkostossa. Tiedä sitten miten käytännössä vaikuttaa ja onko loppupelissä enemmän haittaa kun hyötyä..
Jotain tälläistä viritystähän tällä tulppasysteemilläli enee aikoinaan haettu?
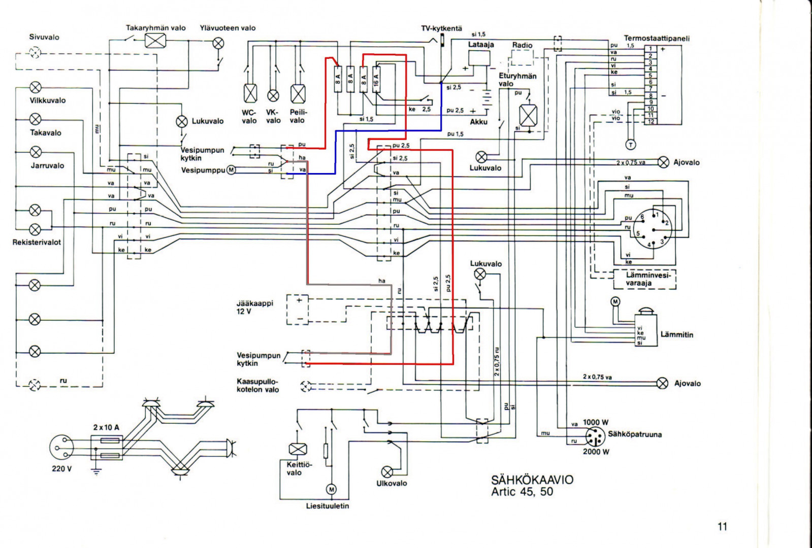
Jos jollakulla sattuis vielä löytymään tälläisen vanhan solifer 55tt:n sähkökaavio niin se olis "kova sana",niin vois rustata noita sähköjäkin vähän uuteen uskoon, ja parempaan kondikseen aikansa kuluksi!

