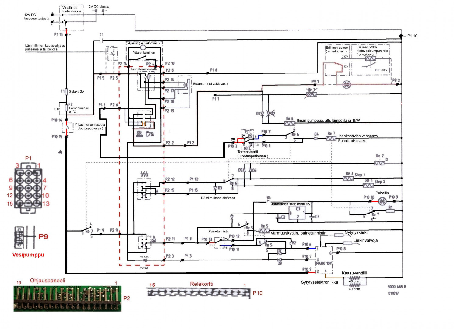
Sähköpuoli oli jo aiemmin toimimaton, joten olen lämmittänyt kaasulla. Isommat releet oli kertaalleen vaihdettu relekortille. Ajattelin, että lienee taas aika vaihtaa...
Loppui kuitenkin kaasulla lämmittäminenkin ja tietty juuri kovien pakkasten aikaan. Vaunu oli tunnin lämmityksen jälkeen edelleen kylmä ja paloilmapuhallin piti kovaa kirskuntaa. Puhallinta hieman painamalla sai sen asentoa muutettua ja oli hetken hiljaa. Eli diagnoosi selvä: puhallin (laakerit) oli kulunut ja osui runkoon, jolloin se ei aiheuttanut riittävästi painetta. Hankin uuden puhaltimen ja asensin sen. Nyt puhallin ei kuitenkaan lähde lainkaan päälle

Otin relekortin irti ja vaihdoin kaiki 6 relettä. (Diodit ja lämpösulake OK)
Toiveikkaana asensin relekortin takaisin, mutta edelleen kaikki on mykkänä. Sähkölämmitys ei toimi edelleenkään ja kaasulla edes puhallin ei käynnisty edelleenkään

Kortille tulee jännite yli 13V, mutta ei johtimeen/kytkentään 9 (eikä myöskän 12 ja 15)
Johdon 9 pitäisi kai saada käsky ohjauspaneelilta? Siinä ei ole jännitettä ohjauspaneelin päässä.
Ohjauspanelilla jännite on seuraavasti (kun kaikki päällä):
Johtimessa 2 12,94V
Johtimessa 5 13,79V
Johtimessa 6 1,52V
kaikki ohjauspanelista nollille käännettynä Johtimessa 5 13,79V
Ohjauspaneelista tosiaan ainoastaan huonetermostatin säätäminen saa KV-pumpun päälle, mutta mitään muuta ei tapahdu. Ohjauspaneelissa vika..? Näkyviä vaurioita ei ole ohjauspanelin piirikortilla
Lasisulake ehjä
Ylikuumenemissuoja ei ole lauennut. Molemmille johtimille mittasin jännitteen
Termostaatti myös ok jännitteiden perusteella