rekisteriseloste

Tiedote rekisteröitymisestä

Jos et ole saanut vahvistusviestiä rekisteröitymisestä si, tarkista roskapostikansiosi. Tämä erityisesti hotmail ja gmail sähköpostin käyttäjille.

Kirjoittaja Aihe: Primus Aquaflex toiminta  (Luettu 7133 kertaa)

*****
  • Matkailija
  • Aiheen aloittaja
  • Viimeksi paikalla:15.09.2024 kello on 21:19
Primus Aquaflex toiminta
« : 16.08.2024 kello on 08:30 »
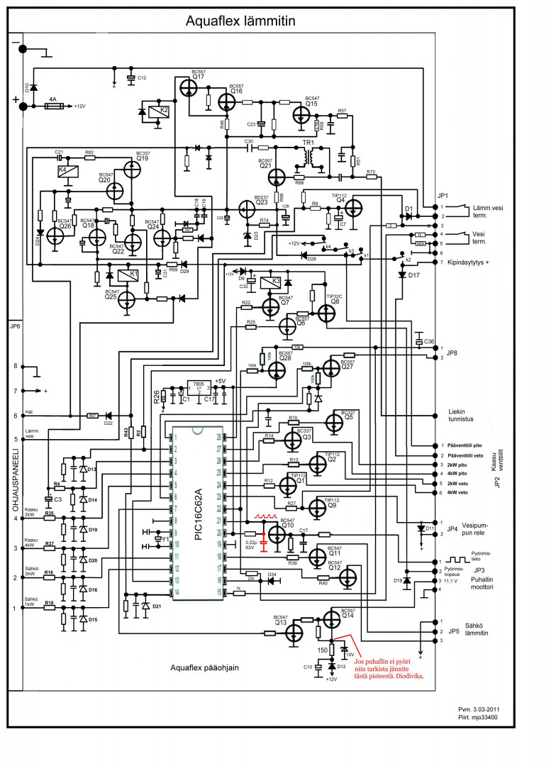
Kysymys koskee kaasukäyttöä. Onko järjestelmälle normaalia, että kun termostaatti pysäyttää lämmityksen, niin myös kiertopumppu pysähtyy? Tuntuu aika oudolta. Eikös näihin ole joskus asennettu erillisellä katkaisimella pumpun pakkotoiminta? Mikäli tämmöinen laitetaan, niin kytketäänkö + suoraan akulta? Vai onko ohjauskortissa tai kytkennöissä vikaa? Mjo varmaan osaa vastata.

*****
  • Kaikkien Kaveri
  • Viimeksi paikalla:29.03.2026 kello on 17:08
Vs: Primus Aquaflex toiminta
« Vastaus #1 : 16.08.2024 kello on 11:03 »
Ainakin muissa Primuksissa pumppu pysähtyy kun lämmitys (sähkö tai kaasu) sammuu. Eihän siitä mitään haittaa ole ja säästyy hieman sähköä. Lämminvesivaraaja ei myöskään jäähdy kun kierto pysäytetään.

*****
  • LämmitinGuru
  • Aluevalvoja
  • Kalustoon kuuluva
  • Viimeksi paikalla:tänään kello 12:44
Vs: Primus Aquaflex toiminta
« Vastaus #2 : 17.08.2024 kello on 09:22 »
Pumppu sammu lämmittimen kanssa. lisäpumppu kytkimella toimii alkuperäisen kanssa rinnan. Tarkoitettu ilmaukseen ja nopeampaan kiertoon.






 

anything