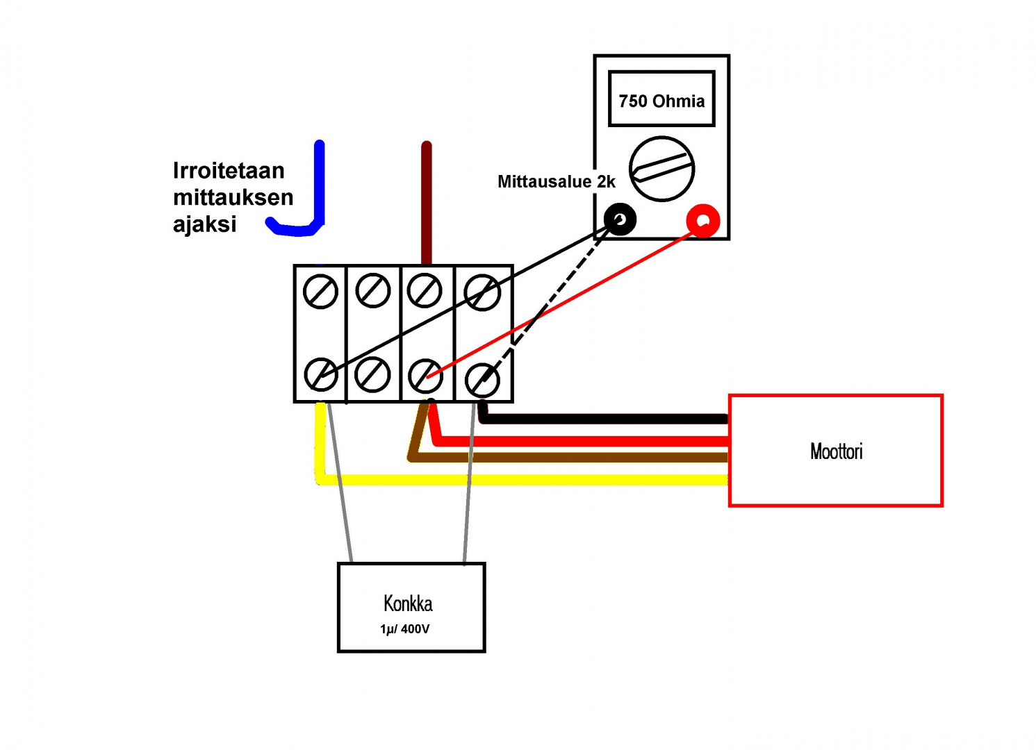
Aika outo ohje. Yleensä pumput asennetaan vaakaan tai pystyyn. Akselitiivisteestä vuotava litku ei valu moottorille.
Tuossa pumpussa ei ole akselivuotoriskiä koska sellainen ei mene pumppupesään. Pumppuratas pyörii sähkövuon voimalla eli pumppupesän ainoat aukot ovat letkuliitokset- Ainoa liikkuva osa tuossa pumpussa on pumppuratas.

