rekisteriseloste

Tiedote rekisteröitymisestä

Jos et ole saanut vahvistusviestiä rekisteröitymisestä si, tarkista roskapostikansiosi. Tämä erityisesti hotmail ja gmail sähköpostin käyttäjille.

Kirjoittaja Aihe: Suora 12v  (Luettu 2027 kertaa)

*****
  • Karavaanari
  • Aiheen aloittaja
  • Viimeksi paikalla: 5.03.2025 kello on 19:03
Suora 12v
« : 16.04.2023 kello on 11:46 »
Moi.
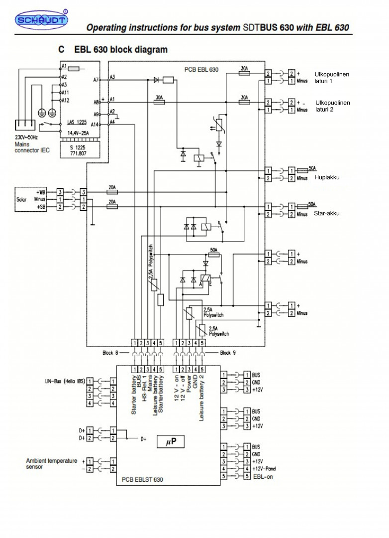
Kun ei nyt ole sähkökuvaa, niin onko tietoa EBL sähkökeskukselta mikä sulake antaa suoraan 12v niin, että virta katkeaa, kun pääkytkin käännetään pois päältä? Tarkoitus kytkeä kaasuhälyytin. Auto 2018 LMC. Kiitos etukäteen jos joku vaivautuu.

*****
  • Karavaanari
  • Aiheen aloittaja
  • Viimeksi paikalla: 5.03.2025 kello on 19:03
Vs: Suora 12v
« Vastaus #1 : 16.04.2023 kello on 15:04 »
Jäi vielä mainitsematta että kyseessä ELB 630 on tyyppi laturille

  • Vieras
  • Vs: Suora 12v
    « Vastaus #2 : 16.04.2023 kello on 15:46 »
    Onko asennuspaikan lähellä jotain katkaisimen kautta käytettävää valoa tms. josta voisi haaroittaa?
    Itse ratkaisin samaisen asennuksen ottamalla virran kaapin valolta ennen katkaisijaa. Näin kaasuhälytin on aina päällä, kun kulkineessa on valot ohjauspaneelista päällä. Yksittäiset valot kun kytketään erillisistä katkaisijoista päälle.

    *****
    • Kaikkien Kaveri
    • Viimeksi paikalla:18.04.2026 kello on 11:04
      • Matkailuvinkkejä
    Vs: Suora 12v
    « Vastaus #3 : 16.04.2023 kello on 15:56 »
    Vesipumpun sähköt on myös hyvä paikka ottaa syöttö kaasuhälyyttimelle, kun asunto-osassa on sähköt, niin kaasuhälyytin on myös päällä.
    Lisäksi, se on usein sopivasti lähellä lattiaa ja hälyyttimen asennuspaikkaa

    *****
    • Karavaanari
    • Aiheen aloittaja
    • Viimeksi paikalla: 5.03.2025 kello on 19:03
    Vs: Suora 12v
    « Vastaus #4 : 16.04.2023 kello on 17:18 »
    Kiitos vastauksista täytyy miettiä paikka, tuo vesipumppu kuulostaa hyvältä. tuosta volokytkimestä en tiedä, kun on sysäyskytkimiä.

    *****
    • LämmitinGuru
    • Aluevalvoja
    • Kalustoon kuuluva
    • Viimeksi paikalla:eilen kello 16:38
    Vs: Suora 12v
    « Vastaus #5 : 16.04.2023 kello on 17:42 »







     

    anything