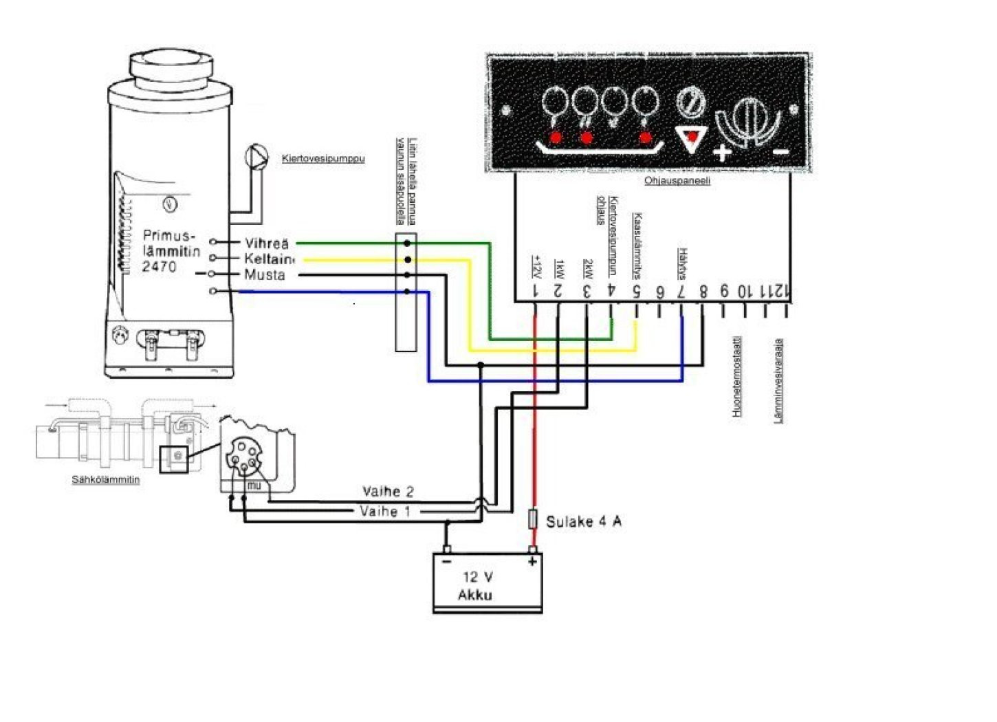
Moro..Hommasin vanhan solikan 5502i -88 ni tarvis vähä apuu ton käynnistämiseks 2470 ,hain vaunun ja jätin lämmityksen päälle parin tunnin kuluttua menin tankille ja kurkkasin vaunuun et onko se yhtää näillä keliillä lämmennyt ajossa no eipä ollu pannu enää päällä eikä enää mennytkää. eikä syttyny vihreee valo(eikä pala kolmio valo) oisko pumppu rikki pannusta....Ja häiriö nappi ei naksu yhtään johdot musta/kelt/ punanen niinku ei kuittaisi voiko pistää johdot poikki ja uus painokytkin päähän
Ja oisko kellään käyttöohjekirjaa vaunuun kun pitäs olla lattialämmitystä ja lämmintä vettä ja ohjaus taulun napiista kui pitää olla namiskat...
Älä poikkase johtoja, ne ei mene kuittinapille.Jos pumppu on jumissa ohjauspaneelista varmaan
paloi sulake, katso se ensin. Pumppua vois kokeilla toisella virtalähteellä näkis toimiiko.




