rekisteriseloste

Tiedote rekisteröitymisestä

Jos et ole saanut vahvistusviestiä rekisteröitymisestä si, tarkista roskapostikansiosi. Tämä erityisesti hotmail ja gmail sähköpostin käyttäjille.

Kirjoittaja Aihe: Hobbyn valot ei toimi akkuvirralla  (Luettu 7124 kertaa)

*****
  • Karavaanari
  • Aiheen aloittaja
  • Viimeksi paikalla:12.05.2024 kello on 18:58
Hobbyn valot ei toimi akkuvirralla
« : 12.05.2018 kello on 18:43 »
Löytyisiköhän viisailta vaunusähkäreiltä apuja  :D

Tuli erikoinen ongelma eteen, eli Hobby 460 valot ei toimi akkuvirralla. Verkkovirralla toimii valot, himmentimet yms normaalisti. Akkuvirralla toimii lämmittimen puhallin ja vessa vesihuuhtelu. Sulakkeita ei löytynyt muita kuin elektroniikka kortissa olevat 5 lattasulaketta. Näistä oli yksi 15a sulake kärähtänyt. Sulake oli kortin kohtaan s11, joka on tyhjä paikka??

Akulta tulee virta kortille asti.

Onkohan kortilla sulakkeita joita en löytänyt, vai onko mahdollisesti kortti sanonut työsopimuksensa irti?? Erikoista silti, että kortin valojen ohjaus toimii verkkovirralla??

*****
  • Saittisähläri
  • Kalustoon kuuluva
  • Viimeksi paikalla:tänään kello 06:23
  • Epsoo
Vs: Hobbyn valot ei toimi akkuvirralla
« Vastaus #1 : 12.05.2018 kello on 20:12 »
Löytyykö kaapista tämmöinen kytkin?



Jos löytyy, niin napsauta siitä niin valot alkaa toimia?

*****
  • Karavaanari
  • Aiheen aloittaja
  • Viimeksi paikalla:12.05.2024 kello on 18:58
Vs: Hobbyn valot ei toimi akkuvirralla
« Vastaus #2 : 12.05.2018 kello on 20:31 »
Löytyykö kaapista tämmöinen kytkin?

(Kuva piiloitettu, klikkaa tätä niin näet kuvan.)

Jos löytyy, niin napsauta siitä niin valot alkaa toimia?

Eipä löydy

*****
  • Kalustoon kuuluva
  • Viimeksi paikalla:tänään kello 17:08
  • Nuperokuljin, 2h+keittiö. Tonttina Suomi.
Vs: Hobbyn valot ei toimi akkuvirralla
« Vastaus #3 : 12.05.2018 kello on 21:28 »
Onko aiemmin toiminut? Vai uusi asia?

*****
  • Karavaanari
  • Aiheen aloittaja
  • Viimeksi paikalla:12.05.2024 kello on 18:58
Vs: Hobbyn valot ei toimi akkuvirralla
« Vastaus #4 : 12.05.2018 kello on 23:13 »
On toiminut aiemmin, joskaan en pariin viikkoon ole käyttänyt sitä.

Sulakkeen kärähdys viittaa jonkinsorttiseen oikkariin, vaan ei aavistuskaan mistä moinen

*****
  • Karavaanari
  • Viimeksi paikalla:tänään kello 16:22
Vs: Hobbyn valot ei toimi akkuvirralla
« Vastaus #5 : 13.05.2018 kello on 09:03 »
Laitappa kuva virtalähteestä tai siittä mistä sulake kärvähtänyt

*****
  • Karavaanari
  • Aiheen aloittaja
  • Viimeksi paikalla:12.05.2024 kello on 18:58
Vs: Hobbyn valot ei toimi akkuvirralla
« Vastaus #6 : 13.05.2018 kello on 09:16 »
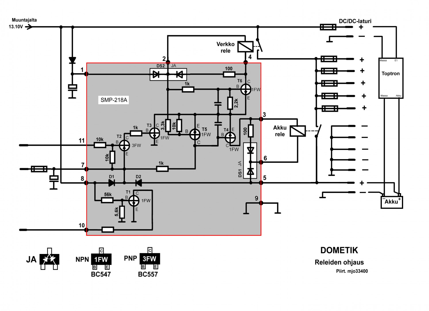
Keskelle korttia kytketyt sin ja rusk johto tulevat suoraan akulta ja virta tulee kortille. Piuhassa on 16a sulake akun lähellä.

Alimmainen 15a sulake oli kärvähtänyt. Vaihdon jälkeen truman puhallin ja vessan huuhtelu alkoi toimimaan.
Kortin tyyppi on toptronic EL430-BKT060002276.

Googlesta ei apua ole kortin suhteen.





*****
  • Saittisähläri
  • Kalustoon kuuluva
  • Viimeksi paikalla:tänään kello 06:23
  • Epsoo
Vs: Hobbyn valot ei toimi akkuvirralla
« Vastaus #7 : 13.05.2018 kello on 10:03 »
Vaunun käyttö-ohjekirjasta löytyy kuva ko. piirilevystä.

*****
  • Karavaanari
  • Aiheen aloittaja
  • Viimeksi paikalla:12.05.2024 kello on 18:58
Vs: Hobbyn valot ei toimi akkuvirralla
« Vastaus #8 : 13.05.2018 kello on 12:16 »
Joo löytyy ja tsekattu ensimmäitteeks, piuhat on kytketty oikein. Kuva ei sen kummemmin nyt auta

*****
  • Karavaanari
  • Aiheen aloittaja
  • Viimeksi paikalla:12.05.2024 kello on 18:58
Vs: Hobbyn valot ei toimi akkuvirralla
« Vastaus #9 : 14.05.2018 kello on 23:23 »
Nonii taas toimii  :o Ei aavistuskaan mikä mätti, mutta lamput palaa nyt iloisesti akkuvirrallakin

*****
  • LämmitinGuru
  • Aluevalvoja
  • Kalustoon kuuluva
  • Viimeksi paikalla:tänään kello 08:33
Vs: Hobbyn valot ei toimi akkuvirralla
« Vastaus #10 : 15.05.2018 kello on 07:41 »
Minä hakisin vikaa Dometikin muuntajasta.



*****
  • Karavaanari
  • Aiheen aloittaja
  • Viimeksi paikalla:12.05.2024 kello on 18:58
Vs: Hobbyn valot ei toimi akkuvirralla
« Vastaus #11 : 15.05.2018 kello on 17:12 »
Minä hakisin vikaa Dometikin muuntajasta.

(Kuva piiloitettu, klikkaa tätä niin näet kuvan.)

Tässä lienee jonkinsorttinen suomi jälkiasennus 12v puolella, eli akusta piuhat suoraan toptronicin kortille, ei muuntajan kautta. Verkkovirta tietenkin tulee muuntajan kautta.

No pääasia että toimii  :)

*****
  • LämmitinGuru
  • Aluevalvoja
  • Kalustoon kuuluva
  • Viimeksi paikalla:tänään kello 08:33
Vs: Hobbyn valot ei toimi akkuvirralla
« Vastaus #12 : 15.05.2018 kello on 22:14 »
Tässä lienee jonkinsorttinen suomi jälkiasennus 12v puolella, eli akusta piuhat suoraan toptronicin kortille, ei muuntajan kautta. Verkkovirta tietenkin tulee muuntajan kautta.

No pääasia että toimii  :)

Niinhän sen pitääkin olla kytketty, eli toptronikista akulle ja akulta muuntajalle.






 

anything