Moikka.
Jatkan tähän vanhaan ketjuun.
Kysyisin että tarkoittaako edellä mainittu sitä, että voisin käyttää vanhaa Matti laturiani ylläpitolataukseen talven aikana Transiitissa?
Kun eberi on ahkerassa käytössä ja ajomatkat lyhyitä,niin näyttäisi ettei auton oma lataus lataus riitä, mukavuuden ylläpitoon.
Akut ovat uudehkot noin 160Ah. ja Matti vanha 4A, jossa automaatti ja manuaali asento. Laturissa yksi punainen ledi joka sammuu aut. asennossa.
Lidlin " halpislaturi" ei tunnu saavan akkuja lainkaan täyteen.
Terv. Toivo
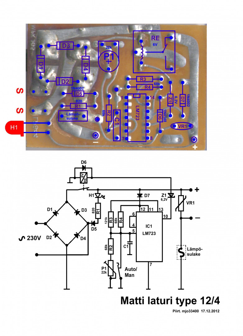
Tutki kytkentäkuvaa.


